

打破沙锅问到底 发表于 2024-7-3 19:58
谢谢!引脚功能对得上,但图比较模糊且没标参数。
热心助人 发表于 2024-7-4 17:59
查一下OB2358AP的数据手册就会清楚很多。或者根据老董电器修配师傅提供的图下面的“海信DB625S型卫星接收 ...
打破沙锅问到底 发表于 2024-7-4 19:27
OB2358AP的数据手册也没标元件参数,按“海信DB625S型卫星接收机开关电源”去搜索倒能找到,维修实践中经 ...

联华维修 发表于 2024-7-4 19:39
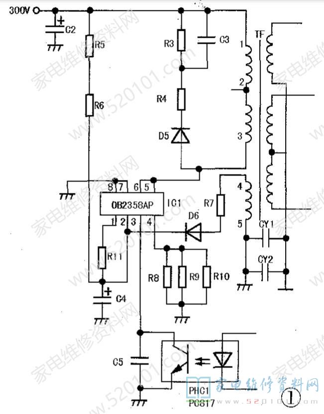
供你参考 SP5624P可用同系列功率更大的SP5628P代换,也可直接用OB2354AP、 OB2358AP代换,或用VIPer22A间 ...
打破沙锅问到底 发表于 2024-7-10 03:48
我说的是OB2358AP的数据手册里没标元件参数。
OB2538AP电源PWM管理芯片.rar (785.95 KB)
OB2354电源PWM控制器.rar (158.32 KB)
|Archiver|手机版|家电维修论坛
( 蜀ICP备19011473号-4 川公网安备51102502000164号 )
GMT+8, 2025-11-18 14:10 , Processed in 0.123303 second(s), 14 queries .
Powered by Discuz! X3.5
© 2001-2025 Discuz! Team.