求助:一个12V铅酸电池智能充电器,型号DN1208的电阻参数:一个12V铅酸电池智能充电器,型号DN1208,大面积元件烧毁。其中R4(5环电阻)在线路板上测量是4.2K,观察外观是完好的,根据电路分析这个数据肯定是不对的,根据5环电阻读数是200欧姆,请各位师傅看看,这个R4到底应该是多少?
OK,感谢以上2位师傅的回复。
电流取样电阻阻值一般都很小,不可能用到200欧,差了百倍。R3是46K?有标称46K的电阻吗?明显是47K。
本帖最后由 东中 于 2025-10-6 00:52 编辑
宗黑黑银。1欧。或者红黑黑银 2欧、
应该是红黑黑银 2欧。是光线问题,那个红色的色环变暗淡了,肉眼看上去是大红色的色环。
R3是46K是实际测量数值,电路设计是47K,可能是电阻实际存在的误差范围吧。
画电路原理图时能用实际测量的数值来标注元件参数吗?如果是在路测量往往是测不准的,因为电阻两端有连接其他元器件,在路测量的并联值就会变小,如果数字表的红笔在上黑笔在下测这只电阻,测量值就会变得更小,明明该电阻能看出黄紫橙是47K标准电阻,你却非要用实际测量数值来标注参数,不是脱裤子放屁吗?
银色代表×0.01,不可能是第二色环。所以从左开始。没有7Ω的电阻,所以第一色环应该看成红色,即2,好么这颗电阻应该是2Ω。用于电流取样。数值越小,充电电流越大,也越容易损坏MOS管。所以在没有同款替换时,宁可选稍大一点的,如2.2Ω的,也不要选阻值小的。
本帖最后由 打破沙锅问到底 于 2025-10-6 14:07 编辑
用于电流取样。数值越小,充电电流越大,也越容易损坏MOS管。所以在没有同款替换时,宁可选稍大一点的,如2.2Ω的,也不要选阻值小的。
电流取样阻值就只有供Q2保护三极管启不启动的功能,对功率管容不容易损坏基本没关系,因为功率管在选型的时候,选电流功率都留有余量,且很多功率管电路就没这个对地的电流取样或限流的电阻而直接接地,且这个电流取样电阻阻值很小,有时只有零点零几欧,就算直接接地也不会超过该功率管的最大电流,至于坏的原因,不外乎跟滤波、这个功率管的质量、寿命、工作时数、散热等有关。

本帖最后由 家电维修工程师 于 2025-10-6 14:59 编辑
感谢各位师傅的分析和指导,谢谢各位。


大师说的有道理。但我认为,MOS管的损坏不是仅看导通时流过的电流大小,而是平均电流的大小。直接接地的电路有另外的通断控制。这也是开关管的导通电流较大,却不能用于线性稳压电路中的道理。
色换颜色是棕黑黑银 棕吗?
如果是,那就是1欧姆。
本帖最后由 满江红 于 2025-10-9 12:45 编辑
Q2三极管在我看来是软启动和过流保护双重作用。
这也是开关管的导通电流较大,却不能用于线性稳压电路中的道理。
不会吧
不管是导通时流过的电流大小,还是平均电流的大小,功率管在选型时都留有充足的余量,即便把上图的2欧、0.06欧电阻短接也不会因过流而损坏,此次的功率管损坏,有可能是那个400V10UF滤波电容失容引起,你看那个大滤波电容也拆下来了,也有可能是作为充电器被长时间插电通电消耗了功率管的有效寿命时数,不信你叫楼主出来回复。
就是过流保护(经R4)和稳压(经TL431、PC817)的作用。
您是老师傅,应该知道的。开关管是间隙/周期性导通,而线性电源中的调整管是一直导通的,所以,即使是标称电流8A的开关管用于额定电流为4A的线性电源中作调整管也不可以。
本帖最后由 热心助人 于 2025-10-12 09:32 编辑
你说得有道理。软启动是通常是通过电容再经过后级电路来实现的。本电路中C2在初始通电瞬间给Q2基极提供电流让MOS截止,进而来实现你说的目的。
大师对电源有深入的研究,我曾拜读过您不少文章,非常敬佩。但在本帖有关R4的回复中,我觉得有些地方可能会引起坛友思路上的混乱。R4的作用并非是像普通电路中那样通过阻值的大小来调节线路的电流大小的,而是将电流信号通过它换成电压信号去控制Q2的。电流增大,Q2导通,MOS截止,电路停振。然后电路重启,产生类似喘振现象。你说的将R4拿掉MOS管也不会坏可能会有误导作用。那样,一旦后级负荷增大,甚至短路,没有的R4的保护,MOS管不一定能不坏。至于你说的MOS管在设计时有裕量,这没问题。但实际上MOS管的质量并不一定会达到设计的要求。就像这个充电器,好像连保险丝都没安装,大概率也不是一个好的充电器,用料可能会打不少折扣。
本帖最后由 打破沙锅问到底 于 2025-10-13 10:49 编辑
我说的是将R4
短接,如果将R4拿掉MOS管就没通路不工作了。
我在20楼说的“即便把上图的2欧、0.06欧电阻短接也不会因过流而损坏”当然是指其他电路都工作正常的情况下,在其他电路都工作正常的情况下短接电流取样的2欧、0.06欧电阻是不会导致电流大幅加大而加速MOS管损坏,只是失去过流保护功能,即使电流加大一点后,也会通过TL431、PC817、Q2的S8050稳压电路控制来减小电流。
我们在解说电路原理时当然是以正规合格的元件来论述。画电路图也当然要按原设计来画和用原参数来标注,不能像楼主画的那样,明明开关变压器上方那只大电阻R3能看出黄紫橙47K,他画图标注为46K,还在9楼强行辩解成“R3是46K是实际测量数值,电路设计是47K,可能是电阻实际存在的误差范围吧。”画电路原理图能按实际测量数值来标注使用的元件参数吗?
就像这个充电器,好像连保险丝都没安装,大概率也不是一个好的充电器,用料可能会打不少折扣。
根据以往对劣质开关电源维修的经验,像楼主在1楼说的“大面积元件烧毁”的情况,其元凶大多是高压滤波电容(本例的E1的400V10UF)失容引起,原因是高压滤波电容选了便宜的假冒伪劣短命产品,进而烧毁电源IC或开关管等众多元件,常见的有各种短命的电源适配器、电饭锅煲、电磁炉、洗衣机等等等等,而好的产品却连续通电多少年都不坏,如手机原配充电器、网络宽带设备原配的电源适配器等等就不坏。
高压滤波电容失容到一定程度,就是再正规再合格的进口MOS管开关三极管或电源IC都得烧毁,由于很多电器的开关电源的高压滤波电容选了便宜的假冒伪劣短命产品,所以高压滤波电容寿命短,所以最好是该电器在没使用时就拔掉电源插头即断电,尽量减少无谓的通电时间来消耗高压滤波电容有限的寿命,比如电磁炉电脑电饭锅煲全自动洗衣机等用电脑控制无机械开关断电且用开关电源的电器都应用完拔电源插头断电,以充分利用高压滤波电容的有限寿命。
作为充电器,用户经常是长时间插电,假设电池充到跳灯停充是5小时,但用户可能插电10小时,是不是白白浪费了5小时的高压滤波电容的有限寿命?还消耗了无谓的空载功耗。
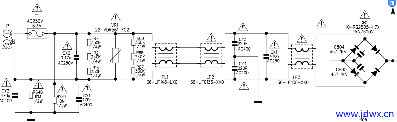
本劣质充电器不光没装保险管或限流保险电阻,电源进线的整流滤波前本该有的抗干扰元件都没有,这种充电器充电时就会干扰家里的其他电器设备,以前我家买第一辆台铃电动车,原配充电器被卖家偷换成劣质产品,充电时就会干扰到有线电视机顶盒使电视画面变差,拿去换别的充电器就好了,劣质充电器有的连开关变压器都是铝漆包线的,用不久就坏。
你看看正规液晶电视从交流进线到桥式整流前有多少抗干扰元件:
本帖最后由 热心助人 于 2025-10-13 11:49 编辑
你说得完全正确。我说R4拿掉属于表达不清,实际是指不用R4直接短路。我强调这一点是好多坛友对开关电源的原理并不一定都清楚。他们会误以为短路R4对电路不会有多大影响。
另外,我说保险丝没有只是举一例来说明该充电器很普通,如果连保险丝都没有,就别指望还会有EMI电路了。
长期插电不拔确实是适配器故障的一大元凶。对于高压电容引起的故障,高级的电路也会保护电路。高压电容失容后,电路就不工作了。但这种大路货的简单电源就别指望了。
本充电器根本就是偷工减料的劣质产品。我遇到的只要高压滤波电容失容就会大面积元件烧毁,有线电视台配的机顶盒是正规产品,只要高压滤波电容失容,电源IC及限流电阻就会损坏,你说的“高级的电路也会保护电路。高压电容失容后,电路就不工作了”的电路拿来看看并分析原理。
我觉得有线电视台、品牌路由器的电源适配器属于正规合格产品,并不属于高级产品。我说的那种极少,原理应该是通过检测供电的波动,电源管理芯片直接停止输出驱动脉冲。国外的产品中遇到过。300V滤波电容坏了,换一个就行了。从维修记录看,并没有出现大面积损毁的现象。因为我不是主管,所以没有留下具体的资料。由于退休了,现在更无法去查了。
不过,你说的300V滤波电容坏就大面积烧毁元件的现象值得研究。因为,大概5年前 ,我曾拣到过一只60V12AH的小功率电瓶车充电器,电源管理芯片为3842,故障就是300V滤波电容失效。仅换了一个电容,并没有其它元件有问题。该充电器我用它替代我的60V20AH的充电器,一直用到现在也没坏。因为我不喜欢快速充电。当然,这个小功率充电器也是正宗的西普尔的产品。
在维修行业,电源滤波电容常被称为发财电容,说明其故障率之高。该电容一旦失效就引起大面积元件损坏应该不绝对。从CRT彩电开始,随着开关电源的应用普及,更换300V滤波电容的工作很常见,但因为300V滤波电容损坏后级就大面积损坏的现象并不多。但现在的山寨电源适配器中很常见,我估计跟管理芯片及综合设计水平有关。例如本主题中讨论到的电流取样电阻,除了阻值外,它的功率选择也是一个重要的因素。在过流情况下,它先烧毁,从而也会保护MOS管不再损坏以及故障进一步扩大。您的经历多,不妨关注一下。
现在多种类型的电源芯片损坏大多与高压滤波电容失容有关:
苏泊尔DG30YC816电炖锅不开机小修
https://www.jdwx.cn/bbs/31878/
(出处: 《家电维修》技术论坛)
本帖最后由 热心助人 于 2025-10-14 10:18 编辑
谢谢提供参考案例。其实,我从未否定你的说法。只是进行补充而已。这个案例中有如下特点:
一、用了Pi滤波器。这对于后级功率稳定的电路,能提高电源的质量。但一旦有元件损坏,其电源的电压波动率比C滤波大很多。这也是其优点也是其缺点的一个例子。也就是说,在Pi型滤波电路中,对电容及电感的质量要求更高,不能让它们成为易损件。
二、非隔离。另外,这类电路采用的芯片省略了外部MOS管,大大减化了电路设计。但也有一旦内部集成的MOS管损坏,整个芯片报废的毛病。不过,这类芯片都很便宜,不比单独更换MOS管更费银子,因此,在小功率电路中得到了大量的应用。
我所建议的,不过是将这类损坏进行一个分类,看看滤波电容损坏引起后级元件大量损坏的电路都有哪些特点及规律,对于日后维修及理论分析一定会有帮助。
本帖最后由 打破沙锅问到底 于 2025-10-14 13:00 编辑
我来举两个自己人亲戚拿来修的消毒刀架和台式消毒柜烧电源IC的例子:
消毒刀架电源损坏400V15UF电解电容、贴片式LP3669F芯片、图中Rcs的1.6欧贴片电阻和Vcc脚外的贴片电容(印板标25V22UF)。

消毒柜电源损坏22欧2W限流保险电阻、两只400V4.7UF电解电容和贴片式AP8505电源芯片。

都是因为用了不耐用的小个头伪劣的高压电解电容又长期不拔电源插头,估计是高压电解电容先坏,继而损坏电源IC及其他元件。
本帖最后由 热心助人 于 2025-10-15 10:57 编辑
谢谢!现在国内这方面的渠道漏洞太大。不过,什么事情也是有利有弊,没有这些发财电容,现在的家维人员挣钱更难了。可能这也是国家相关部门不狠打的原因之一吧。
现在很多电器厂家的设计生产理念是“计划报废”,只要能撑过一年的保修期厂家就没事了,坏了换新的,GDP往上涨,大品牌小米大屏幕液晶电视也只承诺保修一年,以前保修期还有一到三年,是不是厂家对自己的产品缺乏信心?
在“计划报废”原则下,制造成本能省就省,才会出现铝线电机变压器、背光灯条不耐用、液晶屏几年就坏的情况。
由于电器越做越便宜,人民币不断贬值(听阿姨讲拿一块钱买小葱人家还不一定肯卖),修理人工费不断提高,虽用户会来问或拿来维修,但一问价很多就退却,结果很多是师傅们白费功夫还挣不到钱,最后这些电器就成垃圾,由于选用了不耐用元件和材料做电器,省那么一点成本,结果却造成更大的资源浪费和垃圾围城。
像本楼主修的这个劣质充电器,可能买个新的也就几十元,如果是开店收费的师傅愿修吗?收费了用户愿修吗?倒是不收费的亲戚朋友倒贴钱也得修。
上述修的刀架和消毒柜,我都特意去淘宝买了各10只电源芯片。
确实如此。计划报废,还有道理:厂里不生产东西,工人怎么养活?其实,转了一大圈,还是自己养活自己。很多事情,大家都是在做无用功。
有了淘宝和互联网,加之现在人的工科知识程度也在提高,维修活确实很难做。一般电器坏了,网上查一下,再去买点备件,自己就更换了。很多用户素质不高,一看问题没解决,就叫师傅,套师傅的话,让师傅白跑。不过师傅也不傻,上过一次当,以后就没真话了。现在修空调,只要是电路板的问题,师傅都是换板,没有元件级维修的。省时省事,挣钱还快。送到店里的东西,都是让先放着,明天或后天来拿,没有当面维修的。店大的,拿到楼上或后面去修。
现在的厂也坏。明明是自己的程序有问题,也是让换板。让客户为自己的bug买单。即使是像西门子、樱花这样的品牌,也是如此。
在资本的把持下,很多事情老百姓一直被压着。例如,燃气设备,不管实际使用了几次、也不管是什么价格的产品,过了8年就得换。还是国家规定。背后的原因,其实都能看明白。
不过,一元钱抓葱的事,得看季节。冬季葱少,价格贵。现在这个季节,2毛钱肯定能抓。
本帖最后由 打破沙锅问到底 于 2025-10-15 21:24 编辑
还是老的电器好,我电脑旁八十年代初买的14”五羊牌台扇用了四十多年还在用,前几天偶尔出现自改的微风档(电容并联消磁电阻)不启动,轴承缺油了,以前生产的这种风扇铝壳电机前后轴承有设计小漏斗,加点油又能微风档启动了,一般每两年加一次油,估计这电机用到我死都不坏,现在的风扇电容经常遇到容量大幅衰退,故想测一下这个用了四十几年的1.2UF铁壳油浸电容看看容量衰减多少,特意焊开一线测容量,只减少一点点。1987年买的威力牌双桶洗衣机也用了三十二年才换全自动的。1992年买的三角牌(后来改名万和牌)燃气热水器和康宝牌琴键机械开关式消毒碗柜用了也三十几年现还在用,以前我有四个大的液化石油气钢瓶,其中两个备用,保证气用完立即有得更换,气价夏天较便宜冬天较贵,每年冬至前就备两瓶,准备用到春节后,避开春节期间气贵,四个气瓶轮着用,每个气瓶一年只充一到两次气,比开饮食店的一个钢瓶一年充三百多次新多了,后来严格过期不让充,不得已买新瓶将热水器和炉连一起用一个钢瓶,再买一新瓶当备用,近年平时只有俩老生活,高压锅加电磁炉煮顿饭定时7分钟,气炉煎炒,微波炉短时加热用,两个钢瓶轮流用,每个钢瓶每年充气两三次,到过期不让充时还很新。
我这南海之滨冬天最低气温也在零上,对蔬菜种植影响不大,影响大的是春夏秋的台风和暴雨,随着人民币不断贬值,我们这一元钱抓葱不愿卖应是平时也这样,我老婆曾去买两元葱,人家就给两根,我们这基本见不到毛角票,你那2毛钱肯定能抓葱真羡慕!
东北物价多便宜,给馆长看懵逼了!
https://www.bilibili.com/video/BV1bUpnzSEf5/?spm_id_from=888.80997.embed_other.whitelist&t=4.918583&bvid=BV1bUpnzSEf5&vd_source=20ffd25dd988f492accf46eb63bea121
大爷:在我们东北还有毛的单位呢
粉丝:8毛 那这么便宜咋不买呢
大爷:你不知道 傻孩子一会散市了就5毛了
南方挣钱东北花,一个硬币能换仨,攒住钱还能盖新家,日子过得顶呱呱!
大爷:瓜多少钱一斤哪
女摊主:那个 10块钱3斤 这个佳木斯瓜可甜了
大爷:打个5折 10块钱6斤行吗
女摊主:10块钱6斤 那赔的裤衩都穿不上 光腚站着卖是咋的
大爷:那甜不甜呢
女摊主:吃一个瓜喝一提矿泉水 你说甜啥样吧 都干瓤
大爷粉丝:那么多卖瓜的 你不买咋就买她的呢
大爷:她漂亮
问了每天上市场买菜的阿姨,我们这一根玉米多少钱,她说3块钱。
我们这毛币已基本消失,曾买2块钱小葱,人家只给2根: