找回密码
 请使用中文注册
查看: 7|回复: 0

格力四代多联机故障代码大全(收藏)

[复制链接]
阅读字号:

1625

主题

58

回帖

3万

积分

超级版主

积分
32900
发表于 2 小时前 | 显示全部楼层 |阅读模式

马上注册,结交更多好友,享用更多功能,让你轻松玩转社区。

您需要 登录 才可以下载或查看,没有账号?请使用中文注册

×
最近收到多人咨询格力四代机故障,四代机在市场上的保有量在逐年下降,很多项目开始更换新设备或者流入二手市场。有一些人第一次接触格力的四代多联机,反而不知道如何去查询故障代码,也没有维修资料可以参考,今天整理了一份格力四代家用和商用多联机的故障代码表,供你参考学习使用。


5eef6cf8cbe9954c4f937195cc48cc7b.png
◆格力四代上出风直流变频多联外机(485 通讯)代码表

d3e330a5e59caa7c72ca1d86b3b387ae.png
e1ac8e3f2f4c69d1facdc0af189f9d52.png
格力四代直流变频多联内机(485 通讯)代码表

f95d2e2463078fd2a5dab8d87ffe5b9f.png

b2ce452e98e02f52f433515eb8dba43f.png
格力四代L 系列直流变频侧出风家用多联机代码表

fb09fe29911ed0a5f43c92fd54c2d10b.png

935c1181cc62f47bd97a9135da64cd5c.png
bca43efc7942c859901333453c07479a.png
格力四代多联机(485 通讯)内机灯闪对照表

a171f88fbad751f334e4f530e1597798.png

f7bf7375d47ccfa21768fd5c5ba47244.png
8036ed579e3287cbba5d0682cd0669da.png

7c67059bf2319f95e81dfb5c03fb4e5a.png

7e20b33feadded289d7970955e02489c.png
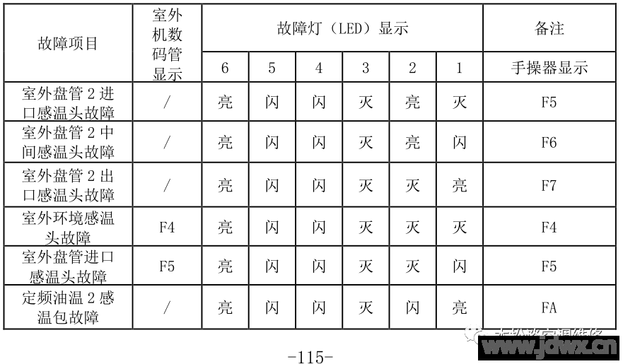
格力四代多联机(5 485 通讯)外机主控板灯闪对照表

26e99e4538531ecd28276584a00d739b.png

2b964d8812525760af80b362e7c1bc79.png
f84b41a17d5bdd19d0eafe028461858e.png
eee889759706b82ea883d0ef21a96232.png
7ac198ef757adb06f178f76b5d6df145.png
格力GMV 4系列多联机外机( 485 通讯)主控板灯闪对照表(续上表)

78e5113f12afa3d915f68178f34a7274.png
199e887cc5ba1e970d9e38e0e0d029ce.png

cb0ef7a2631f066e3af866fd40146a07.png
449f4b842919572619ea5a4f4b8cdc27.png

c329ecb2d9d7d1897f04f11b18c92f8c.png
21824115320525edb513c296833952eb.png
格力四代多联机(5 485 通讯)外机风机、压机驱动板灯闪对照表

b97c75f7052a837066d79fba8b66ab4e.png

5e655561030c117601fc4eae68dc34df.png
1c62a0baabf9ae6151a773851e6af19c.png
您需要登录后才可以回帖 登录 | 请使用中文注册

本版积分规则

QQ|Archiver|手机版|家电维修论坛 ( 蜀ICP备19011473号-4 川公网安备51102502000164号 )

GMT+8, 2026-1-25 12:04 , Processed in 0.231372 second(s), 24 queries .

Powered by Discuz! X3.5

© 2001-2026 Discuz! Team.

快速回复 返回顶部 返回列表