打破沙锅问到底 发表于 2025-10-16 20:20
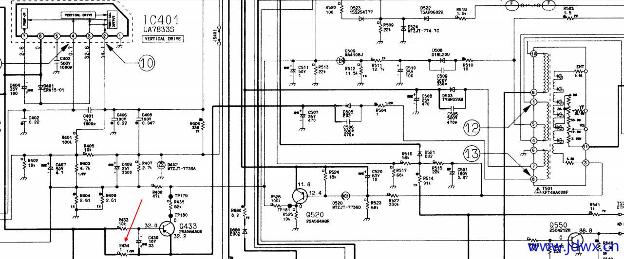
现在很多贴片电阻上不标阻值,有的标法根本无法直接读值,如标88B、47B等,还有有的五环电阻的头尾环不好识 ...
滨州疯人 发表于 2025-10-18 09:04
我通常只看第一环,然后用表测一下
打破沙锅问到底 发表于 2025-10-18 10:06
假设第一环是棕色,经分析怀疑可能是该电阻阻值变大引起的故障,你不读完其他二到三环的颜色,又怎么判断 ...
滨州疯人 发表于 2025-10-18 15:25
在线测量通常小与或等于第一色环,如果大于第一环,就怀疑此电阻有问题,然后再拆下测量。 ...

打破沙锅问到底 发表于 2025-10-18 17:14
过流保护电路的电流取样电阻往往只有1欧,如果该电阻阻值变大到1.8~1.9欧,你测量时没超过第一环棕色的1 ...


滨州疯人 发表于 2025-10-20 08:09
特别部位特别对待,就像砂锅只适合炖菜的道理一样

全新电阻识别软件.rar (392.39 KB)
|Archiver|手机版|家电维修论坛
( 蜀ICP备19011473号-4 川公网安备51102502000164号 )
GMT+8, 2025-12-8 05:44 , Processed in 0.155709 second(s), 15 queries .
Powered by Discuz! X3.5
© 2001-2025 Discuz! Team.