找回密码
 请使用中文注册
查看: 13|回复: 0

电路防倒灌设计---双pmos防倒灌

[复制链接]
阅读字号:

1644

主题

60

回帖

3万

积分

超级版主

积分
33250
发表于 2 小时前 | 显示全部楼层 |阅读模式

马上注册,结交更多好友,享用更多功能,让你轻松玩转社区。

您需要 登录 才可以下载或查看,没有账号?请使用中文注册

×
什么是倒灌

        当输出电压高于输入电压时,电流会从输出流向输入。

👆查看更多目录👆二极管串联防反接电路
e49a31ff8346b3d2569130bb5ff8c0d9.png



a5c8d492041c632bd2e3e4c26407ae1b.png


倒灌时二极管截止。


7a00074422c338e5ee735d0a79cc1696.png

不过二极管有0.7V的导通压降,大电流经过时会发热,功率较高,一般选用肖特基二极管以降低导通压降,同时要考虑反向电压。


7bfc4238384e23c64bb3f19fbc7bdfeb.png


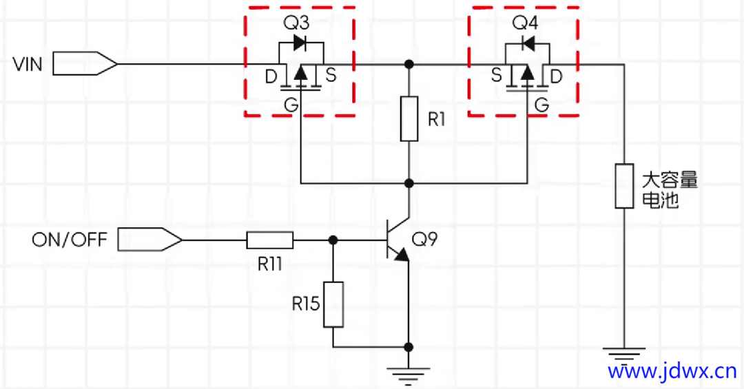
重点来了!使用双mos防倒灌电路。

正常上电时,栅极G和源极S电压满足导通条件,PMOS管导通,电路正常供电。


49431a8dedc4fa638e17affa1214053f.png


倒灌情况时,MOS管截止。


fb459f30b18dc25772341a88004d2e02.png
453138a2469c9bbf72b6cc0b77dd079d.png 实际应用例子
5a66649edeb389c4daa70acac7421882.png

可以看到两个PMOS,Q8的D接着CN2输入电压端口。符合双MOS防倒灌电路.

您需要登录后才可以回帖 登录 | 请使用中文注册

本版积分规则

QQ|Archiver|手机版|家电维修论坛 ( 蜀ICP备19011473号-4 川公网安备51102502000164号 )

GMT+8, 2026-2-4 18:36 , Processed in 0.262779 second(s), 24 queries .

Powered by Discuz! X3.5

© 2001-2026 Discuz! Team.

快速回复 返回顶部 返回列表