找回密码
 请使用中文注册
《家电维修》技术论坛 首页 小家电维修
订阅

小家电维修

杂牌电压力煲有时无法正常工作的检修思路
杂牌电压力煲有时无法正常工作的检修思路
收到同行送来的故障机壹台杂牌电压力煲,有时正常,有时不正常。电路参见图1,将AC300V电压表接在D、C两点上,测试发现煲中心温控器内部接触不良,将其换新后故障机修到这里,终于修好值得探讨。。 ...
2023-5-14 11:30
美的电压力煲煮饭口感很硬的调节
美的电压力煲煮饭口感很硬的调节
收到同行送来的故障机壹台美的电压力煲,客户说煲饭比较硬,口感不佳,拆机,将高压温控器反时针拧半圈后试机,并微调高压温控器,直到锅内压力稳定,故障机修到这里,终于修好值得探讨。。 ...
2023-5-14 11:30
奔腾PPM541电压力煲煮饭焦糊的检修思路
奔腾PPM541电压力煲煮饭焦糊的检修思路
收到同行送来的故障机壹台奔腾PPM541型电压力煲,一直加热不停,饭烧焦,该机的电路连接如图1所示。根据食材通过电子钟选择加热时间,当高压温控器中的弹簧片检测到煲内压力达到0.7kPa时,触点跳开,发热盘断电,这时 ...
2023-5-14 11:30
美的微波炉不能加热
家电维修社欢迎你!先断dianyuan电源,打开箱盖,给高压电容放电,用万用表电阻档测电容、高压二极管、磁控管 、高压变压器都是好的,当测高压保险断,换个高压保险后,开机工作正常。友情提示,文章来自互联网收集 ...
2023-5-14 11:30
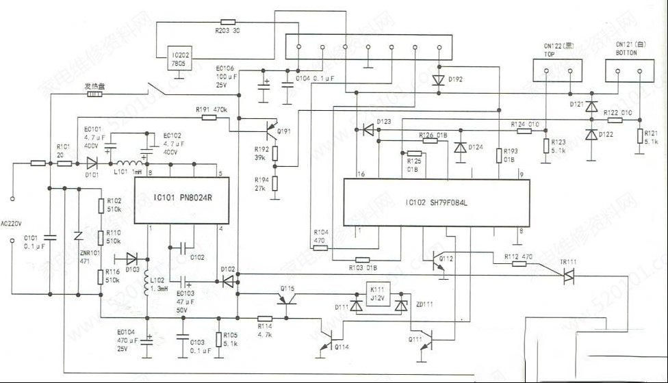
美的MB-WFS4017TM电饭锅电源板的工作原理和检修思路
美的MB-WFS4017TM电饭锅电源板的工作原理和检修思路
美的MB-WFS4017TM电饭锅的电源板上有两块芯片,IC101是电源芯片,型号是PN8024R;IC102是单片机,型号是SH79F084L,实绘电路如图1所示。交流220V电压经R101和D101整流,EC101、L101、EC102滤波后得到约30 ...
2023-5-14 11:30
滚筒洗衣机电机调速原理与检修思路
滚筒洗衣机电机调速原理与检修思路
前言:传统滚筒洗衣机只有洗涤(低速正、反转)和脱水(高速甩千)两种转速,采用双速电动机就可满足需求。近年来,随着科学技术特别是微处理器芯片技术的快速发展和普及,很多新型滚筒洗衣机都具有两种以 ...
2023-5-14 11:30
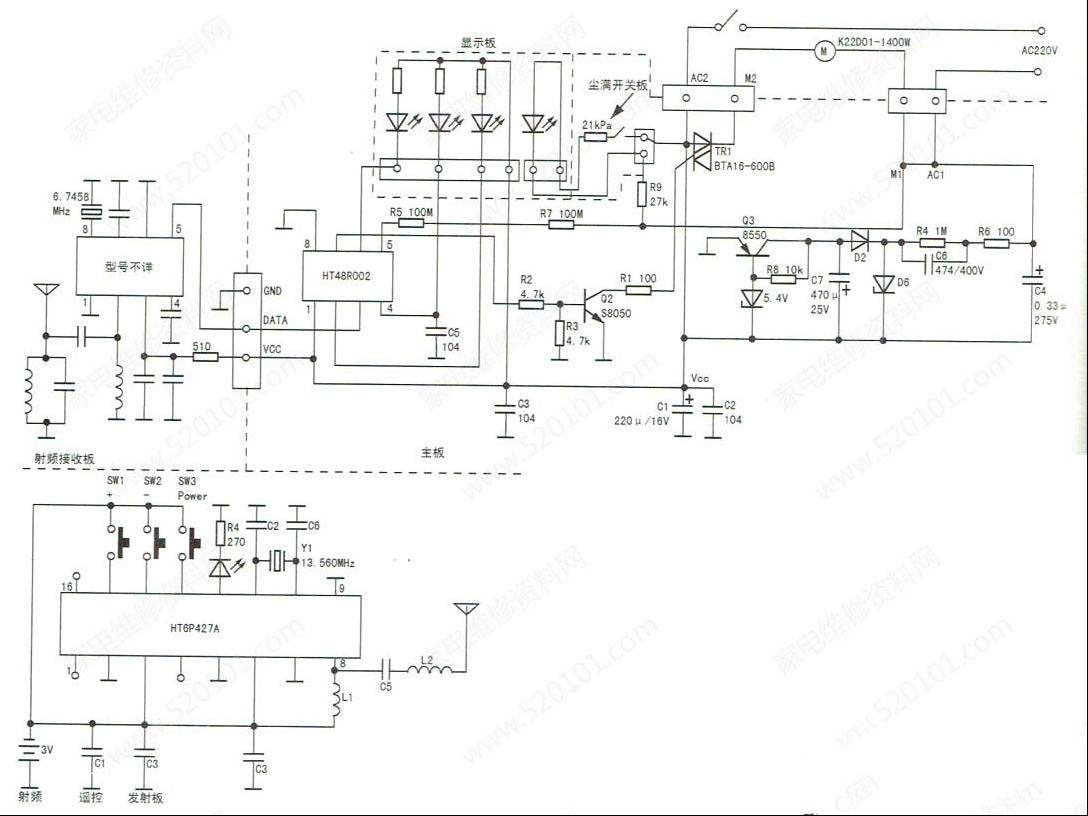
美的VC16C4-RG吸尘器通电立即转动并有焦糊味的检修思路
美的VC16C4-RG吸尘器通电立即转动并有焦糊味的检修思路
收到同行送来的故障机壹台美的VC16C4-RG型吸尘器,故障表现为是上电后电机立即转动,并发出浓烈的烧焦气味;操作手柄上的“开/关机”、“电机功率加/减"按键时,电机均无相应变化。拆开外壳,查出主板上可控硅TR1已击穿,使得 ...
2023-5-14 11:30
美的NDK18-09A取暖器档位开关损坏的检修思路
美的NDK18-09A取暖器档位开关损坏的检修思路
收到同行送来的故障机壹台美的NDK18-09A取暖器,故障是挡位开关损坏,该取暖器实测电路如图1所示,220V电压先经过温度调节开关(通过调整双金属片的灵敏度,控制与双金属片联动的开关,在达到设定温度时跳开)、倾斜开关( ...
2023-5-14 11:30
舒华SH-5155跑步机不通电的检修思路
舒华SH-5155跑步机不通电的检修思路
收到同行送来的故障机壹台舒华SH-5155型跑步机不通电,拆机检查,控制板上元件无异常。顺着交流电源进线检查,发现连接一小型变压器,这说明主板低压供电由该变压器提供。该变压器次级有两组电压输出,一组为AC10V,另一 ...
2023-5-14 11:30
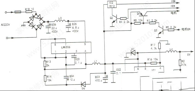
惠而浦WA-4001FK空气净化器通电不开机的检修思路
惠而浦WA-4001FK空气净化器通电不开机的检修思路
收到同行送来的故障机壹台惠而浦WA-4001FK空气净化器,上电后面板不亮,无法开机。实绘该机电源电路如图1所示,220V交流电经桥式整流与EC6、L3、EC5滤波后,由LNK306组成的开关电源产生一组16V直流电压,R14和R13是稳压 ...
2023-5-14 11:30
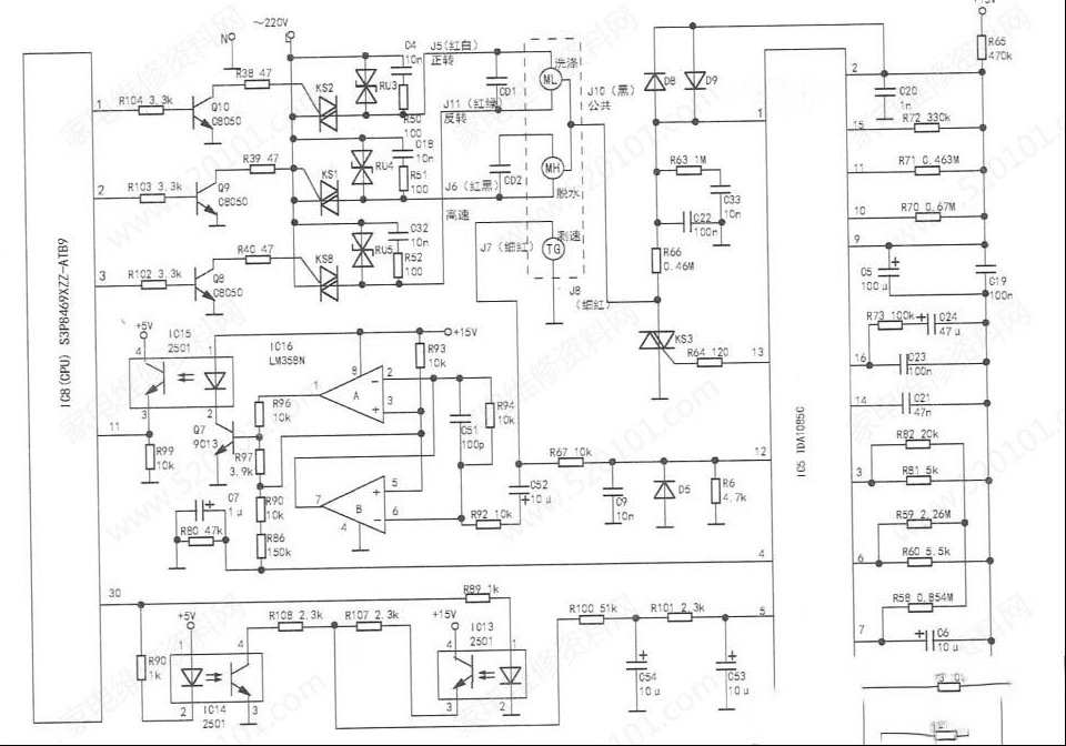
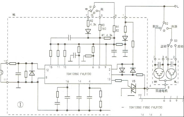
海尔XQG50-S606滚筒洗衣机调速控制电路分析与检修思路
海尔XQG50-S606滚筒洗衣机调速控制电路分析与检修思路
海尔XQG50-S606全自动滚筒洗衣机采用双速电动机拖动和同步电机测速技术,微处理器(CPUJ)IC8 的型号为S3P8469XZZ-ATB9 ,调速控制集成电路IC5的型号为TDA1085C。根据电路板实物测绘的电动机调速控制有关 ...
2023-5-14 11:29
小天鹅TB60-3088IDCL(S)变频洗衣机显示C8故障代码的检修
小天鹅TB60-3088IDCL(S)变频洗衣机显示C8故障代码的检修
收到同行送来的故障机壹台小天鹅TB60-3088IDCL(S )型变频洗衣机,开机后显示故障代码“C8”。首先检查连接线、插头,没有发现异常。查阅资料, "C8"表示通讯故障,即电脑板在5S内没收到驱动板的反馈信号,多为驱动板故障 ...
2023-5-14 11:29
水仙XQB30-23全自动洗衣机欠压和过流保护电路原理与检修思路
水仙XQB30-23全自动洗衣机欠压和过流保护电路原理与检修思路
水仙XQB30-23型全自动洗衣机控制电路以单片微型计算机芯片MCS8049(CPU)为核心组成,该机设有欠压保护和过流保护电路(普通全自动洗衣机一般不设保护电路), 使得其工作更加可靠。保护电路原理如图1所示。 ...
2023-5-14 11:29
东芝RC-DU10WA IH电饭煲技术特点结构与检修思路
东芝RC-DU10WA IH电饭煲技术特点结构与检修思路
近些年,很多朋友喜欢买日本进口电饭煲,日本电饭煲做饭香好吃 ,而且还特别耐用 ,但是日本的电饭煲价格并不便宜,收到其他维修同行的一台IH型智能电饭煲售价大约在3千~3万元人民币,具体依产品级别而定。笔者近期维修了 ...
2023-5-14 11:29
泰昌TC-9057智能足浴盆不加热的检修思路
收到同行送来的故障机壹台泰昌TC-9057智能型足浴盆,倒入水后上电,显示屏显示“OFF" ,按下“智能启动键”,显示屏显示水温,同时加热和冲浪指示灯亮,当显示屏显示的温度超过设定的42°C时,盆底滚轮开始转动,但用手 ...
2023-5-14 11:29

QQ|Archiver|手机版|家电维修论坛 ( 蜀ICP备19011473号-4 川公网安备51102502000164号 )

GMT+8, 2025-11-12 03:07 , Processed in 0.115734 second(s), 8 queries .

Powered by Discuz! X3.5

© 2001-2025 Discuz! Team.

返回顶部