找回密码
 请使用中文注册
《家电维修》技术论坛 首页 小家电维修
订阅

小家电维修

凯爵KB-02破壁机显示E2代码的检修思路
凯爵KB-02破壁机显示E2代码的检修思路
收到其他维修同行的一台凯爵KB-02型破壁机,通电后按“干磨”键,屏显“E2"代码,机器不运转。拆开底座,检查电路板,未发现异常。取下破壁机上段的玻璃壶,看到与底座相连的6脚插头,如图1所示。 查看该插头的连 ...
2023-5-22 18:17
荣事达XQB90-1Roy全自动洗衣机显示E2代码
荣事达XQB90-1Roy全自动洗衣机显示E2代码
收到同行送来的故障机壹台荣事达XQB90-1Roy型全自动波轮洗衣机,不脱水,面板显示"E2"”。查询该机故障代码,“E2”表示洗衣机门盖没盖好。检查门盖开合情况正常,怀疑安全开关有问题。打开盖板,发现安全开关的一根接插 ...
2023-5-22 18:17
宝尔玛XQB100-1086全自动不进水的检修思路
收到同行送来的故障机壹台宝尔玛XQB100-1086型全自动波轮洗衣机,开机后不进水。通电测试机子,进水电磁阀没有动作的声音。断电,测量进水电磁阀的线圈阻值为无穷大(正常阻值应为4.8kΩ~5kΩ),判断进水电磁阀损坏将其换新后 ...
2023-5-22 18:17
小天鹅XQB98-9828全自动洗衣机不洗涤的维修
收到同行送来的故障机壹台小天鹅XQB98-9828型全自动波轮洗衣机,不洗涤。通电测试机子,洗衣机桶内的水已满仍不洗涤。断电,检查水位传感器的连接软管,没有漏气现象。向水位传感器吹气,洗涤正常,说明水位传感器有故障, ...
2023-5-22 18:17
荣事达XQB90-1RSDD全自动洗衣机显示E2代码
收到同行送来的故障机壹台荣事达XQB90-1RSDD型全自动波轮洗衣机,上电后面板显示“E2”代码。打开洗衣机的上盖板,发现安全开关水位传感器、上水电磁阀上的连线全被老鼠咬断。连接好咬坏的线路后通电测试机子,故障依旧。再 ...
2023-5-22 18:17
长虹XQB100-1088双动力波轮洗衣机噪音大的维修
收到同行送来的故障机壹台长虹XQB100-1088型双动力全自动波轮洗衣机,脱水噪音大。通电试机,脱水时离合器发出刺耳的噪音,判断离合器损坏。更换离合器后试机,故障机修到这里,终于修好值得探讨。。 ...
2023-5-22 18:17
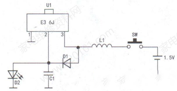
派力德GL-037-77手电筒不亮的检修思路
派力德GL-037-77手电筒不亮的检修思路
一只派力德GL-037-77型手电筒,闭合开关后不亮。该手电筒的实测电路如图1所示,贴片芯片U1的丝印号为E3 6J,根据电路分析,其作用应该是升压,即将单节电池电压升压后供给白光LED。实测u1①脚、③脚间阻值 ...
2023-5-22 18:17
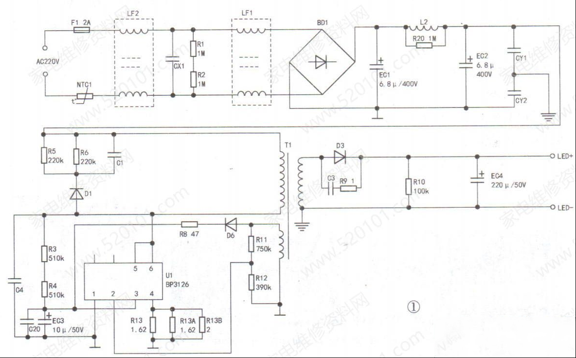
欧普LED集成吊顶灯不亮的检修思路
欧普LED集成吊顶灯不亮的检修思路
最近有一盏欧普LED集成吊顶灯,通电后灯不亮。该灯的恒流源采用高精度原边反馈LED恒流控制芯片BP3126(U1),其实绘电路如图1所示。 AC220V市电经BD1桥式整流,再经由EC1、L2、EC2组成的Π型滤 ...
2023-5-22 18:17
夏新AP-D58多功能豆浆机漏电的检修思路
夏新AP-D58多功能豆浆机漏电的检修思路
收到同行送来的故障机壹台夏新AP-D58多功能豆浆机,只要接通该机电源,室内的漏电保护器就跳闸。上述故障表现为说明豆浆机的外壳漏电,于是重点检查电热管和搅拌电机。拆下豆浆机机头螺丝,使装有按键和线路板的上半盒 ...
2023-5-22 18:17
脉博士电子血压计气泵不工作的检修思路
脉博士电子血压计气泵不工作的检修思路
收到其他维修同行的一台脉博士电子血压计,上电启动后,液晶屏上显示的压力值一直 为“0" ,同时也听不到机内气泵转动的声音。这类电子血压计正常工作时,气泵先启动,给袖带充气,当充气到设定值时,再自动慢慢放气,最 ...
2023-5-22 18:17
夏新电磁茶艺炉出现E0代码不烧水的检修思路
夏新电磁茶艺炉出现E0代码不烧水的检修思路
收到同行送来的故障机壹台夏新双炉电磁茶艺炉,开机后数码管显示"E0"代码,机器不加热,但触摸抽水键时抽水泵工作正常。故障原因分析:查询该机故障代码表,“E0"表示内部电路故障。拆机加电测量,+300V、+18V、+5V电压均正 ...
2023-5-22 18:17
苏泊尔DJ12B-M01/03真磨豆浆机常见的检修思路
苏泊尔DJ12B-M01/03真磨豆浆机常见的检修思路
苏泊尔DJ12B - M01/03真磨豆浆机,这两个型号的电路是相同的,仅外观及功能有所差异。这两种型号豆浆机的常见故障如下,供参考。 故障表现为1:上电后显示屏左边的所有灯全亮,“清洗”指示灯闪 ...
2023-5-22 18:17
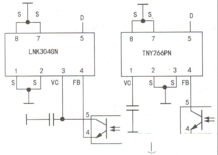
代换LN304GN电源芯片修复西门子XQG56-10M368滚筒洗衣机
代换LN304GN电源芯片修复西门子XQG56-10M368滚筒洗衣机
收到同行送来的故障机壹台西门子XQG56-10M368滚筒洗衣机,上电后面板指示灯不亮,整机无反应。该机电源板上的副电源芯片LNK304GN易烧坏,并连带烧坏供电电路中的R71(100Ω/2W),相关电路详见《家电维修》杂志2016年12期 ...
2023-5-22 18:17
飞毛腿SC-537A多功能充电器充不满电
  1.该充电器出现充不满电的现象。刚装入已用疲的锂电池充电,LED2闪烁,充电正常,但充电时间明显缩短,在手机上用的时问明显短了许多。后来在充电结束时,试来回扳动一下极性切换开关K,LED2又闪烁起来。但只闪 ...
2023-5-14 12:25
电动车的控制器损坏
  收到故障机数台控制器损坏的电动车,发现大部分都是将刹车断电线甩开造成的。本例就足州户自己调整刹车线或更换闸把时。  由于不了解刹车线的重要用途。随意将刹车线甩开,岂不知这样的话,在紧急刹车时不能及时断电 ...
2023-5-14 12:25

QQ|Archiver|手机版|家电维修论坛 ( 蜀ICP备19011473号-4 川公网安备51102502000164号 )

GMT+8, 2026-1-10 15:47 , Processed in 0.122784 second(s), 7 queries .

Powered by Discuz! X3.5

© 2001-2025 Discuz! Team.

返回顶部