找回密码
 请使用中文注册
《家电维修》技术论坛 首页 小家电维修
订阅

小家电维修

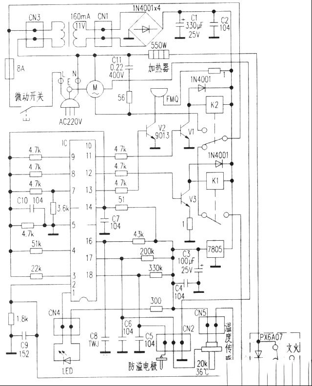
康宝ZTP80A-2消毒柜电路原理与维修
康宝ZTP80A-2消毒柜电路原理与维修
康宝ZTP80A-2食具消毒柜为立式双室结构,上层消毒室用臭氧方式消毒,下层消毒室用远红外高温方式消毒。 一、电路工作原理 按实物绘出的电路图如上图所示,图中虚线框内为臭氧发生器,元件编号为 ...
2023-5-14 09:18
格兰仕WD-750BS微波炉不加热故障
故障检修:收到其他维修同行的一台格兰仕WD-750BS微波炉,开机后程序运行正常,照明、风扇、转盘、烘烤等工作均正常,但微波不能加热。 故障检查:判断可能为微波加热部分有故障,其他部分正常。拆开微波炉上盖,并对高压电容放 ...
2023-5-14 09:18
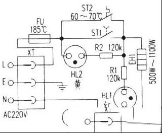
家用保温式自动电饭锅电路原理分析
家用保温式自动电饭锅电路原理分析
普及率最高的保温式自动电饭锅(如图1、图2、图3所示的三种电饭锅),其电路基本相同,均采用磁钢限温开关控制煮饭。 一、电路工作原理 1、图1为采用双金属片保温器(ST2)的自动电饭锅。先将电饭 ...
2023-5-14 09:18
卡莉娜GD-002早餐吧电路原理与维修
卡莉娜GD-002早餐吧电路原理与维修
广东东莞产的GD-002三合一早餐吧的结构、用途和功能,本文根据实物绘出电路原理如下图所示。 一、电路原理 1、电咖啡壶是一种滴漏式电咖啡机,向水箱注入规定水量,将咖啡粉或茶叶放入漏斗里, ...
2023-5-14 09:18
华帝燃气灶点火困难故障检修
故障表现为:笔者收到同行送来的故障机壹台华帝燃气灶,其中有一个燃盘点燃困难,且经常自动熄火。 故障检修:仔细检查发现是燃气灶熄火保护装置误动作造成的。目前,燃气灶熄火保护方式主要有热电偶式、光电式、热敏式和离子感应 ...
2023-5-14 09:18
九阳JYDZ-21豆浆机不工作且不打浆
九阳JYDZ-21豆浆机不工作且不打浆
故障表现为:水烧开了仍不打浆。九阳JYDZ-21豆浆机工作原理与该系列JYDZ-16/16S型基本相同,不同之处是JYDZ-16/16S系列型号有“文火熬煮”,而JYDZ-21型则无此功能。 故障检修:打开机头查看,发现C11爆裂,用0. ...
2023-5-14 09:18
微波炉故障检测与维修技巧
微波炉故障检测与维修技巧
一、微波炉常用器件的测量和检修 1.高压电容 高压电容标称1uF±30%,耐压2100V。检查高压电容前,为防电击伤人,必须将电容放电。安全放电法:用220V灯泡从灯头引出两根导线,碰触电容两极, ...
2023-5-14 09:18
格兰仕WD750ASL23微波炉通电后显示屏不亮,按键均无效
格兰仕WD750ASL23微波炉通电后显示屏不亮,按键均无效
故障表现为:该微波炉通电后显示屏不亮,所有功能键均无效。 故障检修:先检查微波炉中的各接插件、门开关正常。检查电脑控制板上的电源部分,变压器初级开路。小心拆开初级绕组绝缘层,测绕组内温度保险完好, ...
2023-5-14 09:18
格兰仕WD750ASL23微波炉未到设定时间就自动停止工作
格兰仕WD750ASL23微波炉未到设定时间就自动停止工作
故障表现为:设定烘烤时间,按下启动按键后微波炉能正常工作,但未到设定时间就自动停止工作。此时屏幕无显示或显示混乱。所有功能键均无效。 故障检修:先检查微波炉中的各接插件、门开关正常。由于无显示,应 ...
2023-5-14 09:18
金龙CPT8A自动抽油烟机工作原理与维修
金龙CPT8A自动抽油烟机除具有手动开、关机功能外,平时可以处在监控状态,当可燃气体泄漏达到一定浓度时就会发生蜂鸣报警,并自动接通抽油烟机进行抽排可燃气体至室外。 一、电路原理 手 ...
2023-5-14 09:18
微波炉重要元器件检测数据与常见故障排除
一、元器件的检测数据 1.磁控管:灯丝引出端子正反向电阻相等且小于1Ω,此值越小说明磁控管发射能力越好。大干1Ω说明严重衰老。灯丝端子对外壳电阻应无穷大。 2.电源变压器:用万用表R×1挡测量,初 ...
2023-5-14 09:17
恒联食品搅拌机电路原理分析与检修
恒联食品搅拌机电路原理分析与检修
恒联食品搅拌机集和面、拌馅、打蛋液等多种功能于一体。现将该搅拌机电路图画出,本文仅供维修人员参考。接通电源,220V市电经熔断器FU分两路,一路直接经继电器K1的常开接点K1-1、K1-2为搅拌电机M供 ...
2023-5-14 09:17
微波炉加热缓慢的原因故障分析
波炉加热缓慢,故障原因通常有3种,一是磁控管衰老导致发射的微波功率下降;二是高压电容失容或漏电;三是高压整流二极管正向电阻增大(一般为100k左右)或反向电阻减小(正常无穷大)。 以上 ...
2023-5-14 09:17
尚朋堂SC-1253电饭煲电路原理及故障检修
尚朋堂SC-1253电饭煲电路原理及故障检修
佛山产尚朋堂SC-1253电饭煲,外观新颖工作可靠,采用单片机控制。笔者在维修的基础上,根据实物绘制出该型电饭煲电路原理图(如图1所示),并在待机状况下,用DT9205型数字万用表测得HT46R47集成块各脚 ...
2023-5-14 09:17
安宝路MB-23微波炉电路原理与故障检修
安宝路MB-23微波炉电路原理与故障检修
微波炉整机电路接线图如图1所示;电脑控制板电路图如图2所示。电脑控制板主要由低压电源电路、门控电路、功能控制电路、超温保护电路、复位电路、振荡(时钟)电路、显示电路等几部分组成。本文重点介绍该 ...
2023-5-14 09:17

QQ|Archiver|手机版|家电维修论坛 ( 蜀ICP备19011473号-4 川公网安备51102502000164号 )

GMT+8, 2025-11-12 09:37 , Processed in 0.126603 second(s), 8 queries .

Powered by Discuz! X3.5

© 2001-2025 Discuz! Team.

返回顶部