找回密码
 请使用中文注册
《家电维修》技术论坛 首页 小家电维修
订阅

小家电维修

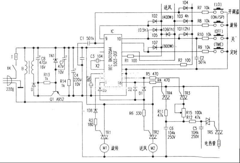
胜风电脑型石英暖炉电路及维修
胜风电脑型石英暖炉电路及维修
胜风牌电脑石英暖炉系用微电脑控制的电热石英管取暖器,具有90°摇摆立体送风取暖;轻触开关换挡(400W、800W两挡)和定时断电(0.5~7.5小时15挡定时)功能。 一、电路原理 本文笔者根据实物绘 ...
2023-5-14 09:27
红外遥控电风扇的电路原理
红外遥控电风扇的电路原理
本文笔者介绍一种金功能红外遥控的电风扇电路,有正常风、自然风、睡眠风三种功能,控制自动摇头0.5 - 7.5小时的定时关闭功能,并且还有一个独立的夜间微光照明灯,制作容易,使用很方便。 一、电路 ...
2023-5-14 09:27
格力程控转页扇电路原理与维修
格力程控转页扇电路原理与维修
笔者写家电维修小编给大家分享这篇文章的时候,格力牌电脑程控转页扇有五个品种,即超薄台式KYTA-30A型,超薄落地式KYSI-30A型,新款台式KYTB-30A型,新款落地式KYSK-30A型,座台式KYZT-30A型等,外形不同,功能一致,使用 ...
2023-5-14 09:27
台扇可调速电机的修理
台扇可调速电机的修理
台扇电机一般是单相电容运转式,4极16槽,其调速方法采用定子绕组抽头式三挡调速,由于匝数多导线细,整个线圈又被绝缘漆所粘结,在拆线时很难辨认其接线规律。特别是调速线圈与启动线圈又是同槽同节 ...
2023-5-14 09:26
三氧消毒杀菌机的电路原理与维修
三氧消毒杀菌机的电路原理与维修
三氧消毒杀菌机因其低成本、高效率已广泛使用于医疗、药品制造、食品制造和家庭各领域,具有消毒、杀菌、防霉保鲜、除异臭味等优点,是替代紫外线消毒和化学药物熏蒸消毒的最佳产品。 一、杀菌原 ...
2023-5-14 09:26
威利宝PZ-1000饮水机电路原理与维修
威利宝PZ-1000饮水机电路原理与维修
威利宝PZ-1000万怡电热饮水机具有电泵抽水、自动加温、自动保温等功能。其电路见图。 一、工作原理 饮水机电路主要由加热电路和电泵电路组成。其中电泵直流电机由变压器降压后经二极 ...
2023-5-14 09:26
名钻电热水瓶电路原理与维修
名钻电热水瓶电路原理与维修
名钻牌700W电热水瓶具有自动加热、保温和气压、电泵两种出水方式及防干烧等特点。本文介绍该电热水瓶的电路原理及常见故障的检修思路。 一、电路原理 根据实物画出电路图如下图所示。由加热 ...
2023-5-14 09:26
电水壶的保护装置工作原理
电水壶的保护装置工作原理
本文笔者绘制了一款自动保护电水壶电路图(图1为结构示意图;图2为电路图)与目前市场上电水壶的显著区别在于以下几点: 1、当电水壶内没有注入水时(如图3a),浮球和阀片自重下垂,磁性开关与吸铁 ...
2023-5-14 09:26
格力KYSI-30B转页扇电路原理与维修
格力KYSI-30B转页扇电路原理与维修
格力牌KYSI-30B型数码显示转页扇具有三挡风速选择,有睡眠风、自然风、正常风风类选择;0.5 - 7.5小时定时关机选择;转页导风选择等功能,并采用强光数码管直接显示三挡风速和定时时间,用红、绿、 ...
2023-5-14 09:26
长城FS36-40电脑程控电风扇电路原理与维修
长城FS36-40电脑程控电风扇电路原理与维修
长城牌FS36-40多功能落地电风扇采用了微电脑技术,具有三风种、三风速及具有四种时司段定时关机功能。另外还有一个10W夜间照明灯,方便实用。 一、电路原理 FS36-40电脑程控电风扇 ...
2023-5-14 09:26
家庭水族箱电气系统原理分析
家庭水族箱电气系统原理分析
日常的功能完善的水族箱一般都配有多种电器,其配置如下图1所示。本文笔者对水族箱所配电器的原理和结构进行了剖析,现介绍给爱好者。 一、恒温器 控温方式有电子电路控制和双金属片控 ...
2023-5-14 09:26
安吉尔饮水机不制热的检修
安吉尔饮水机不制热的检修
《安吉尔饮水机不制热故障检修实例》一文的维修方法欠妥,因为ST2是不能自动复位的,必须手动复位,故不一定是ST2损坏。安吉尔YLR0.7-5-16TD冷热饮水机的热罐,安装了两个温控器如附图所示,一个是89 ...
2023-5-14 09:26
电热水瓶制热不好的检修思路
电热水瓶制热不好的检修思路
本文笔者收到其他维修同行的一台万宝牌PE-30型快速自动电热水瓶。使用几个月后发觉加热的水温只有60℃左右。 该型电热水瓶电路如下图所示。AC220V电压经开关SA、加热电热丝和温控器ST形成回路。合上SA后加热指示灯点 ...
2023-5-14 09:26
格力FGW-12远红外电暖器电路原理与维修
格力FGW-12远红外电暖器电路原理与维修
格力牌FGW-12远红外电暖器经济实惠的远红外电暖器采用远红外辐射加热技术,热量更易被物体所吸收,穿透力强,电热转换效率高,做到开机即暖,因而即使在空间较大、阴暗潮湿甚至室外使用,只要距离适 ...
2023-5-14 09:26
电热水瓶不出水检修思路
电热水瓶不出水检修思路
本文笔者收到同行送来的故障机壹台全自动电热水瓶,故障表现为为按下出水按钮后不出水。该热水瓶出水靠一个直流水泵将水泵出,电路简图(局部电路)如图1所示。根据故障表现为重点检查电机部分元器件,先在路静态检测四 ...
2023-5-14 09:26

QQ|Archiver|手机版|家电维修论坛 ( 蜀ICP备19011473号-4 川公网安备51102502000164号 )

GMT+8, 2025-11-12 18:31 , Processed in 0.133352 second(s), 8 queries .

Powered by Discuz! X3.5

© 2001-2025 Discuz! Team.

返回顶部