找回密码
 请使用中文注册
《家电维修》技术论坛 首页 小家电维修
订阅

小家电维修

格兰仕G80F23CN3XL-R6(R8)微波炉不加热的故障检修
格兰仕G80F23CN3XL-R6(R8)微波炉不加热的故障检修
一客户送来收到其他维修同行的一台格兰仕G80F23CN3XL-R6(R8)微波炉,说此微波炉不加热,通电试机操作按键显示各项都正常唯独不加热,测磁控管灯丝无电压,高压保险管是正常的未爆,随后测高压变压器初级无220V,拆主板发 ...
2023-5-14 09:32
美的EG823LC2-NA微波炉通电无显示检修思路
美的EG823LC2-NA微波炉通电无显示检修思路
收到同行送来的故障机壹台美的EG823LC2-NA微波炉,故障表现是无显示。拆开机器,经查E100电容4.7uF/400V有电,E101的没电,开关芯片LNK364PN之后12V/5V无直流电压跟换L101绕线电阻22.2K(原阻值开路)。更换之后机器正 ...
2023-5-14 09:31
苏泊尔CFXB40HC3-120电饭煲通电不显示检修思路
苏泊尔CFXB40HC3-120电饭煲通电不显示检修思路
收到同行送来的故障机壹台苏泊尔CFXB40HC3-12电磁电饭煲,客户诉说之前显示乱跳,有时还E6,插上电有火花闪,证明里面通电的;拆开检查有供电到显示板,估计是晶振问题,用尖刀刮掉覆盖晶振的胶之后试机正常,用玻璃胶 ...
2023-5-14 09:31
格兰仕G90F25CSLVⅢ-C2(G0)微波炉开机6秒显示E1
格兰仕G90F25CSLVⅢ-C2(G0)微波炉开机6秒显示E1
收到同行送来的故障机壹台格兰仕G90F25CSLVⅢ-C2(G0)微波炉,此机器开机启动后6秒显示E1,查阅了一下网上资料,众说纷纭,有的说磁控管坏,有的说变频板坏,按照先简后繁的维修原则,找了一个普通松下磁控管装上去 ...
2023-5-14 09:31
格兰仕G70F20CN1L-DG(S0)微波炉工作20秒后出现END
格兰仕G70F20CN1L-DG(S0)微波炉工作20秒后出现END
收到同行送来的故障机壹台格兰仕G70F20CN1L-DG(S0)微波炉,故障表现为是不加热,开机有微波震动声,风扇运行正常,按键触摸正常,光波杀菌正常,按了其他功能如“蒸排骨”有变压器工作的震动声,但不加热。开机约20秒后提 ...
2023-5-14 09:31
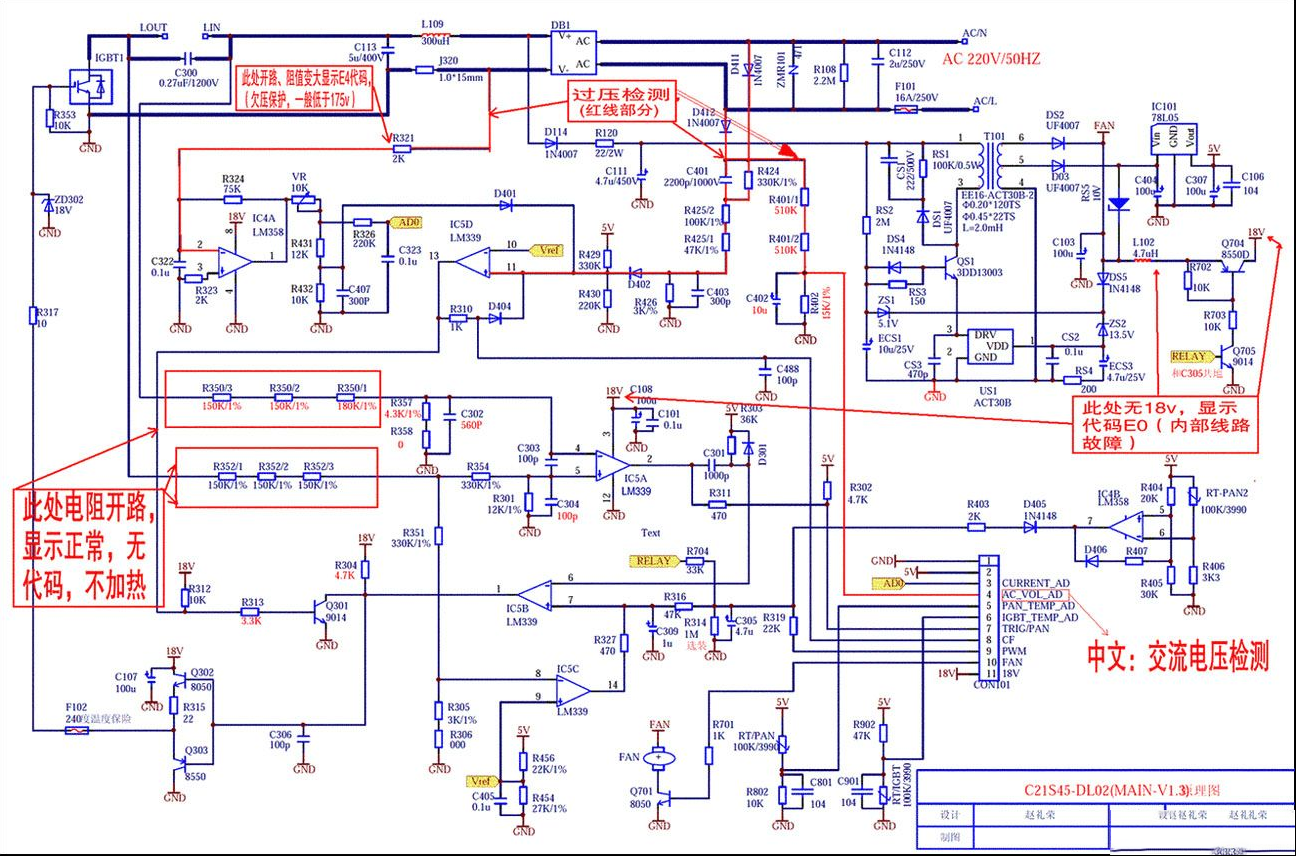
苏泊尔C21S50微波炉不加热的检修思路
苏泊尔C21S50微波炉不加热的检修思路
收到同行送来的故障机壹台苏泊尔C21S50微波炉,客户诉说好久没用了,通电试机,显示E0代码,不加热。拆开机器,发现好多引线和元件脚锈蚀了,然后逐个检查每个元件脚,检查到L102时(就是一引线),发现用镊子一碰就酥 ...
2023-5-14 09:31
美的MM721NG1-PW微波炉不加热且风机不转(图)
美的MM721NG1-PW微波炉不加热且风机不转(图)
收到其他维修同行的一台机器型号为MM721NG1-PW美的微波炉,故障表现为通电后照明灯能正常点亮,但是散热的风机不转,机器工作时无论调节那个档位的火力,都无法正常加热,且工作时的声音也不正常,过大噪音。 ...
2023-5-14 09:31
判断微波炉磁控管好坏的办法
判断微波炉磁控管好坏的办法
最近看到很多的维修朋友在修微波炉时,很少喜欢测量电压、电阻,在换磁控管前,首先用10K挡测量灯丝与外壳漏电不漏电,再测灯丝两脚间有无断路。然后上电开机,断电过几秒用机械万用表直流高压档2500 ...
2023-5-14 09:31
美的微波炉不通电检修思路过程
美的微波炉不通电检修思路过程
一用户拿来收到其他维修同行的一台美的微波炉,这个微波炉故障是不通电;拆开微波炉,发现没有高压保险,只有一个电源进线的保险,按照维修经验来看,炸保险一般是门开关三脚开关或者变压器、高压电容等器件,发现门开关 ...
2023-5-14 09:31
格兰仕变频微波炉电脑板显示“E-1”现象检测分析(图)
格兰仕变频微波炉电脑板显示“E-1”现象检测分析(图)
格兰仕变频微波炉,在电脑板上有一个自检程序,当变频板无法启动时,在显示屏上会显示“E-1”。但变频板无法启动的原因有很多种,请按以下的几种情况进行分析:1、确认门是否关好,即三个微动开关全部 ...
2023-5-14 09:31
格兰仕变频微波炉E-1代码故障的维修
格兰仕变频微波炉E-1代码故障的维修
一用户电话里保修格兰仕微波炉不加热,上门试机15秒报故障E-1,经过查询此故障代码是变频板故障,当时也没有仔细看,直接报了260换变频板,用户同意,拉维修部拆下磁控管发现磁环已经开裂,去掉磁控管 ...
2023-5-14 09:31
苏泊尔CFXB40HZ13-130电饭锅显示E5故障的排除
苏泊尔CFXB40HZ13-130电饭锅显示E5故障的排除
收到同行送来的故障机壹台苏泊尔IH球釜电饭锅,型号是CFXB40HZ13-130,故障表现为是刚开机时能加热,维持时间不到5秒就显示代码E5,后来经过排查是这种电磁电饭锅有个蒸汽小水杯,拿开后里面有一个塑料小杆子是行程开关,它 ...
2023-5-14 09:31
燃气壁挂式热水器常见故障与维修
燃气壁挂式热水器常见故障与维修
一、壁挂炉管道缺水故障的维修 壁挂炉管道缺水故障表现为显示水泵不运转,风机不运转,控制器报警,显示屏显示的故障代码为管道缺水。一般这种现象是因为水泵电源线脱落或者水泵因为长时间不用导致;维修 ...
2023-5-14 09:31
微波炉常见故障检测以及维修方法
微波炉常见故障检测以及维修方法
1、熔断器熔断的故障①、接通电源熔断器熔断:这是由于联锁开关或电源线、导线短路造成。检修联锁开关时,应拔去电源插头,拆去外革,并使电容器放电,操作中切勿弯曲或折断安装板,以免影响开关的位置,必要时 ...
2023-5-14 09:31
电风扇常见故障与维修
电风扇常见故障与维修
一、电风扇电机不转的维修 从维修的实践中得知,如果电风扇电机启动电容两端有1.3KΩ电阻值,就可快速判定电风扇电机是好的。反之,则可断定电机损坏。 电机不转的原因,主要有:绕组断路,缺油抱 ...
2023-5-14 09:31

QQ|Archiver|手机版|家电维修论坛 ( 蜀ICP备19011473号-4 川公网安备51102502000164号 )

GMT+8, 2025-11-13 02:53 , Processed in 0.130031 second(s), 8 queries .

Powered by Discuz! X3.5

© 2001-2025 Discuz! Team.

返回顶部