找回密码
 请使用中文注册
订阅

TCL维修

TCL MS98机芯HDMI无像
TCL MS98机芯HDMI无像
该机芯是由mstar公司生产的MSD189CLDMB-TH LCD/PDP数字电视处理器组成的机芯电路。目前采用此机芯的型号有DTL46E9F和DTL42E9F两种。 分析与检修:通电测量,给HDMI转换IC(IH021)的供电、总线正常,更换IH021后 ...
2023-4-29 08:58
TCL MS98机芯不开机
TCL MS98机芯不开机
该机芯是由mstar公司生产的MSD189CLDMB-TH LCD/PDP数字电视处理器组成的机芯电路。目前采用此机芯的型号有DTL46E9F和DTL42E9F两种。分析与检修:首先检测主芯片ID020的工作条件(供电、复位、软件、内存与主芯 ...
2023-4-29 08:58
TCL MS98机芯收台后无法记忆保存
TCL MS98机芯收台后无法记忆保存
该机芯是由mstar公司生产的MSD189CLDMB-TH LCD/PDP数字电视处理器组成的机芯电路。目前采用此机芯的型号有DTL46E9F和DTL42E9F两种。 分析与检修:首先开机测试重新搜台,在搜台的过程中可以准确识别保存。搜台 ...
2023-4-29 08:58
TCL PWL42C液晶电视带负载后,电压不正常
TCL PWL42C液晶电视带负载后,电压不正常
分析与检修:5V正常,12V和24V空载正常,带负载后:12V在11V左右波动,24V在21V左右波动。机器的背光灯闪动。实际测试:因为带负载后输出电压波动,因此首先测试PFC的输出电压,实际测试PFC输出的400V,电压正 ...
2023-4-29 08:57
TCL PWL42C液晶电视12V、24V无电压
TCL PWL42C液晶电视12V、24V无电压
分析与检修:首先开机测试,发现只有5V待机电压正常。于是强制给一个5V的PS—ON信号再次测试,还是没有12V、24V。根据故障检修流程,测试给PFC和PWM电路供电的VCC电压也没有。于是怀疑是保护电路异常。这时断开 ...
2023-4-29 08:57
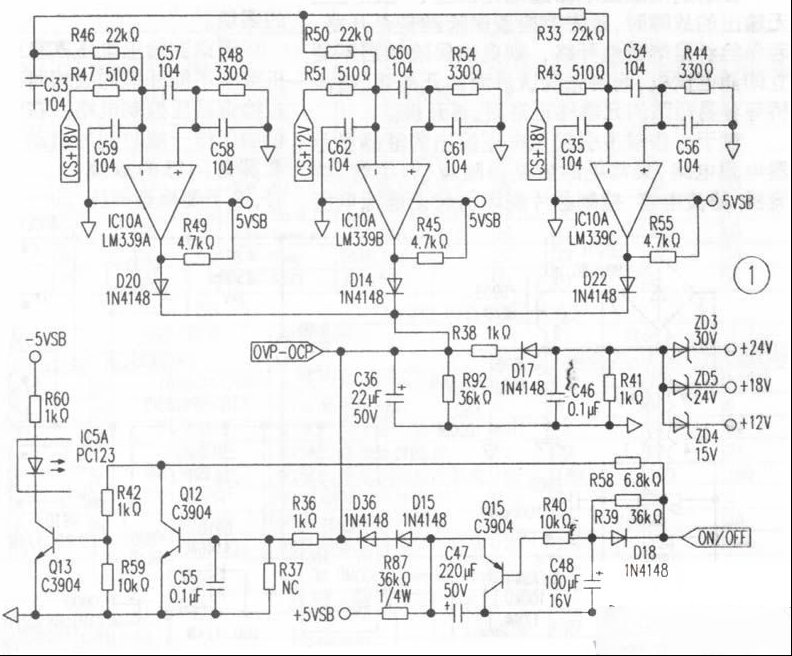
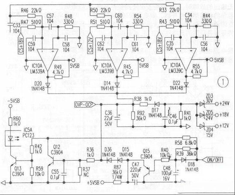
TCL PWL42C液晶电视电源故障检修重点
在检修LCD PWL42C彩电前,应先对单元电路检修重点进行如下分析: 1.STANDBY电源:如果没有+5V电压的话,基本可以确定是STANDBY电源出了问题。可以顺着电源流程来查找原因,用万用表检查D21、D32、R66 ...
2023-4-29 08:57
TCL LCD37K73M61R液晶电视不能录制
TCL LCD37K73M61R液晶电视不能录制
故障表现为:不能录制。 分析与检修:开机测试,发现无法进行时光再现的录制功能,于是测试播放USB的功能,发现USB功能正常。根据信号流程图可以判断,问题是出在PVR功能模块。于是按信号流程图,首先检测U27的 ...
2023-4-29 08:57
TCL MC77机芯液晶电视维修分析5例
TCL MC77机芯液晶电视维修分析5例
【例1】故障表现为:有声无图 开机发现指示灯亮,按开机键后,指示灯的颜色正常变化,机器有声音发出,但是仔细观察,背光不亮,可以判断是背光没有正常工作。首先测试背光工作的两个必要条件:供电和开 ...
2023-4-29 08:57
TCL LCD37K73M61R无法进入USB界面检修
TCL LCD37K73M61R无法进入USB界面检修
本文遇到的三例故障,均为LCD37K73M61R型机无法进入USB界面故障,具体检修实例如下: 【例1】首先开机测试,在菜单中进入USB后,发现没有界面,是黑屏。测试PVR功能,也是无法进入PVR的界面,说明USB板 ...
2023-4-29 08:57
TCL MC77机芯液晶电视维修两例
目前TCL采用MC77机芯的机器型号有:L37M71D、L40M71D、L42M71D、L46M71D、L42H78F、46H78F、L52H78F等产品,在此对其典型故障进行分析和维修。 【例1】故障现像:不开机 分析与检修:首先开机测试 ...
2023-4-29 08:57
TCL LCD SVPEX52机芯整机信号流程简介
TCL LCD SVPEX52机芯整机信号流程简介
TCL LCD SVPEX52机芯主要由数字板和高频板组成(两板间有一个转接板),其中除了VGA视频和音频信号从数字板输入之外,其他的信号输入都是从高频板输入。该机型可输入6路音视频信号、输出1路音视频信号和1路音 ...
2023-4-29 08:57
TCL LCD MS18机芯液晶电视维修图解
TCL LCD MS18机芯液晶电视维修图解
LCD MS18机芯是TCL针对国内低成本、大中屏幕液晶电视市场开发的产品,如果简单升级可以支持全球市场,与其他同等机芯相比,具有系统集成度高、成本较低、图像质量较高、颜色比较鲜艳、声音丰富等特点。它的 ...
2023-4-29 08:57
TCL液晶平板彩电PVR回放板原理与维修
TCL液晶平板彩电PVR回放板原理与维修
目前,电视节日越来越丰富多彩,而人们的生活却又日趋繁忙,现场直播和精彩时刻的错过常常成为人们的一种遗憾。因此将电视节目进行税频录制,逐渐成为人们追捧的新时尚。目前TCL彩电带有PVR功能的机型有:L ...
2023-4-29 08:57
TCL LCD20B66背光板维修分析
TCL LCD20B66背光板维修分析
一、LCD2066背光板实物图(见图1) 二、LCD20B66背光板不开机的维修与判定 1.背光板相关电路图如图2所示。通电后背光亮一下后即灭,该现象为背光板过流保护造成,可将保护二极管D33断开,通电即可正常。通 ...
2023-4-29 08:57
TCL GM21机芯液晶平板电视原理与维修
TCL GM21机芯液晶平板电视原理与维修
一、GM21机芯电路简介 GM21机芯板由一体化数码高频调谐器、数字视频解码器、视频切换开关、液晶显示处理器、EEPROM存储器、帧存储器、缓冲器、伴音前置音效、伴音功放、静音控制电路等组成。目前采用此机 ...
2023-4-29 08:57

QQ|Archiver|手机版|家电维修论坛 ( 蜀ICP备19011473号-4 川公网安备51102502000164号 )

GMT+8, 2025-12-16 09:43 , Processed in 0.144990 second(s), 7 queries .

Powered by Discuz! X3.5

© 2001-2025 Discuz! Team.

返回顶部