找回密码
 请使用中文注册
订阅

功放维修

一款卡拉OK消歌声电路
一款卡拉OK消歌声电路
下图是一款用于卡拉OK的消歌声电路,其主要功能是消除立体声音源中的歌声而保留伴奏音乐,并将演唱者的歌声与伴奏音乐混合后送往音频放大电路。由于采用专用集成电路CXA1642,使得电路简单,制作容易,效果较 ...
2023-5-5 11:18
一款卡拉OK混响电路
一款卡拉OK混响电路
下图是一款采用M65831P构成的卡拉OK数字式混响电路。数字式混响器解决了模拟式混响器无法兼顾频响与延时时间的矛盾。与采用BBD器件的模拟式混响器相比,数字式混响器具有频响宽、失真小、噪声低、混响延时长的 ...
2023-5-5 11:18
TWH32构成的一款重低音电路
TWH32构成的一款重低音电路
双声道重低音模块。TWH32构成的重低音电路,电路简洁,效果明显,将其插入到功放音量电位器之前,可使低于150Hz的低音得到大幅度提升。RPl、RP2分别为左、右声道低音增益调节电位器,改变RP1、RP2,即改变了电 ...
2023-5-5 11:18
一款典型的动态降噪电路
一款典型的动态降噪电路
一款用于音频系统的立体声动态降噪电路,其核心Icl采用专用动态降噪集成电路LM1894,具有适用范围宽、外围元件少、瞬态响应好、失真度低、降噪效果明显的优点。动态降噪系统是非互补性的,它不需要编码源,即 ...
2023-5-5 11:18
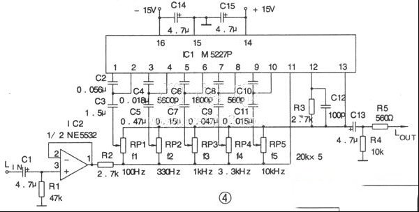
一款典型频率均衡电路
一款典型频率均衡电路
下图是一款五段图示式频率均衡电路,采用两块五频段专用均衡集成块M5227P可组成立体声均衡器,图中示出了L声道电路,R声道电路与之完全相同。由于采用了专用集成块,所以电路结构简单、无需调试、工作稳定性高 ...
2023-5-5 11:18
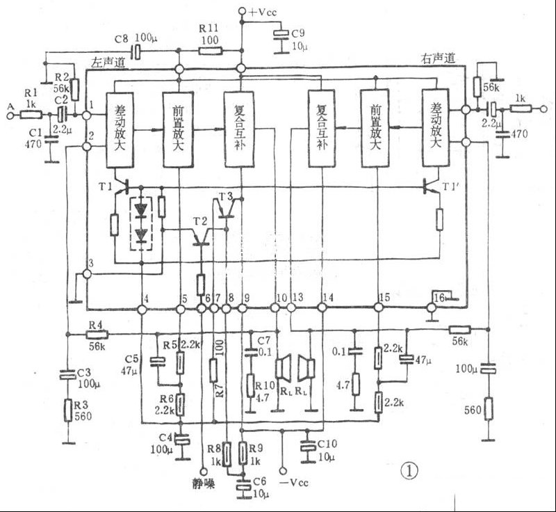
一款典型的音量、音调、平衡电路
一款典型的音量、音调、平衡电路
下图是一款采用LM1035组成的直流控制音量、音调、平衡电路,通过改变LMl035四个控制输入端(4、14、9、12脚)的直流电压来控制高音、低音、平衡、音量功能,只需使用单连电位器就可实现两个声道的同步控制。由于 ...
2023-5-5 11:18
一款音频滤波电路
一款音频滤波电路
下图是为一款CD唱机专用的音频滤波电路,包括:有源低通滤波器、去加重电路和静噪电路。D/A转换电路输出的模拟音频信号中,含有超音频成分,易引起差拍干扰和交扰调制干扰,必须将其尽可能滤除。以L通道为例, ...
2023-5-5 11:18
一款典型的D/A转换电路
一款典型的D/A转换电路
下图为一款CD唱机专用的数/模转换电路,它的作用是将光头读取并经数字信号处理后的音频串行数据,变换、分离成左、右两声道的模拟音频信号。本电路采用16位CMOS数字音频DAC电路LC788l作为核心器件(ICl),具有 ...
2023-5-5 11:18
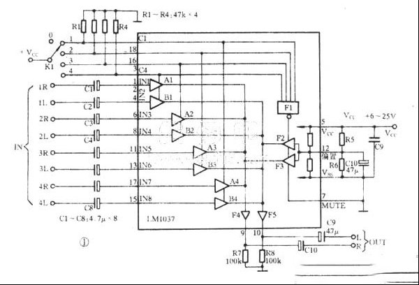
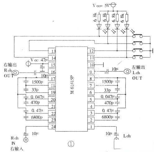
音响中的均衡及重低音电路M62415P M62412P M51134P资料
音响中的均衡及重低音电路M62415P M62412P M51134P资料
AV音响家庭影院中均衡的方式主要有三种:高(中)低方式调节,多段式频率均衡器调节,预置式均衡调节。三者各有优缺点:高(中)低方式调节较单调,仅限于二或三个固定的频点,多段式则增加了调节的频点,但使用较 ...
2023-5-5 11:17
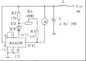
录音机电机稳压调速IC芯片的代换
录音机电机稳压调速IC芯片的代换
在录音机的修理过程中,常常遇到电机稳速IC的损坏问题,例如查阅手边资料未能查到有关参数或遇到不易购买的电机稳速IC。这时可通过对其稳速电路进行分析,同我们身边现有的比较熟悉的电机稳速IC及稳速电路进行 ...
2023-5-5 11:17
用LAG665D组成的随身听放音机原理与检修
用LAG665D组成的随身听放音机原理与检修
LAG665D除具有一般立体声放音机集成电路所具有的双前置放大器、双功率放大器和电子直流音量控制功能外,还具有直流电机稳速功能。ST-2000型随身听放音机由一块单片集成电路LAG665D为主构成,相关电路如图1所示( ...
2023-5-5 11:17
德生R828袖珍收音机电路分析
德生R828袖珍收音机电路分析
生牌调频调幅立体声收音机有多种式样,如R909、R909A、R1212等。收音机调频灵敏度优于5uV、调幅中波灵敏度优于1mV/m,立体声分离度优于30dB,输出功率大于100mV。 广东生产的德生牌调频调幅立体声收音机有 ...
2023-5-5 11:17
爱华AIWA随身听马达控制电路分析与检修
爱华AIWA随身听马达控制电路分析与检修
爱华J/T系列随身听是日本爱华公司的产品,轻巧而精制。具有电子开关控制与磁带自动反转、电台频率间隔扩展、自动搜索、预调与不同时钟设定、立体声音质优美,带杜比“DOLBY”噪声减低器、BBE多音响处理与超低音 ...
2023-5-5 11:17
6种音频电子开关电路分析
6种音频电子开关电路分析
不少高档音响的音频切换、控制功能都是用轻触式电子开关IC完成的。电子开关不存在机械开关和电位器的接触不良问题及长信号屏蔽线引入的干扰噪声,因而性能可靠、寿命长。本文介绍六种音频电子开关电路,以满足 ...
2023-5-5 11:17
组合音响集成功放级分析与检修
组合音响集成功放级分析与检修
组合音响内部电路的功放级消耗功率最大,大电流及较高电压使该电路元器件的负担颇重。再者,市售音响功率都标记为峰值功率,这比正常最大功率大5~10倍,稍有不慎,功放块极易损坏。本文从原理着手,较系统地介 ...
2023-5-5 11:17

QQ|Archiver|手机版|家电维修论坛 ( 蜀ICP备19011473号-4 川公网安备51102502000164号 )

GMT+8, 2025-11-23 14:35 , Processed in 0.129652 second(s), 7 queries .

Powered by Discuz! X3.5

© 2001-2025 Discuz! Team.

返回顶部