找回密码
 请使用中文注册
订阅

功放维修

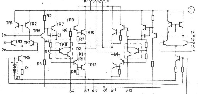
ULN-3839A集成块维修数据
ULN-3839A集成块维修数据
一、ULN-3839A各引脚电压参数 二、ULN-3839A典型应用电路(以莺歌H109型袖珍收音机为例)
2023-5-5 11:20
AN6230S双音频功放电路各脚电压
AN6230S双音频功放电路各脚电压
2023-5-5 11:20
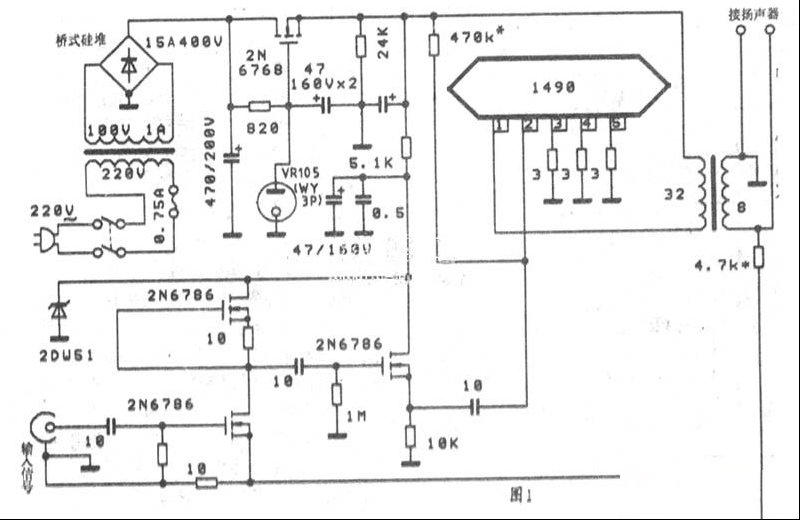
1490甲类放大器
1490甲类放大器
仿制历史名机,可以从中得到很多启迪。图1是用功率模块1490制作的甲类放大器,电路仿自Dulcet扩音机的后级部分,其中稳压管已改用性能相同的国产品代替。 电路里稳压部分的调整管是2N6768,而担任电压 ...
2023-5-5 11:20
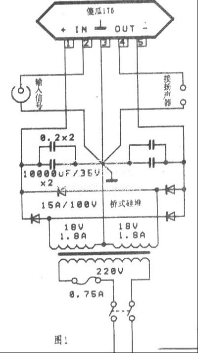
一款傻瓜175放大器
一款傻瓜175放大器
下图1是用傻瓜175制作的输出功率为22W的单声道放夫器,直流工作电压为正、负25V,此时听感最佳,用于立体声系统时需要有两台像这样的放大器。 本机的输入灵敏度为150mV,输入阻抗47k,一般的激光唱机和 ...
2023-5-5 11:20
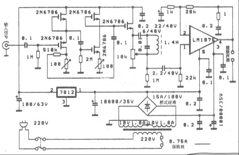
用LM1875制作的OCL放大器
用LM1875制作的OCL放大器
欲使LM1875放大器靓声,除了要优选外围零件之外,还必须高度重视直流电源的品质,在图1的OCL放大器里,采用了大容量的桥式硅堆、滤波电容以及先进的环形电源器。环形电源变压器的内阻低、效率高,在音乐信 ...
2023-5-5 11:20
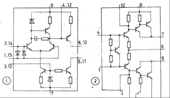
一组优越的音响功放电路:STK3048A与STK6153
一组优越的音响功放电路:STK3048A与STK6153
本文介绍一组最新推出的专用厚膜音响功放电路,其结构简单,却有出色现。该电路由双声道电压放大厚膜Ic—STK3048A及功放厚膜ICSTK6153组成。STK3048A是15脚单列式Ic其内部结构如图1所示。 图中只画出一个声 ...
2023-5-5 11:20
宽带、低失真厚膜功放STK4913
宽带、低失真厚膜功放STK4913
三洋公司继STK4101II系列厚膜立体声功放(如STK4191II等)之后,又推出了失真更小、频响更宽的STK4773系列。该系列中的STK4913即是取代STK4191II的理想器件,已用于日本“山水A-700”、“水A-730”等商品机。 ...
2023-5-5 11:20
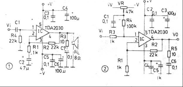
用TDA2030构成直接耦合的功放电路
用TDA2030构成直接耦合的功放电路
通常,用TDA2030或TDA2030A功放集成电路作为音响电路,都是按图1所示的方式联接,采用的是交流负反馈。 从而2030集成电路内部结构看,也可以采用直接耦合的方式见图2,其频响范围比图l电路的频响范围宽,以 ...
2023-5-5 11:20
测绘音响IC电路图方法
测绘音响IC电路图方法
在修理中经常遇到无电路图的机子,修起来实在令人心烦。测绘集成块的应用电路是有规律可循的,可照下面几步去做。第一步,首先找集成块的接地端。 第二步,找出IC附件容量最大的电容。其正极所接就是Ic的电源输 ...
2023-5-5 11:19
高性价比功放芯片HA1397
高性价比功放芯片HA1397
HA1397是一种相当不错的功放电路,输出功率大、谐波失真小、频带范围宽,具有热切断保护和开关电源时产生的爆破音抑制电路,并设有一个稳压电源引脚,对改善瞬态响应很有好处。HA1397市场上容易购到,价格也不 ...
2023-5-5 11:19
通用高保真BTL功放电路
通用高保真BTL功放电路
常见的BTL功放电路如下图1所示(如用TDA2030接成的BTL电路就属这种形式),所用的功放集成电路,其增益都是由外接电阻R1R2确定,接成BTL电路,只要元件准确无误,一般无需调试都能达到要求。但对于一些带前置放 ...
2023-5-5 11:19
一款别有风味的音频功率放大器
一款别有风味的音频功率放大器
本功放特点:线路简洁,一目了然;故障率极低,几乎勿需维修;输出功率大,而且音质较好,超过用STK465组装的功放,对于手中仅有一块万用表要自做家用音响者而言,它确实不愧为最好的选择。 一、电路原理图 ...
2023-5-5 11:19
采用NE5534和TDA1514的2X40W优质前后级功率放大器
采用NE5534和TDA1514的2X40W优质前后级功率放大器
笔者对采用NE5535、NE5534作前置及音调,TDA1514作功放的线路进行了试验和测试,效果甚佳,在此向音响爱好者简介。 TDA1514是菲利浦公司推出的一种性能优异的功放集成电路,该功放具有输出功率大(单片可输 ...
2023-5-5 11:19
100W BTL功率放大器LM1875
100W BTL功率放大器LM1875
笔者用LM1875功率放大块装了BTL功放电路,并用测试仪器对电路在额定输出功率为40w和80w时进行了测试,失真度值如附表所例。可见失真度低,频率特性亦很好。实验证明这种BTL电路最大不失真功率可达100w。因此适 ...
2023-5-5 11:19
用NE5532N制作Hi-Fi超级音响功放电路
用NE5532N制作Hi-Fi超级音响功放电路
用运放之皇NE5532N制作的音响电路所带来的种种好处已被越来越多的音响发烧友所认识和接受。最有代表性的评语是:“大动态够威够劲,细腻处晶莹通透。”NE5532N的音质的确是其他运放不可同日而语的,因其转换速 ...
2023-5-5 11:19

QQ|Archiver|手机版|家电维修论坛 ( 蜀ICP备19011473号-4 川公网安备51102502000164号 )

GMT+8, 2025-11-22 04:43 , Processed in 0.105115 second(s), 8 queries .

Powered by Discuz! X3.5

© 2001-2025 Discuz! Team.

返回顶部