找回密码
 请使用中文注册
订阅

功放维修

快速调整收音机中频及频率范围简易法
我用本振产生的辐射波调整收音机中周及频率范围简单迅速,方法如下: 找一架好收音机做标准机,并调谐到1000kHz刻度上(越准越好,有无电台都行)。将被调机靠近标准机,并置高端(双联全部旋出再旋进10度左右 ...
2023-5-5 11:20
迪桑R-707收音机电路原理与分析
迪桑R-707收音机电路原理与分析
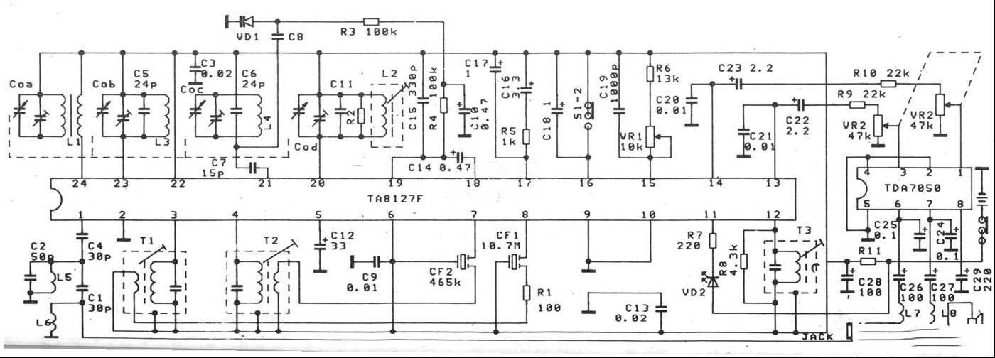
本文作者根据迪桑牌R-707收音机的实物检测绘出了电路原理图如图,可供维修参考。收音机主要由东芝AM/FM单片立体声收音机集成电路TA8127F和飞利浦小功率双功放集成电路TDA7050组成。TA8127F是收音机专用集成电 ...
2023-5-5 11:20
迪桑CR-226钟控收音机数字不完整或时显时灭
故障表现为:收到其他维修同行的一台迪桑CR-226钟控收音机LCD钟数字符出现数字不完整或时显时灭。 故障检修:故障多为晶振失效或液晶显示块与MOS电路之间的有关导电橡胶接触不良,可用0.033uF电容并接于晶振两端,此时若数字符故 ...
2023-5-5 11:20
迪桑CR-226钟控收音机音无台,而钟控正常
故障表现为:迪桑CR-226钟控收音机收音无台,而钟控正常。 故障检修:该故障因钟控时有蜂鸣声及电台广播声(定时开机前刻度调至有台处),说明IC块及有关外围元件正常,故障多为收音状态IC块无供电电压引起。此时 ...
2023-5-5 11:20
迪桑CR-226钟控收音机钟控不起作用,但收音正常
故障表现为:收到其他维修同行的一台迪桑CR-226钟控收音机的钟控不起作用,而收音正常。 故障检修:此类故障多为闹钟(CLOCK ALARM)信号线虚焊或脱开。若在定时开机瞬间测得C9、R1端有0 - 0.3V跳变的电压(此电压维持约30秒后自动消 ...
2023-5-5 11:20
迪桑CR-226钟控收音机不能收音,且钟控也不起作用
故障表现为:收到其他维修同行的一台迪桑CR-226钟控收音机不能收音,且钟控也不起作用。 故障检修:测CXA1033P各脚无电压,用一导线将14脚(+B端)与机内干电池正端相连,其收音功能正常,此故障系14脚外接的Q3(9014)电子开关管损坏 ...
2023-5-5 11:20
数字电调谐收音机电路原理与常见检修思路
数字电调谐收音机电路原理与常见检修思路
随着电子技术的日新月异的发展,采用数字电调谐的收音机、录音机、音响等越来越普及。数字电调谐与机械调谐的根本区别在于它包含有由CPU(中央处理单元)构成的操作电路,从而使整机的操作使用与某些电气性能明显 ...
2023-5-5 11:20
100W音频功放电路TDA7294
100W音频功放电路TDA7294
目前,双极功放和混合电路技术已开始大量用于音频放大器中。所谓的混合电路即是将末级功放、模拟信号处理和逻辑开关电路综合在一个电路模块中,这种电路具有输出功率大、频带宽、失真小、通用性好等特点。 ...
2023-5-5 11:20
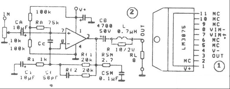
高性能单片功放LM3875T
高性能单片功放LM3875T
LM3875T是NS公司生产的音频功率放大器单片IC。在8Ω负载时能提供56W连续平均不失真功率。 (THD+N≤0.1%,20Hz-20kHz)且具有瞬时峰值温度、动态安全保护工作区、过压、欠压,过载,对电源短路,热击穿等保护 ...
2023-5-5 11:20
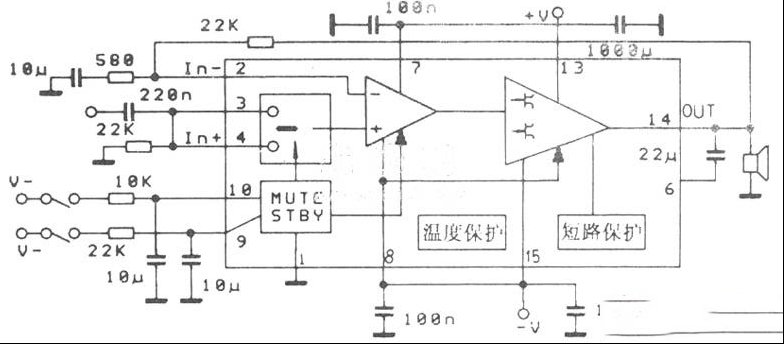
LM3875T和LM3876T高性能40W单片音频功率放大器
LM3875T和LM3876T高性能40W单片音频功率放大器
LM3875T和LM3876T是英国国家半导体(NS)公司推出的性能优异的集成功率放大器,在频率范圈为20Hz~20kHz,负载为8Ω时可输出40W连续平均功率,失真度仅为0.05%。因此,这是工厂设计制造高保真音响设备,环绕声 ...
2023-5-5 11:20
“皇后”AMP1200功放集成电路
“皇后”AMP1200功放集成电路
喜欢自己动手焊装放大器而又耽心零件难觅的发烧友,选用“皇后”功放集成块是一种最好的决策,由这种集成块做成的功率放大器,整机零件极少,只要接线无误,焊毕即可投入使用。 “皇后”的额定输出功率高达100 ...
2023-5-5 11:20
二分频超低音电路MZ1812
二分频超低音电路MZ1812
图1是MZ1812的内部逻辑框图,图2是工作原理图。 MZ1812由三部分电路组成:1、频率采样与分频电路。将输入信号fi进行削波和数字化形成方波,然后对频率成分采样,采样信号送入分频电路后,按简单的双稳态 ...
2023-5-5 11:20
STK3048A与STK6153的一种Hi-Fi接法
STK3048A与STK6153的一种Hi-Fi接法
三洋的STK3048A与STK6153具有高反压高精度低噪声的特点。由于STK3048A也采用高电压供电,所以音乐动态范围宽广,谐波失真小要0.004%。为了充分发挥厚膜组件的优点,本电路的STK6153无须作特别保护,只用两只 ...
2023-5-5 11:20
电子三分频与三通道功放
电子三分频与三通道功放
前级电子分频定位准确、音质纯真。本文介绍一种线路简单性能较好的前级分频和功放电路模块-HiFi3100(三通道功放)、HiFi312YD(有源电子三分频),经试用效果不错。 一、电路介绍 HiFi312YD是一块有源电子三分频 ...
2023-5-5 11:20
采用LF356和TDA1514的改进型优质功放
采用LF356和TDA1514的改进型优质功放
发烧友在投资不大的情况下,要想组装出优质功放,须使用新型优质IC和尽量采用音响新技术。笔者采用4只LF356和2只TDA1514组装成的改进型功放,听感极佳,值得一试。 音调部分;本着简洁至上的原则,采用2 ...
2023-5-5 11:20

QQ|Archiver|手机版|家电维修论坛 ( 蜀ICP备19011473号-4 川公网安备51102502000164号 )

GMT+8, 2025-11-22 04:43 , Processed in 0.128501 second(s), 8 queries .

Powered by Discuz! X3.5

© 2001-2025 Discuz! Team.

返回顶部