找回密码
 请使用中文注册
订阅

功放维修

自制超低音重放系统
自制超低音重放系统
随着数字音频技术的发展,很多音源的低频响应已达到或超过人耳听觉的下限20Hz。要想较完整地再现节目源中包含的超低音信息,传统的左、右两只音箱已无能为力。 弥补的办法是增加一个内藏超低音功率放大器的 ...
2023-5-5 11:21
如何调试TDA1514A功放块
如何调试TDA1514A功放块
TDA1514A是飞利浦公司专为数字音频系统而设计的功放电路,该功放IC具有的功能和特点《电子报》已介绍多次,其频响宽、失真小、动态范围和输出功率大等优点,深受发烧友的青睐。 TDA1514A功放虽然有很多功能 ...
2023-5-5 11:21
大功率单声道多功能功放模块D-200W
大功率单声道多功能功放模块D-200W
D-200W模块设计独特,将过热、过压、过载(负载短路)、电源极性接反、扬声器冲击等多种保护功能集于一模块内。模块采用独创的乙类同步动态偏置电路使静态功耗降到最低。具有快速的瞬态响应能力、较高的增益和等 ...
2023-5-5 11:21
高品质音频运放5533
高品质音频运放5533
飞利浦公司的高品质音频专用双运放5533及单运放5534,具有高达13V/us的转换速率,200kHz的功率带宽等指标,跟SIG公司的皇牌5532对比是有过之而无不及。双运放5533为14引出脚,单运放为8引出脚,有双列直插、表 ...
2023-5-5 11:21
LM3886在家庭影皖中的应用
LM3886在家庭影皖中的应用
LM3886是美国NS公司最新面市的大功率高性能集成功放,在5Hz~100kHz范围内线性良好,互调失真低达0.004%,谐波失真和噪声仅0.03%,且有过压、欠压、过流、超温等完善保护功能及开机防冲击静音功能。本文介绍 ...
2023-5-5 11:21
简洁易装的N×75W混血功放组件
简洁易装的N×75W混血功放组件
AV系统还音最终有5~9声道之多,若每个声道都做到性能很好,制造成本也很高。所以简化AV功放机电路提高电性能是当前AV机的主题。 本文基于上述考虑介绍一种既可单个声道使用又可多声道组合的免调试合并式功 ...
2023-5-5 11:21
用uPC1342V驱动的110W发烧功放
用uPC1342V驱动的110W发烧功放
NEC公司继性能优异的宽带低失真50W推动电路pPC1225H之后,为了适应大功率的要求又推出了新一代音响驱动IC—uPC1342V,该IC除具有uPC1225H的所有优点及基本相同的外围电路外,其输出电压偏差更小(±5mV)、电压 ...
2023-5-5 11:21
简洁的前级分频功放
简洁的前级分频功放
简洁的电路重放出优质的声音是不少音响爱好者孜孜不倦追求的目标,本电路就是基于“简洁为上”原则,以简单的电路重放优美的音乐,适合音响爱好者装制。 本电路设计时采用了立体声音调、音量和平衡控制专 ...
2023-5-5 11:21
Hi-Fi胆机放大电路常见故障的寻迹、分析与排除
Hi-Fi胆机放大电路常见故障的寻迹、分析与排除
Hi-Fi胆机主放大器通常均由前置放大级、倒相级和来级推挽功率放大级组成。当使用了相当长的一段时间后,常常会出现输出信号失真和交流声干扰增大的故障。现以一家用小型Hi—Fi胆机主放大器电路的一个通道(参看 ...
2023-5-5 11:21
用STK4040×1制作的Hi-Fi功放
用STK4040×1制作的Hi-Fi功放
本功放电路极为简洁,信噪比高、超低失真度,音色佳,功率容量大(额定70W+70W),性价比高,易制作。STK4040X1是一种优选的Hi-Fi功放电路,有极佳的电参数,在Vc=±43.5V,RL=8Ω条件下,额定输出功率不小于 ...
2023-5-5 11:21
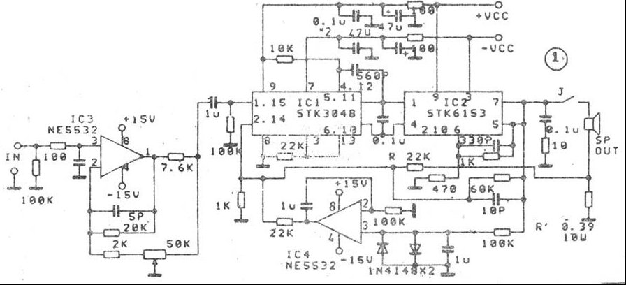
STK3048和STK6153组合的一款高品质功放
STK3048和STK6153组合的一款高品质功放
STK3048和STK6153内部电路较为简单,其音质甚佳。但外围线路的设计和外围元件的选用对IC音质影响较大,故本功放采取如图1所示电路。 (1)采用Gm控制音量,把音量电位器接在IC3(NE5532)的增益控制点上,改 ...
2023-5-5 11:20
高性能集成功放LM3886
高性能集成功放LM3886
随着音响爱好者对重放声音质量要求的提高,一些发烧友把探求的目光由集成功放及厚膜功放转向晶体管分立元件功放或电子管功放。但如果分立元件功放的输入差分级、推动级及末级的对管配对不好,则整机性能必打折 ...
2023-5-5 11:20
Hi-Fi电子管放大器维修常识及常见电路介绍
Hi-Fi电子管放大器维修常识及常见电路介绍
电子管(胆)与晶体管(石)相比较,具有许多突出优点。由于历史和人为的原因,使电子管这颗曾享“无线电心脏”盛誉的“烧器明星”一度被冷落,致使一些“烧界初哥”及未入此“道”的电子爱好者对电子管比较陌生。 ...
2023-5-5 11:20
uPC1237H保护电路及制作
uPC1237H保护电路及制作
uPC1237H是专门作保护用的集成块,它已经具有开机延时,输出端直流电位偏移,输出过载和关机冲击等保护功能,第⑦脚是开机保护输入端;②脚是扬声器中点电位保护输入端;①脚为过载检测输入端;④脚为关机保 ...
2023-5-5 11:20
发烧级运放OPA604
发烧级运放OPA604
OPA604运算放大器是针对数字音频技术而设计的FET运算放大器,单运放型号为OPA604,双运放为OPA2604,均为双列直插式封装。故能方便地取代5534或5532等高性能运放。 其内部电路如图1。主要特点是FET输入,带 ...
2023-5-5 11:20

QQ|Archiver|手机版|家电维修论坛 ( 蜀ICP备19011473号-4 川公网安备51102502000164号 )

GMT+8, 2025-11-22 04:43 , Processed in 0.133738 second(s), 8 queries .

Powered by Discuz! X3.5

© 2001-2025 Discuz! Team.

返回顶部