找回密码
 请使用中文注册
订阅

功放维修

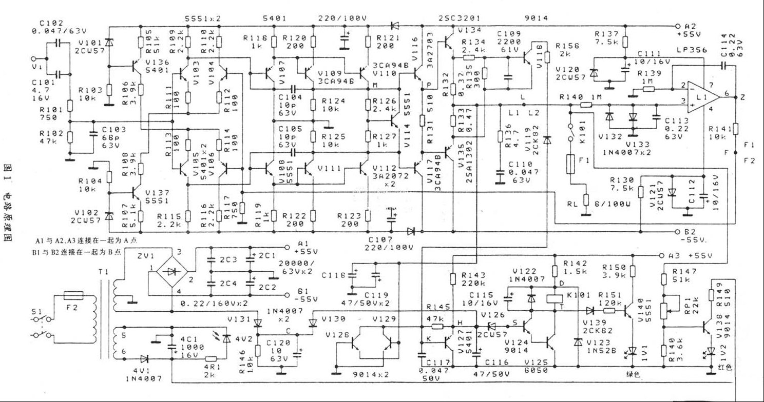
湖山AMP2×100J-01高保真放大器电路剖析
湖山AMP2×100J-01高保真放大器电路剖析
四川绵阳湖山音响技术公司开发的一种AMP2×100J-01型家用高保真功放,不仅外观工艺有改进,其电路也进行了一定的改进。右图为它的电原理图,图中只画出一个声道电路,未画出电源电路和继电器保护电路。从图上可 ...
2023-5-5 11:21
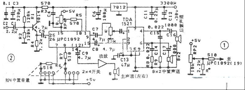
uPC1892电路应用
uPC1892电路应用
uPC1892是四路环绕声处理器,外围电路简单,不需调试。但是一些音响爱好者对其了解不透,盲目装配使用,以致使用发生问题。 首先出现的是声道控制问题。发现后置L声道的音频电压不受RP1的控制而单独受RP4的控制 ...
2023-5-5 11:21
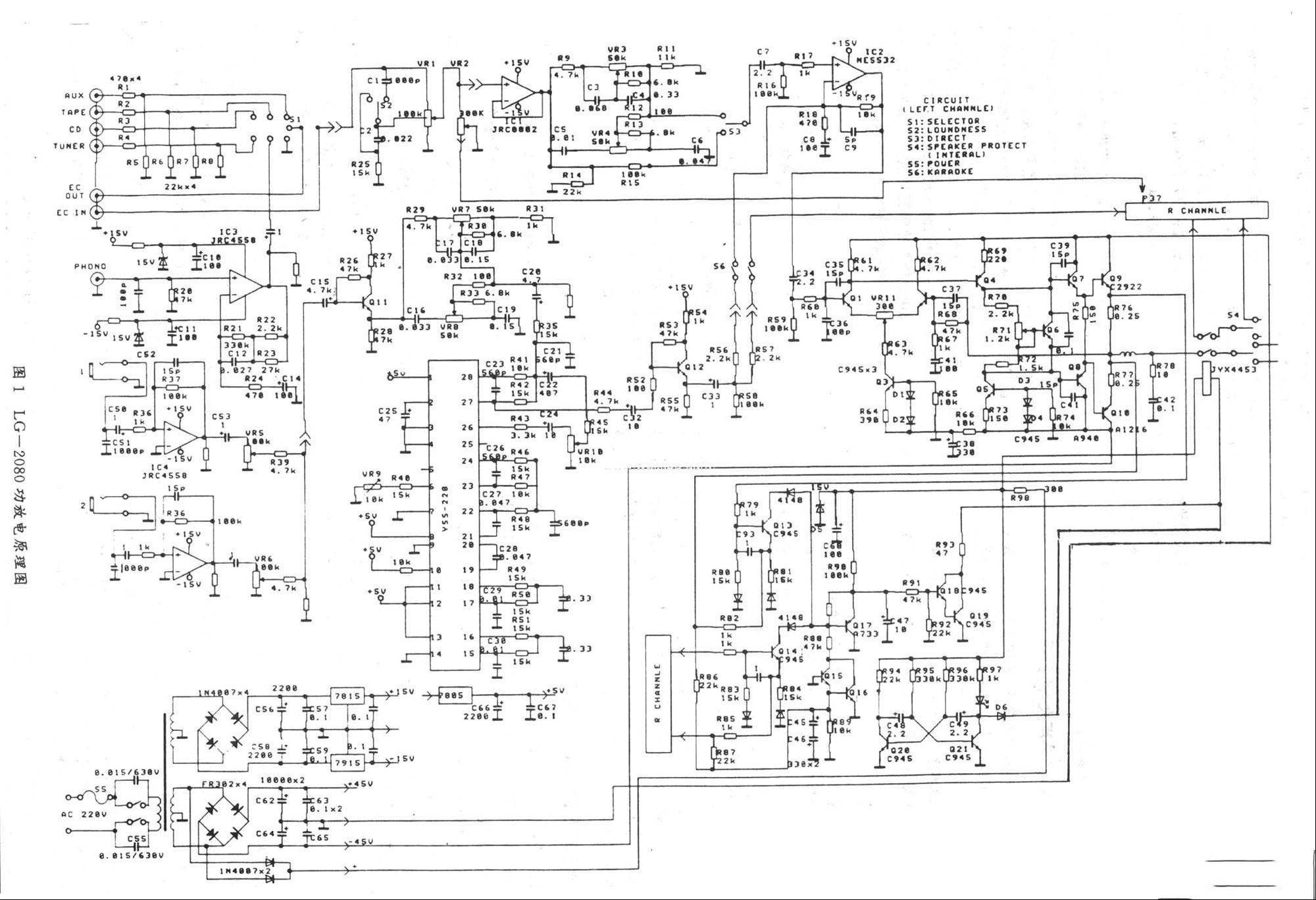
Hi-Fi功放常见故障的分析检修
Hi-Fi功放常见故障的分析检修
如今,国内玩音响的人越来越多,音响组合的社会拥有量逐年增大,本文以有代表性的力高牌LG-2080合并式功放为例,着重介绍Hi—Fi功放噪声大、声小、无声等常见故障的检修。 一、功放的组成部分及工作原理简介 ...
2023-5-5 11:21
湖山BK2×100JMKⅡ-95电路原理及故障检修
湖山BK2×100JMKⅡ-95电路原理及故障检修
前言:BK2×100JMKⅡ-95纯后级功率放大器是四川绵阳湖山电子股份公司集多年生产专业功率放大器的经验,为广大消费者精心开发设计的发烧级家用Hi-Fi功放。它采用了大型散热器、大容量环形变压器、日本的三肯或 ...
2023-5-5 11:21
CYMET(绅士)DSP E1080(PK)合成式杜比解码影音前级原理、使用与维修
CYMET(绅士)DSP E1080(PK)合成式杜比解码影音前级原理、使用与维修
杜比解码影音前级是组成家庭影院的核心音响单元,CYMET(绅士)DSP E1080影音前级的许多用户都想对其电路特点及组成有进一步的限了解,以便更好地使用及维护。本文介绍该机的原理使用及维修,同时提供一些常见故 ...
2023-5-5 11:21
胆机推挽功放电路
胆机推挽功放电路
这种胆机推挽功放原理见图1。输出级的两管直流电路是串连的,交流电路是反向并联的。各元器件构成一个电桥,其中两臂是管子的内阻,另外两臂是电源E1和E2的内阻。RL是有抽头接地的负载。 具体线路见图2,这里 ...
2023-5-5 11:21
OTL胆机放大器制作
OTL胆机放大器制作
N5P为输出阻抗400多欧的低内阻管,用作并联推挽其输出阻抗则为单管的一半,再将双三极管并联使用阻抗将进一步降低,故可免去输出变压器。采用双电源供电及合理的偏置调整,可免去输出电容,整机电路如下图所示 ...
2023-5-5 11:21
“超级功放王”D-200W模块内电路剖析
“超级功放王”D-200W模块内电路剖析
“超级功放王”模块电路实际上是准乙类同步动态偏置功放电路。它不仅具有乙类功率放大器较高效率,又有着甲类功率放大器的优良音质,且彻底消除了甲乙类放大器的开关失真。实际电路又不同于国外介绍的超甲类(新 ...
2023-5-5 11:21
电流反馈型发烧运放EL2232CN
电流反馈型发烧运放EL2232CN
概述:EL2232CN是美国伊莱迪克(ELANTEC)公司推出的一款双运放,它采用电流反馈模式,性能出众(见附表)。由表中可看出EL2232CN的增益带宽和转换速率分别达50MHz和1600V/us,竟然超过精品级运放AD827,而它的售 ...
2023-5-5 11:21
超甲类DC场效应管功放
超甲类DC场效应管功放
本文介绍的这种额定功率100w×2超甲类DC场效应管功放,具有输出功率大、频响宽、音质佳、性能稳定等特点,可广泛用于音乐厅、家庭、单位等场合,也非常适合广大发烧友制作。功放主电路见图1(其中只画了一个声道 ...
2023-5-5 11:21
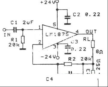
采用LM1875的电流反馈型功放电路
采用LM1875的电流反馈型功放电路
电流型功放听感较好,采用功放集成电路LM1875的电流型功放电路如下图。图中,与扬声器RL串联的电阻R3阻值很小,流过扬声器的电流流过R3,在其两端产生的取样反馈电压与输出电流成正比。将R3上形成的电压经R ...
2023-5-5 11:21
直流伺服和电流负反馈技术的100W厚膜集成功放
直流伺服和电流负反馈技术的100W厚膜集成功放
STK3048A内含两组独立的前置激励运放,类似于NEC的uPC1225和uPC1423。其设计初衷就是用一块STK3048A以低的失真和足够的输出推动两只STK6153后级全对称互补达林顿复合功率模块。实现2x100W输出。而且每组运放的 ...
2023-5-5 11:21
Hi-Fi立体声功放IC芯片LM1876
Hi-Fi立体声功放IC芯片LM1876
不少焊机派烧友认为功放IC音色平庸,而喜欢用分立元件动手自制功率放大器以追求高音质。但分立元件多、调试复杂、还要增加不少保护电路。 事实上,优秀的功放集成块性能不逊于分立元件制作的功放。这次介 ...
2023-5-5 11:21
Hi-end级胆前置电路
Hi-end级胆前置电路
由于CD机的输出电压较高(0.5~2V),因而有些发烧友将CD机的输出直驳功放,省略了前置放大器,以求“原汁原味”。但并非所有的功放与CD机直驳都能得到好效果,只有在后级功放的输入阻抗足够高(如胆机)时才能得到 ...
2023-5-5 11:21
胆管配对法
胆管配对法
笔者近期在制作数台胆机甲类和超线性放大器过程中,利用土法胆管配对法,克服了在市场上买到管子而又难于配对的困难,其方便几乎达到人人可为,测试结果较可靠准确。测试电路如图,在功放的一个声道上加装一只 ...
2023-5-5 11:21

QQ|Archiver|手机版|家电维修论坛 ( 蜀ICP备19011473号-4 川公网安备51102502000164号 )

GMT+8, 2025-11-22 04:43 , Processed in 0.131671 second(s), 8 queries .

Powered by Discuz! X3.5

© 2001-2025 Discuz! Team.

返回顶部