找回密码
 请使用中文注册
订阅

功放维修

AN7135电路应用及代换
AN7135电路应用及代换
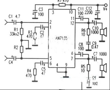
AN7135是一款双路功放集成电路,采用十二脚单列直插封装,其应用电路如图所示。据实际测量,该IC可在+8V—18V之间正常工作,在+15V电压时输出功率约为5w×2。因该型IC市面上较难购得,损坏后可用HA1392代换,代 ...
2023-5-5 11:22
性能优异的CD随身听耳机功放芯片TDA1308
性能优异的CD随身听耳机功放芯片TDA1308
TDA1308是飞利浦公司推出的甲乙类耳机驱动集成电路。它的最大特点是体积小,功耗低,特别适合于CD随身听等数字袖珍音响,也可用于激光唱机的耳机监听。TDA1308采用八脚小型封装,各脚功能如图1所示。 一、TDA1 ...
2023-5-5 11:22
50瓦D类功率放大器的制作
50瓦D类功率放大器的制作
D类功率放大器从发明至今,已有50年历史,主要用在不需要线性放大的高频放大器和马达驱动放大器。将其用于音频放大是最近十几年的事,多用在为节省能源和减小体积的车用放大器中。然而在家庭影院系统中需要5. ...
2023-5-5 11:22
伯龙HS-490数字调谐收音机自动搜索不停止
伯龙HS-490型数调收音机和爱华HS-JS415型随身听的数调收音机采用东芝微处理器,型号分别为TC9307和TC9308。其收音集成电路为TA8132。当收音机进行自动搜索时,TA8132⑧脚打开计数输出,使中频信号从TA1832⑨脚 ...
2023-5-5 11:22
奇声功放PT2395回响电路的检修
奇声功放PT2395回响电路的检修
奇声(Qisheng)功放的早期产品均采用了PT2395与41256组成的卡拉OK回响电路,一旦出现故障,即引起无回音或产生自激声等现象。本文以奇声AV388D前级为例,介绍上述电路的检修经验,并提供有关实测数据供参考。 ...
2023-5-5 11:22
QSC1300功放原理与检修
QSC1300功放原理与检修
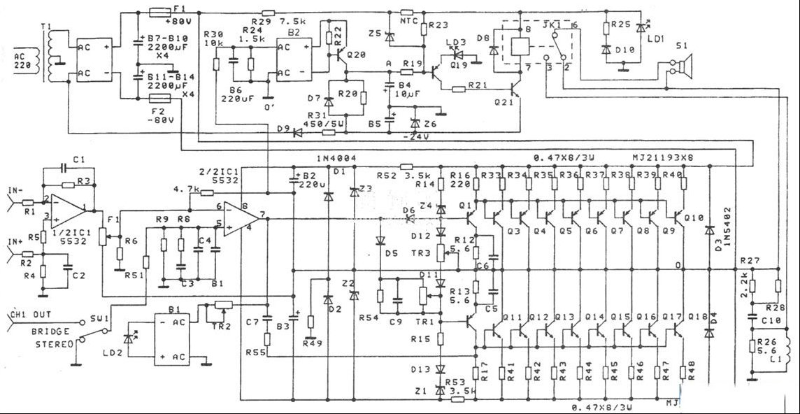
QSC1300功放机以其输出功率大、音色好、故障率低而广泛应用于各专业与非专业放音场所。笔者总结出检修要点,并测绘出它的工作原理图,供同行们检修时参考。 一、电路原理 QSC 1300功放机有两个放音通道, ...
2023-5-5 11:22
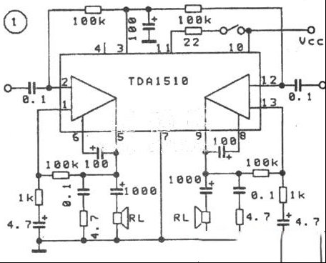
TDA1510特性及应用
TDA1510特性及应用
TDA1510为飞利浦公司生产的音频功率放大器。该集成电路内设有负载短路、负载开路、过热等保护电路,具有输出端静态电压稳定、纹波抑制性能好、外接元件少、体积小、稳定性高等特点。可组成立体声和BTL功放电路 ...
2023-5-5 11:22
STK功放IC芯片的再利用
STK功放IC芯片的再利用
STK系列功放IC芯片性能优良,但价格昂贵,损坏后弃之可惜。笔者在长期维修中发现,这些Ic的损坏有些不是功放管故障,而是Ic中的其他元件故障,稍作修理,仍可利用其中的四个(或部分)功放管。由于这些功放管被固 ...
2023-5-5 11:22
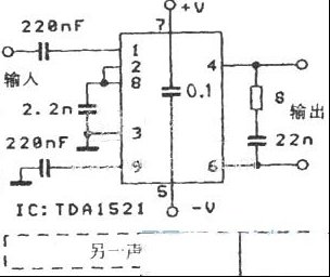
再谈TDA1521的应用
再谈TDA1521的应用
飞利浦公司TDA1521功放集成电路具有短路保护、电源开关时抑噪等功能,符合国际电工委员会IEC268标准和DIN45500高保真条例。但在装机调试、开机过程中极易损坏。本人经长期使用摸索,找出可靠使用TDA1521的一点 ...
2023-5-5 11:22
使用LM1035的前级分频功放
使用LM1035的前级分频功放
这款简洁、新颖的前级电子分频功放其电路如下图所示;其中前置放大省去,读者可根据手头材料自配。本功放采用了NSC公司的直流音量/音调控制器LM1035(也可使用LM1036,LM1040),由于采用直流控制,降低了对电 ...
2023-5-5 11:22
单级前置放大器电路
单级前置放大器电路
笔者受NAD3020合并机音调电路的启发,又本着简洁至上的原则设计制作了这款功放前级电路,获得成功。本电路从信号输入、音调控制到信号输出只用了一级有源电路的“直通快车”,使细微信号的损失与失真降到了 ...
2023-5-5 11:21
采用STK3048和STK6153的实用电路
采用STK3048和STK6153的实用电路
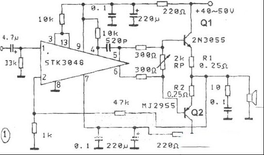
功放厚膜集成块STK3048与STK6153(电子报)已对其内部电路与使用作过详细介绍。本人试用后发现其放音音质确实令人刮目,性价比极高,特别适合于初级烧友和偏爱集成功放的朋友们制作。 1.用STK3048直接推 ...
2023-5-5 11:21
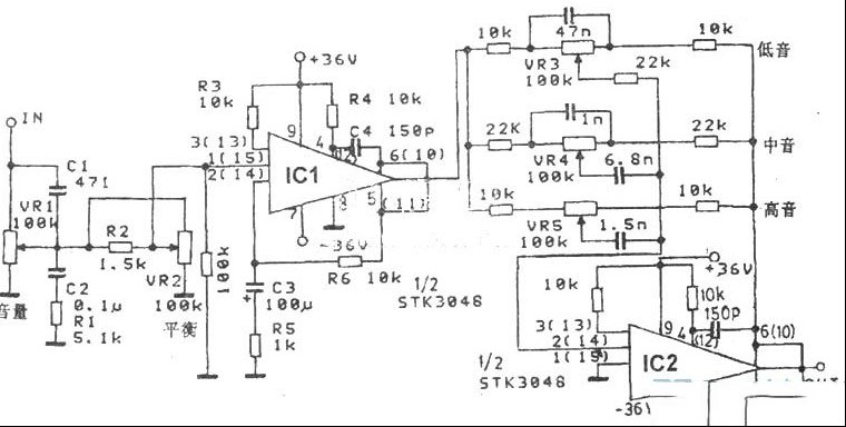
用STK3048的音调电路
用STK3048的音调电路
STK3048低噪双声道电压放大厚膜块是一款质优价廉的高反压双运放,正好用来制作前置和音调板。本音调板采用三段音调控制电路,用两块STK3048分别构成同相放大器和反相放大器。 IC1放大器信号由①(15)脚输 ...
2023-5-5 11:21
STK全厚膜Hi-Fi前后级功放板
STK全厚膜Hi-Fi前后级功放板
START公司用STK3048A和STK6153推出一款全厚膜的前后级合并式功放,电路简洁,音调控制范围宽,动态效果好,胆昧浓郁,其解晰力也不错。 上图1(仅画出一边声道)功放只是对几个参数做了调整,使功放输出端的 ...
2023-5-5 11:21
糯而有劲的功率放大器
糯而有劲的功率放大器
前言:欣赏音乐的不同环境对放大器的要求是不同的。一般的功率放大器都是为在宽阔的房间内用大音量重放而设计的,音量开小了气氛出不来,听音效果会大打折扣。为了能在诸多限制的环境中欣赏到高质量的音响效果 ...
2023-5-5 11:21

QQ|Archiver|手机版|家电维修论坛 ( 蜀ICP备19011473号-4 川公网安备51102502000164号 )

GMT+8, 2025-11-21 21:45 , Processed in 0.129255 second(s), 7 queries .

Powered by Discuz! X3.5

© 2001-2025 Discuz! Team.

返回顶部