找回密码
 请使用中文注册
订阅

功放维修

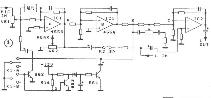
奇声AV-713功率放大器无输出
奇声AV-713功率放大器无输出
故障表现为:放音正常,插入话筒喊话,主声道无输出,而接通3D开关,主声道有输出。 分析与检修:AV-713功放话筒部分电路如图1。 话筒信号经BG1、IC1-A放大后,一路送往后置电位器VR2,一路再经IC1-B、音调调 ...
2023-5-5 11:22
用STK4044制作高保真功放
用STK4044制作高保真功放
我曾用LM1875、TDA1514等器件制作功放,但最后总是嫌它们功率太小,经不起大动态的考验。最近购得一对日本三洋STK4044功放厚膜块,重新组建自己的“重炮”。 STK4044为单声道功放模块,推荐使用电压为±50V, ...
2023-5-5 11:22
用STK6303的300W功放
用STK6303的300W功放
STK6303是三洋公司的一种大功率厚膜集成电路,一块电路分或A、B两面,在国内尚很鲜见。估计是专用于某些进口大功率变频调速用马达伺服。笔者通过反复试验,发现用其B面(见图1)做后级功放的电流放大,用发烧运 ...
2023-5-5 11:22
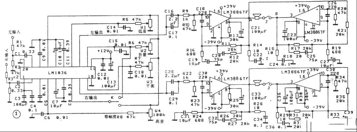
120W×2集成高保真功放板电路
120W×2集成高保真功放板电路
LM1036是美国NS的高品质音调电路,是LM1035的升级品。与因低音增益不足而停产的LM1040相比,仅减少扩展功能(该功能对卡座效果好),但低音的力度及弹性较LM1040更为出色。LM1036的技术指标如下:电源9—18VDC, ...
2023-5-5 11:22
功放集成块LM3886TF应用电路
功放集成块LM3886TF应用电路
LM3886TF是美国NS公司的产品,后缀TF表示散热片采用全绝缘封装,其输出电流大,功率强劲(额定输出功率为70W),很适合作重低音功放。但因重低音信号的频率低于100Hz,已很接近扬声器的低频谐振点。扬声器在低频 ...
2023-5-5 11:22
数字式重低音处理芯片M51134P
数字式重低音处理芯片M51134P
M51134P采用双列直插20脚封装,该电路同时亦能够通过设定外部的滤波器常数将预定频率降低一半,并且其内置VCA(电压控制放大器)的电平设定可由外邵信号源来控制。该IC的内部框图见图1,包括频率检测、调整器、 ...
2023-5-5 11:22
AM/FM立体声收音机芯片AN7025K/S
AM/FM立体声收音机芯片AN7025K/S
AN7025K和AN7025S二者性能一致,但外形封装不同。AN7025K采用22脚双列直插封装,AN7025s采用24脚双列扁平封装。工作电源电压范围为1.8-6.6V。电路内AM部分包含了混频、中放、检波及AGC功能;FM部分包含了中放 ...
2023-5-5 11:22
狮龙RV-6030R AV功放故障检修
故障表现为:南韩产狮龙RV6030R型AV功放通电开机约30秒钟左右自动关机保护,待机灯亮。 故障检修:该机保护功能为开机延时接入负载及过流、过压、过热保护,其中热保护又由二个热敏传感器对散热器、变压器分别检 ...
2023-5-5 11:22
天逸AV放大器AD-5100A、AD-3100A电路原理和维修
天逸AV放大器AD-5100A、AD-3100A电路原理和维修
天逸牌AD-5100A型和AD-3100A型杜比定向逻辑解码AV放大器,是成都亚迪机电研究所开发生产的一种新型家庭影院设备,已获得杜比实验室认证,其中AD-5100A型是带有五声道功放的AV放大器,而AD-3100A型只带有中置声 ...
2023-5-5 11:22
湖山AVK100功率放大器电路原理及维修
湖山AVK100功率放大器电路原理及维修
一、电路原理分析 湖山AVK100型AV放大器采用了全分立元件的主声道功放电路(见图2)。 此电路继承了湖山公司的高保真放大器设计经验和对放音性能的重视,加之在用料上毫不含糊,故此机的放音质量极高,输出功 ...
2023-5-5 11:22
湖山PSM-96功率放大器电路原理及维修
湖山PSM-96功率放大器电路原理及维修
一、湖山PSM-96型放大器的电路原理简析 PSM-96放大器的原理电路见下图1。下面就此放大器电路的特点及电路原理进行简要说明。 1.输出级采用了两对东芝公司的优质大功率管2SC3280和2SA1301,功率余量大, ...
2023-5-5 11:22
奇声AV-671功放有扑扑声故障检修
奇声AV-671功放有扑扑声故障检修
故障表现为:收到同行送来的故障机壹台奇声AV-671功放,开机后 左、右声道均发出“扑、扑”声。 故障检修:该故障部位可能在主声道前级部分,因为查后级各点电压均正常,而且左、右声道同时出现相同故障的可能性极小。查前置放大 ...
2023-5-5 11:22
湖山AVK200家庭影院功放电路分析与检修
湖山AVK200家庭影院功放电路分析与检修
本文以湖山AVK200功放为例,重点讲解系统控制电路、操作显示电路、音量控制电路、杜比解码电路、音调电路、功率放大电路、电源电路等几大电路模块。 一、AVK200功放整体方框图 二、系统控制电路 AVK200 ...
2023-5-5 11:22
奇声AV-737功放电路简析与维修
奇声AV-737功放电路简析与维修
奇声(Qisheng)AV-737是带杜比定向逻辑环绕声的功率放大器,功能齐全,能与其他影音器材搭配,组合成较高档次的家庭影院,在市场上有较高的占有率。同类产品有AV-757、AV-767等型号。 一、电路原理筒析 AV-73 ...
2023-5-5 11:22
湖山AVK100家庭影院功放常见故障分析
湖山AVK100家庭影院功放常见故障分析
湖山牌AVK100杜比家庭影院放大器,是湖山公司于1997年底推出的一款机型。它具有杜比定向逻辑解码、独立数码卡拉OK、CD直通、等响度控制、六组音频和三组视频同步切换、遥控操作等功能。该机输出功率较大,主声 ...
2023-5-5 11:22

QQ|Archiver|手机版|家电维修论坛 ( 蜀ICP备19011473号-4 川公网安备51102502000164号 )

GMT+8, 2025-11-21 21:45 , Processed in 0.128872 second(s), 8 queries .

Powered by Discuz! X3.5

© 2001-2025 Discuz! Team.

返回顶部