找回密码
 请使用中文注册
订阅

功放维修

用6P13P打造超线性20W推挽胆机
用6P13P打造超线性20W推挽胆机
对6P13P这只电子管的认识源于上世纪八九十年代组装14英寸90°偏转角的电子管电视机,当时一只6P13P要8元钱,而我的工资是每月31元。对6P13P的印象是特别耐用,用成都土话说就是“经得整”。记得在组装调试电视 ...
2023-5-5 11:23
一款廉价高保真电子管功放
一款廉价高保真电子管功放
本文介绍一款物美价廉的高保真电子管功放,电路结构简单。笔者受几款示波器电路的启发试制了本机,效果非凡,只要连线无误即可得到满意的效果。为了延伸高频响应,本电路采用了两电压放大。可输出2x26W的不失 ...
2023-5-5 11:23
自制845单端功放方法
自制845单端功放方法
电子管845单端功放的音质在音响界有口皆碑,笔者历时三年,先后四次DIY两款845单端功放,对制作845单端功放中较难处理的高压、难推、信噪比不易提高等难点,有针对性的进行实验,取得了预期音效,电路见图,供 ...
2023-5-5 11:23
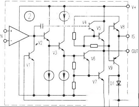
大功率运算放大器OPA541BM电路
大功率运算放大器OPA541BM电路
一、OPA541BM内部方框图 二、OPA541BM典型应用电路
2023-5-5 11:23
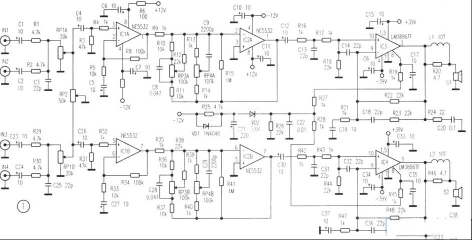
高保真放大板LM3886
高保真放大板LM3886
本文所介绍的LM3886高保真放大板,采用了美国NS公司(国家半导体公司)推出的新型高保真音响功放集成电路LM3886TF作功率放大,用运放NE5532或AD827作前置线性放大和音调放大。其特点有:输出功率大(连续输出功率 ...
2023-5-5 11:23
天逸AD6000功率放大器中置声音失真
故障表现为:收到其他维修同行的一台AD6000型Av放大器,中置声道声音失真,左右声道、环绕声道正常。 故障检修:对这种故障首先要判定是前级解码失真还是后级功放失真,若有信号发生器和示波器就很好判定。只要加上相同信号在功放级 ...
2023-5-5 11:23
天逸AD6000功率放大器无声
故障表现为:收到同行送来的故障机壹台AD6000型AV放大器无声。 故障检修:操作遥控器改变工作模式均无声音输出,但荧光屏相应的显示却正常。根据经验,可初步判定是数据脉冲没传送到控制芯片所造成的。常见为数据传输线路开路所致 ...
2023-5-5 11:23
天龙AVR-2600AV功放显示PROTECT检修
天龙AVR-2600AV功放显示PROTECT检修
故障:开机后面板指示灯频闪,并显示PROTECT字样。 故障检修:天龙AV功放的保护措施较完善。该机为杜比逻辑解码五声道AV放大器,主声道和中置声道为三对大功率对管2SC3855/2SA1491,环绕声道为厚膜集成块SK187 ...
2023-5-5 11:23
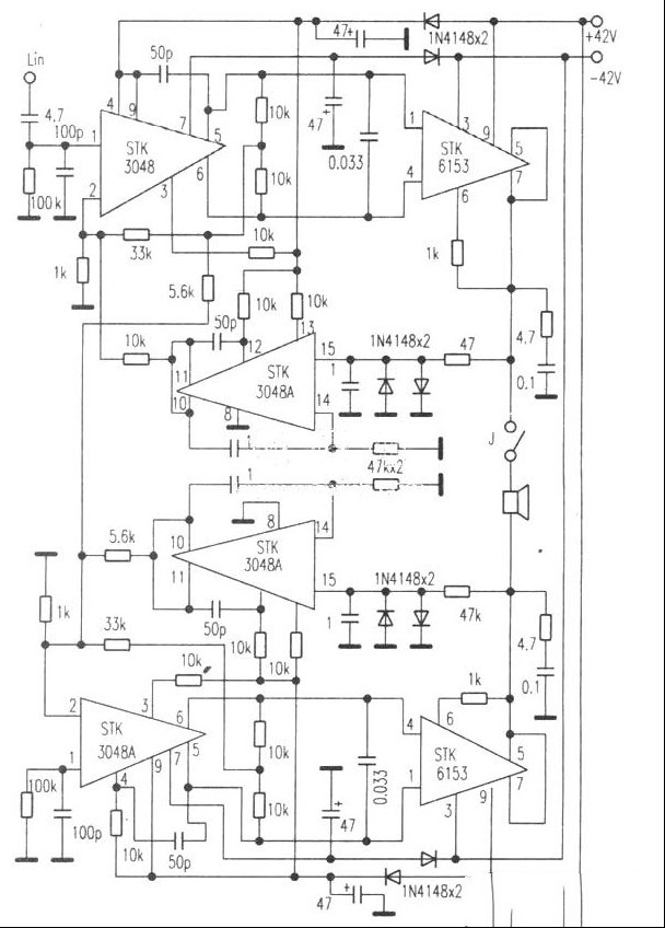
采用STK3048A与STK6153的优质功放
采用STK3048A与STK6153的优质功放
本文介绍的这款应用电路如下图所示,其主要技术特点有四: 第一、采用BTL接法,输出功率可达300瓦左右,能轻松自如地提供大电流给扬声器,力度十足,又无类似炸裂感的失真。 第二、采用无“大环”负 ...
2023-5-5 11:23
杜比虚拟环绕声芯片QS7779
杜比虚拟环绕声芯片QS7779
概述:QS7779采用著名的加拿大Q-Sound音频实验室技术Q-Surround并由日本公司Seponix生产的QS7779PF/QS7779CF的音频处理Ic,可以真正在二路立体声系统中使杜比环绕声实现虚拟化,即用二路扬声器可聆听三维杜比 ...
2023-5-5 11:23
Hi-Fi集成功放TDA7294
Hi-Fi集成功放TDA7294
概述:欧洲著名SGS-THOMSON意法微电子公司推出一款Hi-Fi大功率DMOS集成功放电路TDA7294,该器件15脚封装。 一、外形及端脚见图 ①待机地,②反相输入,③同相输人,④地,⑤、11、12空脚,⑥自举,⑦+vs(信 ...
2023-5-5 11:22
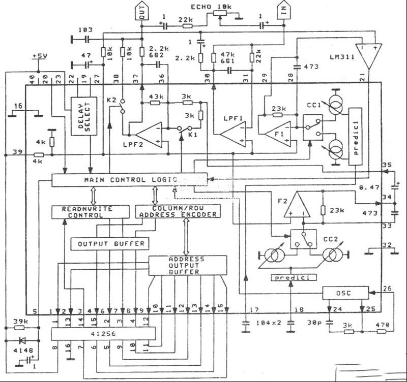
高性价比数码卡垃OK电路M-65850P
高性价比数码卡垃OK电路M-65850P
家电维修小编给大家分享这篇文章介绍的数码卡拉OK处理电路M65850P由日本三菱公司97年推出,内含输入、输出低通滤波器、A/D、D/A变换器和SRAM静态存贮器、时钟振荡器以及自动复位、开机静音、延迟、主控逻辑电路等,内部方框图见图1。 ...
2023-5-5 11:22
无线话筒系统ICM-306
无线话筒系统ICM-306
概述:ICM-306无线麦克风系统是由ICM-306接收机和ICM-306A、B手持话筒发射器组成,可用于任何卡拉OK或扩音系统。笔者依据实物寻找相关资料后将实际电路绘制如下。 上图1中的话筒发射器集成电路是莫托洛拉公司 ...
2023-5-5 11:22
奇声AV功放数字回响PT2395集成电路
奇声AV功放数字回响PT2395集成电路
奇声AV388D/F、AV638、AV663、AV668、AV669D等功放,均采用台湾普城技术公司的PT2395做数字回响电路。该芯片可完成对音频信号的A/D转换、数字存储、延时控制、D/A转换、低通滤波等处理,具有失真小、信噪比 ...
2023-5-5 11:22
奇声AV-713功率放大器若稍微加大音量,主音箱无声
奇声AV-713功率放大器若稍微加大音量,主音箱无声
故障表现为:在中等音量聆听节目源时正常,若稍微加大音量,就会出现主声道无输出(主音箱无声),且指示灯不停地闪烁;关小音量,关机后重现开机,又可正常放音,但—加大音量,故障又会重新出现。 分析与检修: ...
2023-5-5 11:22

QQ|Archiver|手机版|家电维修论坛 ( 蜀ICP备19011473号-4 川公网安备51102502000164号 )

GMT+8, 2025-11-21 21:45 , Processed in 0.133421 second(s), 8 queries .

Powered by Discuz! X3.5

© 2001-2025 Discuz! Team.

返回顶部