找回密码
 请使用中文注册
订阅

功放维修

试装同极性场效应管功放
试装同极性场效应管功放
场效应管偶次谐波丰富,听感颇有电子管的风味。而且其输出功率相比电子管可以做得很大,且成本不高,所以胆前级配场效应管功放,在发烧圈内很流行。 本电路输入部分较为简洁,采用一对性能指标完全一 ...
2023-5-5 11:34
采用小功率发射管2P29的胆前级
采用小功率发射管2P29的胆前级
小功率直热式五极管2P29系小七脚管,主要用于高频振荡发射电路及小功率放大,将此管接成三极管用于音频前级电压放大电路,线性好、音色靓、透明度高,笔者用此管制作前级,取得了满意的音效。 一、电路原 ...
2023-5-5 11:34
谈谈音响系统的功率搭配
一对音箱本身有一个额定功率,这个功率按国际电工学会标准来讲,应该称之为连续输出功率(RMS)。它代表着音箱可以在这样的功率下长期工作而不会损坏,且只产生较小的失真。相当一部分音箱还会有一个推荐放 ...
2023-5-5 11:34
功放中功率管的应急代换方法
功放中功率管的应急代换方法
在日常的功放维修中,遇到功率管烧坏但无合适的对管替换时,可以考虑用不同型号、不同类别的功率管来代换,如用常见的NPN管替代PNP管,用场效应营替代功率三极管,或用三极管替代场效应管。特别是场效应管 ...
2023-5-5 11:34
雷击机影音产品的故障特征和检修要点
雷雨季节,总有一些家电被雷击损坏,本文仅就碟机和AV功放遭到雷击后的故障特征和检修要点谈一下笔者的浅见。 一、故障特征 碟机和AV功放遭受雷击的主要途径,一是由电网通过电源线引入机内;二是碟机通 ...
2023-5-5 11:34
AV功放声轻的故障检修
AV功放声轻的故障检修
故障表现为:收到同行送来的故障机壹台KN9000AV功放,开机后经延迟数秒可听到继电器吸合声,配接音箱可听到轻微的静态噪声,输入音乐信号,在音量开到最大时有严重失真输出。 故障检修:最初怀疑功放电路故障,开机检查中间电位0 ...
2023-5-5 11:34
调音台电路原理分析
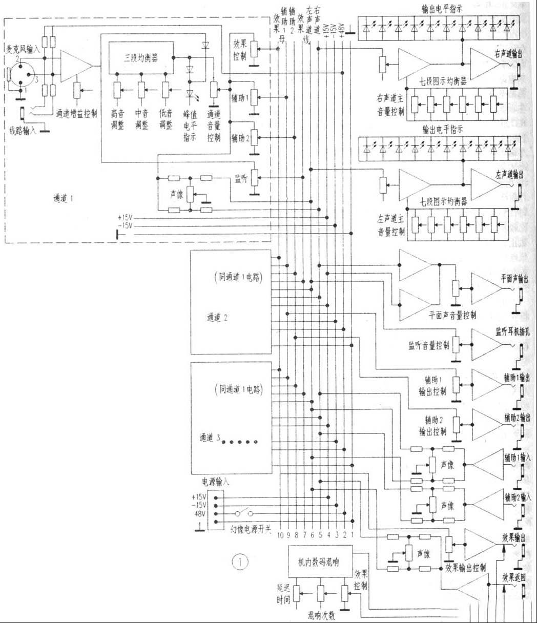
调音台电路原理分析
调音台自8路、10路、12路、16路和24路等多种规格。按电路组成有常规型和内置功放型两大类。常规型又分内置电源和外配电源两种,各机型主要电路和结构大同小异。图1是结构框图,每个通道单独做在一块印 ...
2023-5-5 11:34
用曙光管EL156制作胆机功放
用曙光管EL156制作胆机功放
近年来曙光电子管厂新研制开发了多款Hi-Fi放大器用的电子管,其中很受现代胆机DIY者瞩目的是新型号功率输出五极管EL156,此胆是棕色胶木座,8脚管,管脚接线见图1,阳极耗散功率为50W,比常用的功放管EL3 ...
2023-5-5 11:34
简单易制的50W功放电路
简单易制的50W功放电路
最近自制了一款功放,用来驱动一对自制的书架箱。这款功放总共只有17个零件,却收到了意想不到的效果,还音效果真实,频响平直,解析力高,功率达50W。此功放可谓一装即成,特别适合初学者制作,现介绍如下 ...
2023-5-5 11:34
自制胆前级放大器
自制胆前级放大器
很多音响爱好者喜欢胆机优美、柔和的音色,但往往又因为已有了晶体管放大器而不想“另起炉灶”配置一套胆机。实际上完全可以利用已有的晶体管放大器,在前面加一个胆前级,亲自体验一回胆机的音色。这里 ...
2023-5-5 11:26
6P3P三极管接法小胆机
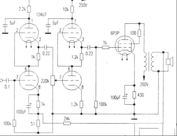
6P3P三极管接法小胆机
在家庭温馨的卧室里听音乐,声音不必开得很大,有2W的声功率已足够,但对音质的要求却很高。笔者根据手头现有元件,自制了一款双声道6P3P三极管接法的小胆机,声音柔和纤细,声底十分宁静,取得了较好的 ...
2023-5-5 11:25
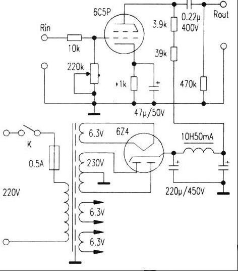
复合屏极电子管6C5P前级
复合屏极电子管6C5P前级
复合屏极三极电子管6C5P,直流参数基本与6N8P相近,交流参数优于6N8P。6C5P虽属于三极管,但实为四极复合屏极三极管,在屏极与栅极之间加了一个特殊栅极并与屏极直接相连,使得屏栅极间电容变小,高频特 ...
2023-5-5 11:25
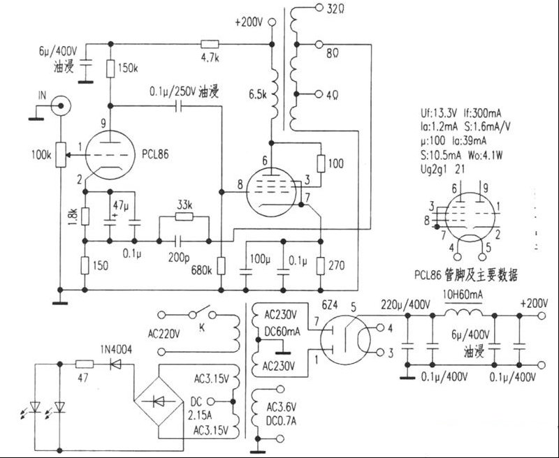
国际流行的复合胆管小功放耳放两用机
国际流行的复合胆管小功放耳放两用机
笔者花不到30元买到几支原盒TUNGSRAM的PCL86三极五极管,此管早年主要用于欧洲收音机、电视机音频功率放大。拥有量不小。可能由于其13.3V的非标灯丝,使得此管如此价廉。比起同类大管(已被炒到800~1000 ...
2023-5-5 11:25
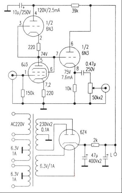
用6J3、6N3制作的高保真耳机放大器
用6J3、6N3制作的高保真耳机放大器
笔者找出上世纪六七十年代购置的电子管,又玩起新潮的胆机。通过查阅资料,筹集元器件,先后制作了FU-50单端甲类功率放大器,FU-50甲类推挽功率放大器和6N5P OTL功率放大器。休闲时轮流用这几款放大器欣 ...
2023-5-5 11:25
等响度2P3胆前级
等响度2P3胆前级
通常胆管音频放大器使用直热管声音要靓于旁热管,而使用直热束射管又要靓于直热三极管或多极管,笔者用直热束射管2P3制作收到其他维修同行的一台等响度前级,既可以作为电脑声卡放大,也可以作为CD、DVD等数码音源作胆味校 ...
2023-5-5 11:25

QQ|Archiver|手机版|家电维修论坛 ( 蜀ICP备19011473号-4 川公网安备51102502000164号 )

GMT+8, 2025-11-21 17:40 , Processed in 0.126638 second(s), 7 queries .

Powered by Discuz! X3.5

© 2001-2025 Discuz! Team.

返回顶部