找回密码
 请使用中文注册
订阅

功放维修

森海塞尔MX400耳机两只耳机音量不平衡
故障表现为:朋友甩过来一副老版的森海塞尔MX400耳机,说是一只“耳朵”声音明显小于另一只“耳朵”。 故障检修:音轻的耳机我修过十几只,无非振膜粘连、磁钢偏边、音圈擦边、异物吸附磁钢缝隙导致振膜无法运动 ...
2023-5-5 11:36
新科功放机无声故障检修
故障表现为:收到同行送来的故障机壹台新科牌HG5280型AV功放,将音量电位器开至最大,声音仍然很小。 故障检修:通电,试按音源切换键,相应的音源指示灯能点亮。说明操作功能正常。对类似故障,笔者一般采用以下三个步骤来判断故 ...
2023-5-5 11:36
卡拉OK集成电路M65831引起的常见故障检修
卡拉OK集成电路M65831引起的常见故障检修
M65831用于话筒的混响放大和延时处理,常见的应用电路如下图所示(以琴谱BT220A为例),其电路的工作原理如下: 两路话简信号分别从IC1的③、⑥脚输入,经前级电路放大后,分别从①、⑦脚输出,再经各自 ...
2023-5-5 11:36
迅达AV-900ES功放保护电路误动作的分析与改进
迅达AV-900ES功放保护电路误动作的分析与改进
笔者收到同行送来的故障机壹台迅达AV-900ES功放,工作时继电器常会“嘀嗒”一声切断输出,经一同行修理之后故障依旧。 开盖观察,发现继电器驱动管Q1(2N5551)已被前维修者换成C2073(见下图1),其表面已呈紫黑色,下部 ...
2023-5-5 11:36
天逸AD-6000放大器主R声道声音稍小,有失真
天逸AD-6000放大器主R声道声音稍小,有失真
故障表现为:收到同行送来的故障机壹台天逸AD-6000放大器,主R声道声音稍小,有失真,中置与环绕声道声音正常。 故障检修:中置与环绕声道声音正常,说明微处理器和M624602工作基本正常,故障在SRS、BBE电路、前置放大器或主功放 ...
2023-5-5 11:36
天逸AD-5100A放大器开机瞬间有“砰”电流冲击声
故障表现为:收到同行送来的故障机壹台天逸AD-5100A放大器,开机瞬间有“砰”电流冲击声,TEST指示灯常亮。 故障检修:在路检测D5(1N4004)正、反向电阻无异常,拆下C108、C109用数字万用表电容挡检测正常。检测LM324的±12V供电, ...
2023-5-5 11:36
湖山AVK200放大器唱卡拉OK时,话筒输入无声
湖山AVK200放大器唱卡拉OK时,话筒输入无声
故障表现为:收到同行送来的故障机壹台湖山AVK200放大器,唱卡拉OK时,话筒输入无声,其他功能正常。 故障检修:在卡拉OK状态,用完好的话筒从MIC1、MIC2输入信号均无声,见下图,而在环绕声状态下的延时信号正常,分析是话筒输 ...
2023-5-5 11:36
湖山AVK100功放整机各声道均无输出,但显示正常
故障表现为:收到同行送来的故障机壹台湖山AVK100功放机,整机各声道均无输出,但显示正常。 故障检修:显示正常说明系统控制电路工作正常,故障应在电源电路或扬声器保护电路,测量TA7317P的⑥脚为高电平,继电器3K1、3K2触点不吸 ...
2023-5-5 11:36
高士AV9092放大器手控各功能正常,遥控功能失常
故障表现为:收到同行送来的故障机壹台高士AV9092放大器,手控各功能正常,遥控功能失常。 故障检修:首先将遥控器靠近收到其他维修同行的一台开着的AM波段收音机,按动遥控器按钮,收音机中无“嘟嘟”声。用示波器观测IC103(6121)⑧、⑨脚间振荡电 ...
2023-5-5 11:36
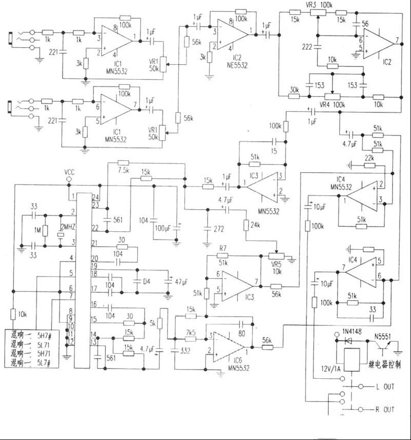
高士AV9092放大器,演唱卡拉OK时有歌声,但无混响效果
高士AV9092放大器,演唱卡拉OK时有歌声,但无混响效果
故障表现为:收到同行送来的故障机壹台高士AV9092放大器,演唱卡拉OK时有歌声,但无混响效果,调节ECHO电位器无效。 故障检修:该机的数码延时混响电路由Ic105(M65850P)和有关外围元件组成,相关电路见下图。M65850P是内置20 kb ...
2023-5-5 11:36
高士AV-338E放大器环绕声道声音正常,但左、右声道均无声
故障表现为:收到同行送来的故障机壹台高士AV-338E放大器,环绕声道声音正常,但左、右声道均无声。 故障检修:检查扬声器保护继电器在开机后无触点吸合声,说明扬声器保护电路工作异常或功率放大电路有故障使保护电路动作。用万 ...
2023-5-5 11:36
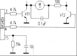
高士AV-338E放大器,面板按键正常,用遥控器控制音量失灵
高士AV-338E放大器,面板按键正常,用遥控器控制音量失灵
故障表现为:收到同行送来的故障机壹台高士AV-338E放大器,面板按键正常,用遥控器控制音量失灵。 故障分析:故障应在音量电位器电机驱动电路部分。正常时,在操作遥控器上音量增,减键时,BA5409③、④脚发出控制指令,通过VT1 ...
2023-5-5 11:36
浅谈电子管功率放大器的维修
一、无声故障的检修 引起放大器无声的因素比较多,在确定扬声器无故障后,可以按以下步骤检修。 1.不通电测量 (1)在输出变压器的次级接好与标称值阻抗相符的扬声器。用万用表的电阻挡测量输出变压 ...
2023-5-5 11:36
功放电位器有噪音的原因
笔者最近在处理收到其他维修同行的一台旋动电位器时一声道有“咔啦”声的功放时,就未加思索地将原电位器换新,之后旋转噪声的确消失,本以为故障已消除。但不久后该机又出现了电位器旋转噪声,并且仍旧是原故障声道,难道才 ...
2023-5-5 11:36
STK439功放右声道无声检修
笔者收到同行送来的故障机壹台采用STX439集成电路组装的功放机,右声道刚开机时正常,但随工作时间延长,声音渐渐变小直至完全无声,但左声道始终正常。 检查STK439各脚电压,当表笔触碰到15脚时,声音突然恢复正常,移 ...
2023-5-5 11:36

QQ|Archiver|手机版|家电维修论坛 ( 蜀ICP备19011473号-4 川公网安备51102502000164号 )

GMT+8, 2025-11-21 16:40 , Processed in 0.121590 second(s), 7 queries .

Powered by Discuz! X3.5

© 2001-2025 Discuz! Team.

返回顶部