找回密码
 请使用中文注册
订阅

功放维修

如何用好TDA7264
如何用好TDA7264
TDA7264是SGS-THOMSON公司在前几年推出的一款优质、接线极其简单的高保真功放集成电路。该电路具有完善的过流、过压保护,且只有8个脚,比TDA1521A使用更方便、功率更大,而且适用的电压更宽。从+10V到+28 ...
2023-5-5 11:37
简单易制的三管耳机放大器
简单易制的三管耳机放大器
本文笔者本着少花钱的原则和发扬自己动手的DIY精神,设计制作了这个三管耳机放大器。整个电路的设计原则是用尽量少的元件,达到简洁而又音色迷人的效果。 电路原理如图1。采用6N3共阴放大和6N6×2 W ...
2023-5-5 11:37
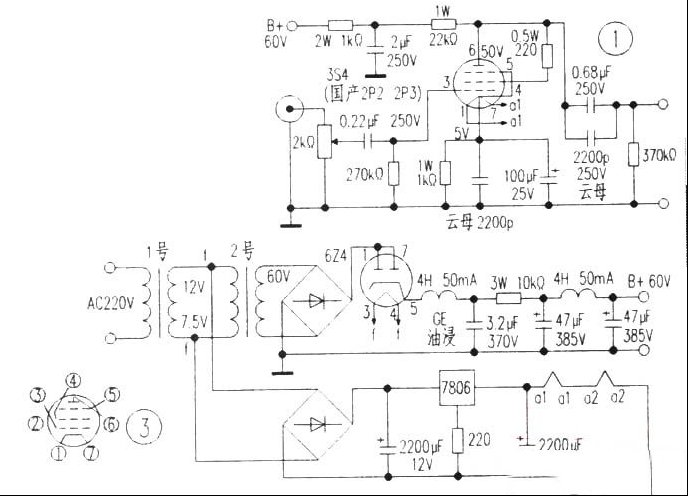
提高胆管扩音机直流高压电源的有效方法
提高胆管扩音机直流高压电源的有效方法
要使胆管正常工作,第一要有加热阴极的灯丝电压,第二要有足够高的屏极及帘栅电压,第三要有合适的栅偏压,胆管一般都工作在负栅偏压下。 常见的30w~50W音频扩大机使用一段时间后,由于推挽输出胆管 ...
2023-5-5 11:37
使用GTD201/GTD101的IGBT声频功放
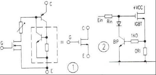
使用GTD201/GTD101的IGBT声频功放
IGBT是最近十几年来使用很广的大功率半导体器件。IGBT的主要运用一般是在电力电子领域,它接通电阻小于VMOS管而工作频率高于双极型大功率晶体管的基本优点使之成为VMOS和双极大功率晶体管的强烈竟争对手 ...
2023-5-5 11:37
为全平衡输入MOS管甲类功放配置的胆前级
为全平衡输入MOS管甲类功放配置的胆前级
应朋友要求,为他的全平衡输入MOS管甲类功放配置了电子管前级,使用下来觉得声音表现还不错,特别在听弦乐和女声时有相当的韵味。 电原理图如图1所示,前半段采用了和田茂氏电路构造,输出级采用 ...
2023-5-5 11:37
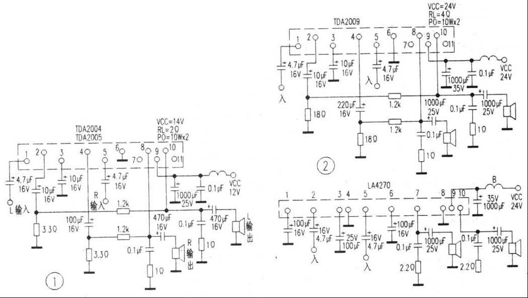
几款车用音响实用简图及集成块代换案例
几款车用音响实用简图及集成块代换案例
在车用音响检修中,损坏最多的部位往往是功率放大部分,尤以功放集成块击穿居多,图1-图8是笔者在检修工作中实测的几款车用机功放块电路原理图,结合笔者维修中对功放集成块的代换实践,写出供同行参考 ...
2023-5-5 11:37
家庭影院组合中不容忽视的阻尼系数
对于大部分自己动手搭配家庭影院的人来说,在选购功率放大器(功放机)和音箱时,通常只注意到功率与灵敏度的配合,而忽略了阻尼系数的数值。实际上,阻尼系数的高低,在整个音响系统组合中也占有重要位置。 ...
2023-5-5 11:37
音质活泼细腻的6N9P混合偏置胆前级
音质活泼细腻的6N9P混合偏置胆前级
6N9P系旁热式氧化物阴极双三极管,主要用于低频电压放大,同类型号有6H9C、6SL7、12SL7、5691、ECC35等,此管基本参数见附表。6N9P是音频专用高u管,通常高u管分析力欠佳,而6N9P分析力较高,现用此管制作 ...
2023-5-5 11:37
Hi-Fi放大器输入信号线的接法
Hi-Fi放大器输入信号线的接法
DIY者都知道,影响音响器材靓声有三大要素,即线路、元件和工艺。用同一线路,同等级元件,制作工艺的优劣音效会有天壤之别,工艺水平差者甚至不能正常工作。下面介绍Hi-Fi音响放大器输入端信号线的连接 ...
2023-5-5 11:37
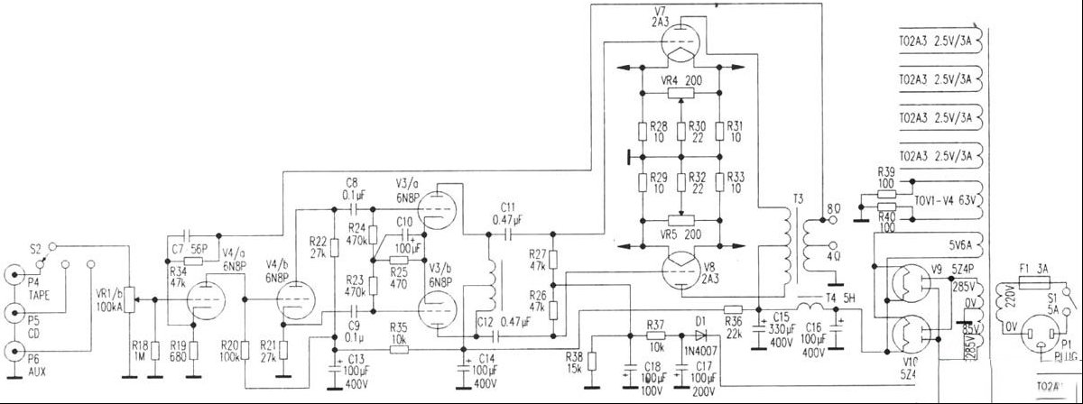
Bewitch NO.2A3推挽功放电路
Bewitch NO.2A3推挽功放电路
出于对2A3推挽功放的兴趣,笔者对该机提供的线路作了一番研究。该机原理图见附图(功放部分只画出其中一个声道)。 1.输入与倒相级 输入与倒相级由中放大系数双三极管6N8P(6SN7)担任,其中一半采 ...
2023-5-5 11:37
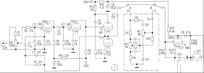
3S4袖珍胆前级
3S4袖珍胆前级
欧美产电子管3S4,是上世纪五六十年代非常著名的直热式小7脚强放管,屏极呈银白色。别看它个头小,功能却强大,一只3S4做成的再生式发射电路,可以轻易地将电波送到境外。那个年代玩电子管单管收音机,朝思 ...
2023-5-5 11:36
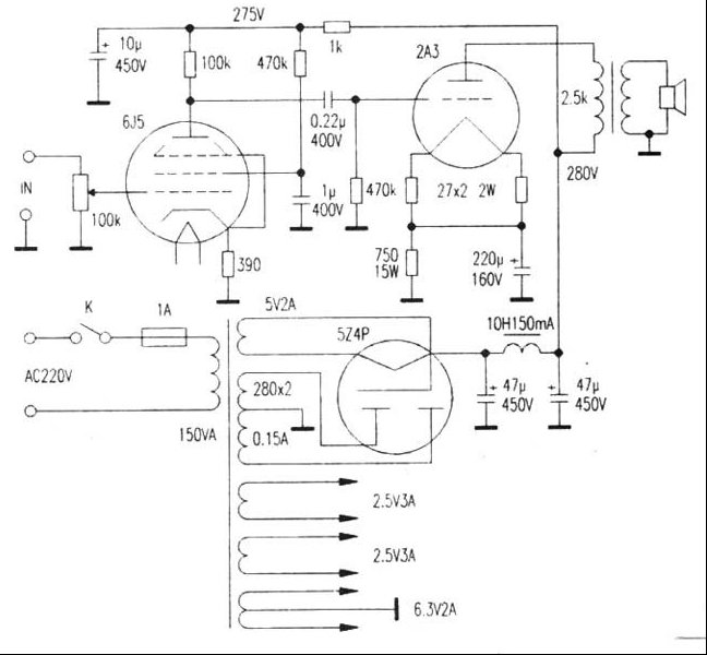
用束射管6J5推2A3
用束射管6J5推2A3
2A3单端功放输出功率4W左右,新款曙光2A3C可达5W左右,在推一些低灵敏度音箱时,常显力度不足。笔者选用束射管6J5来推动2A3,取得较好效果,束射管电子流在束射板的电场作用下,使电子流汇聚一起射向板 ...
2023-5-5 11:36
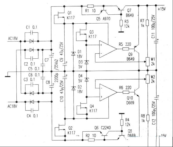
优质恒流恒压电源电路
优质恒流恒压电源电路
在放大器中,稳压电源的品质直接影响到放大器的音质。因而许多音响爱好者对放大器的电源部分投入了较大的精力和财力,以期聆听到背景寂静及韵味浓郁的音乐。 十几年来,本人制作使用了多款稳压电源, ...
2023-5-5 11:36
道盛3208A有源音箱的剖析与打摩
道盛3208A有源音箱的剖析与打摩
道盛3208A型2.1声道有源音箱,其最大的特点是低音箱体体积较大,在低频下潜深度及量感上较市面上大多数2.1音响系统有质的差别,该系列有一款改进产品销售,型号为3208C,其外观和电路与原3208A保持不变,不 ...
2023-5-5 11:36
IPOC MP3耳机一个声道无声
故障表现为:笔者收到故障机一个IPOC MP3耳机一个声道无声。 故障检修:无声故障有两种情况,要么被拉扯断线,要么音圈开路。依然用指甲沿面罩扣槽划开,用放大镜仔细观察音圈接头处,发现一根线已经断开,由于断线两 ...
2023-5-5 11:36

QQ|Archiver|手机版|家电维修论坛 ( 蜀ICP备19011473号-4 川公网安备51102502000164号 )

GMT+8, 2025-11-21 16:40 , Processed in 0.131220 second(s), 8 queries .

Powered by Discuz! X3.5

© 2001-2025 Discuz! Team.

返回顶部