找回密码
 请使用中文注册
订阅

功放维修

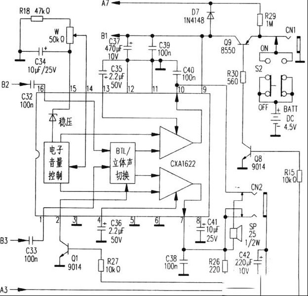
采用CXA1622芯片的德生收音机维修
采用CXA1622芯片的德生收音机维修
在德生系列收音机产品以中、高档收音机为主,品种很多,如8波段R-808A、10波段R-1010A、12波段R-9700、数字调谐PL737收音机等,几乎全部使用集成电路CXA1622作功率放大器(该功放电路在随身听及其他收 ...
2023-5-5 11:38
迪桑R-737收音机电路原理分析
迪桑R-737收音机电路原理分析
下图是一款迪桑R-737型多功能七波段钟控收音机电原理图;由图1可知,该机电路主要由钟控与收音两部分组成。其钟控部分的核心是一块类似电子表芯的厚膜电路,受功能开关SW2与SNOOZE(蜂鸣闹 醒,在设定 ...
2023-5-5 11:38
采用CXA1019与CXA1191集成电路收音机的维修
采用CXA1019与CXA1191集成电路收音机的维修
CXA1019与CXA1191是早期日本索尼半导体公司出品的一款集成电路,它内部包含了组成调频/调幅(FM/AM)收音机所需的从高放、混频、中放、检波(鉴频)直至音量控制、功率放大的全部电路。CXA1191还含有调 ...
2023-5-5 11:38
德生R1010A收音机电路原理与维修
德生R1010A收音机电路原理与维修
德生R1010A收音机没有MW、SW1~8及FM十个波段,其电路如下图1所示。图中,TEA5711为飞利浦公司生产的FM/AM(调频/调幅)集成芯片,内部包含有高放、本振、混频、中放、检波、鉴频、立体声解码等电路 ...
2023-5-5 11:38
德生R909T收音机碰摔后AM收不到电台,波段切换指示正常
德生R909T收音机碰摔后AM收不到电台,波段切换指示正常
故障表现为:笔者收到故障机到这台德生R909T收音机,此机碰摔后AM收不到电台。波段切换指示正常,FM收音正常。 故障原因分析:测量CXA1191M的15脚电压,波段切换正常, FM收音也正常,说明集成电路正常。AM收不到电台应 ...
2023-5-5 11:38
德生R909T收音机只能接收FM波段电台
德生R909T收音机只能接收FM波段电台
故障表现为:笔者收到故障机这台德生R909T收音机的故障表现是只能接收FM(调频)波段的电台,不能切换到AM(调幅)波段。 故障原因分析:既然能接收FM波段的电台,说明集成电路CXA1191M基本正常。电路中AM与FM波段的切换,没有 ...
2023-5-5 11:38
德生牌二次变频收音机R9701电路原理分析
德生牌二次变频收音机R9701电路原理分析
接收机的二次变频技木早先主要用于军事通信领域,以后逐渐用于民用通讯设备,如对讲机、移动电话、收信机等。国内将此技术移植于收音机中的德生公司第一家。第一代“短波王”R9700的推出,曾畅销大江 ...
2023-5-5 11:38
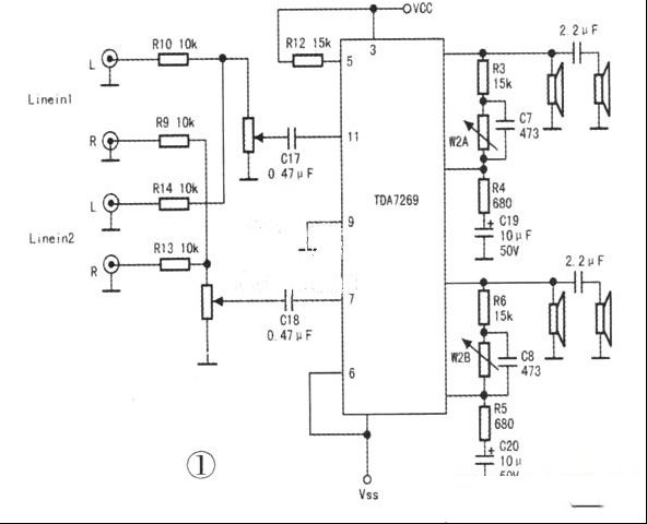
有源音箱的维修与改进
有源音箱的维修与改进
本文笔者检修收到其他维修同行的一台润宝轻骑兵M2立体声有源音箱,左右声道均无声,经查为TDA7269损坏,电路见图1。修好后用户说此机接VCD信号时,声音有些小,要求改进。 该机信号直接输入功放芯片,没有前置 ...
2023-5-5 11:38
一款音调可调的胆机电路
一款音调可调的胆机电路
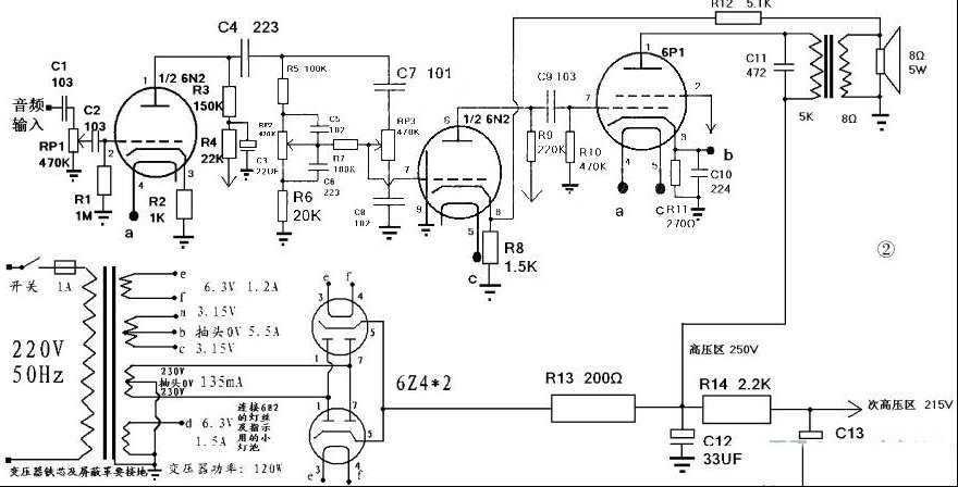
本文笔者绘制的电路图下图所示,220V交流电通过开关和保险管后连接到电源变压器的初级绕组上,电源变压器的次级分为以下几组; 1、高压绕组 230V*2,电流135mA。抽头接地。这组高压经 过两 ...
2023-5-5 11:38
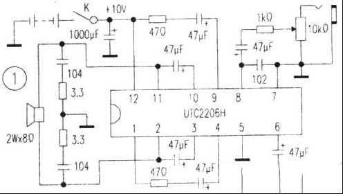
格莱美SH-138腰带式扩音机无声故障检修
格莱美SH-138腰带式扩音机无声故障检修
笔者收到其他维修同行的一台格莱美SH-138腰带式扩音机,出现无声故障。经检查电源电压基本正确,话筒、喇叭良好,该机使用的IC为UTC2206H。因无图纸资料只好照实物画出线路图(见图)。测量IC各脚电压后(应提供其具体正常 ...
2023-5-5 11:38
两款适合发烧友制作的单端胆机
两款适合发烧友制作的单端胆机
一、用FU-7(欧美型号为807)的功放 该管价格便宜,市面上有相当的数量.用其制作的单端功放,高频细腻,低频力度厚实,有弹性,人声表现相当通透。本电路只用一只6N9P胆管做推动,接成SRPP电路,末级功率 ...
2023-5-5 11:37
电脑用音响系统DIY设计
电脑用音响系统DIY设计
本文笔者试听了几种有源音箱,效果都不满意,便产生了自己动手制作电脑专用音响系统的念头。试用后效果良好,特介绍如下。 一、设计理念 笔者主听音室约20平方米。在这个居住人口高度密集的大都 ...
2023-5-5 11:37
用LM1875替代TDA2030
用LM1875替代TDA2030
收到其他维修同行的一台多媒体有源音箱出了问题,打开后发现其核心功放模块TDA2030已烧坏,因手头一时半会找不到TDA2030,于是就用和它封装一样的LM1875替代。并在原电路的基础上加上NE5532做前级音调电路推动该集成功放, ...
2023-5-5 11:37
用TDA2030给NE5532提供双电源供电
用TDA2030给NE5532提供双电源供电
功放中的前置放大器,一般都采用双电源供电,即对称的正负电源供电。业余制作时,又会碰到手头无双电源。这就给制作带来困难。本文介绍利用TDA2030将单电源转换双电源给前置放大器NE5532供电,电路如下 ...
2023-5-5 11:37
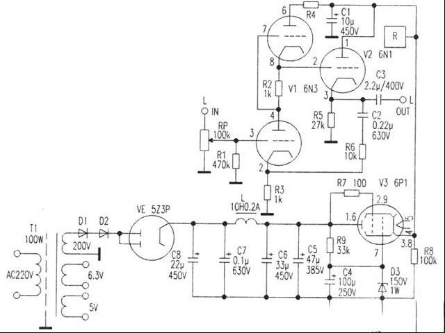
9RPP校声胆前级
9RPP校声胆前级
本电路先用二极管半波整流后再加胆管5Z3P二次线性电源校声,提高放音品质。再用低频扼流圈做经典的CLC型滤波,稳压电路由V3(6P1)组成胆管稳压电路供电。 电子管6N3和6N1均使用北京管,前级由V1组成SRP ...
2023-5-5 11:37

QQ|Archiver|手机版|家电维修论坛 ( 蜀ICP备19011473号-4 川公网安备51102502000164号 )

GMT+8, 2025-11-21 14:29 , Processed in 0.127347 second(s), 7 queries .

Powered by Discuz! X3.5

© 2001-2025 Discuz! Team.

返回顶部