找回密码
 请使用中文注册
订阅

功放维修

扬声器极性的判别方法
扬声器极性的判别方法
广大发烧友在制作、维修、选购扬声器时,要特别注意扬声器的正负极。在装配音箱时,如果把“+-”极接反,扬声器就会产生相位失真。 本文笔者在维修扬声器和音箱时,经常见到国内外的场声器生 ...
2023-5-5 11:39
电子管碰极的修理方法
电子管碰极的修理方法
今年初笔者用不菲的价格从网上邮购了一对美国GE的二手电子管6SN7GT,到手一试,其中一只不能工作,用万用表10k挡测试,①脚和⑦、⑧脚导通,判断是阴极和栅极碰极短路,心疼了好几天!后来受到早期修理黑 ...
2023-5-5 11:39
谈一谈电子管桥式整流
谈一谈电子管桥式整流
笔者在胆机制作中,有一种纯粹的追求:既然是胆机,就一定要采用胆整流。而全波胆整流需要两组对称的高压绕组,不但增加电源变压器的绕制难度,漆包线使用量大大增加,而且绕制不紧凑时窗口还装不下。 ...
2023-5-5 11:39
扬声器的使用与选购的技巧
笔者人士的一些发烧反对音箱有较高的要求,对于好的功放需要有与其相匹配的扬声器,扬声器的型号很多,性能参数、口径大小、使用范围各不相同,选用时要根据具体的使用条件而定,不能盲目地追求高功率、 ...
2023-5-5 11:39
采用CXA1019电调谐调频广播接收机电路分析
采用CXA1019电调谐调频广播接收机电路分析
本文介绍的压控电调谐调频广播自动接收机,不存在可变电容的动、定片因热涨冷缩等因素影响,引起容量的变化,从而造成接收频率的漂移。用于压控调谐的电位器,其安装位置不受电路板的限制,可根据需要 ...
2023-5-5 11:39
采用TDA7021T的微型调频收音机电路分析
采用TDA7021T的微型调频收音机电路分析
本文笔者说的这款收音机(WS-4501)是深圳伟达电子厂生产。其电路主要采用了菲利浦TDA7021T调频IC,频率范围:88~108MHz;灵敏度:20uV/m;输出功率: 3mW;耳机阻抗: 32Ω+32Ω;电源:DC3V(两节7号 ...
2023-5-5 11:39
谈一谈调频广播的超远程高保真接收
谈一谈调频广播的超远程高保真接收
调频(FM)广播的接收是近几年来,特别是去年的一个热门话题,这是因为调频广播较调幅(AM)广播音质好、保真度高、抗干扰性强、节目丰富,最关键的是成本低廉,现在虽然数字音源比比皆是,如CD、VCD、DVD ...
2023-5-5 11:39
给德生R202T收音机加装调谐指示
给德生R202T收音机加装调谐指示
德生R202T收音机采用了索尼公司的单片FM/AM收音机专用集成电路CXA1191M,该集成电路的19脚为调谐指示端,但原机中该集成电路的18、19、20三脚全部接地,只有电源指示而无调谐指示,使用起来很不方便 ...
2023-5-5 11:39
增加德生PL737收音机电台存储量方法
增加德生PL737收音机电台存储量方法
经查资料,PL737所使用的芯片为TC9307。资料中虽说明此芯片在欧美地区可存储十个电台,在亚洲地区只能存储五个电台,但经本人试验,完全可实现十个电台的存储。厂家不知为何做成只能存五个的,有些地 ...
2023-5-5 11:39
摩机德生PL737钟控收音机电源外接
摩机德生PL737钟控收音机电源外接
德生PL737钟控收音机耗电较大,免不了为电池消耗发愁,而使用交流整流供电时一不小心就会丢失存储信息。于是决定作以下摩机。 打开收音机外壳,将该机电源接口的动触头与静触头焊接在一起,使 ...
2023-5-5 11:39
德生R9701收音机波段开关检修思路
德生R9701收音机波段开关检修思路
笔者手头上有收到其他维修同行的一台德生R9701型收音机,口能工作在FM波段,按AM键,AM灯亮,但手一松,又回到FM波段。下图是该机电子转换开关原理图,Q6、Q7等元件构成双稳电路。按AM键,测得Q7 b极电压能从FM波段时的0 ...
2023-5-5 11:39
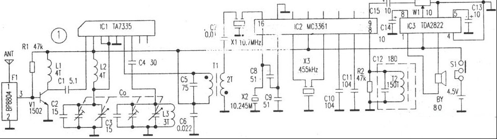
一款二次变频调频收音机电路
一款二次变频调频收音机电路
下面介绍收到其他维修同行的一台适用于信号弱区域和边远山区使用的高灵敏调频收音机,灵敏度达0.5uV,强弱台的接收效果都较好。该机采用了高性能的收音电路组合,构成了二次变频接收电路,整机电路见图1。F1(BP8804)是87 ...
2023-5-5 11:39
日升宝RS-9705变频收音机电路原理
日升宝RS-9705变频收音机电路原理
日升宝RS-9705二次变频收音机是日升电子公司在RS-9703的基础上进行工艺性能全面优化升级而设计出的新一代产品,它的诞生为不同层次的用户提供了更广泛的选择。 下图是RS-9705二次变频收音机电路原理 ...
2023-5-5 11:39
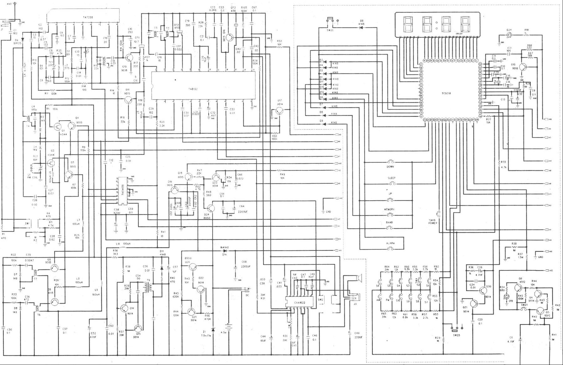
日升宝RS-767微电脑收音机电路原理
日升宝RS-767微电脑收音机电路原理
日升宝RS-767微电脑控制收音机是日升电子研制的具有数码调谐、全波段、多功能、调频立体声的钟控收音机。该机调谐显示准确,操作方便、 高灵敏度、低噪声,选择性好,输出功率大。其外观精致合理,沉 ...
2023-5-5 11:38
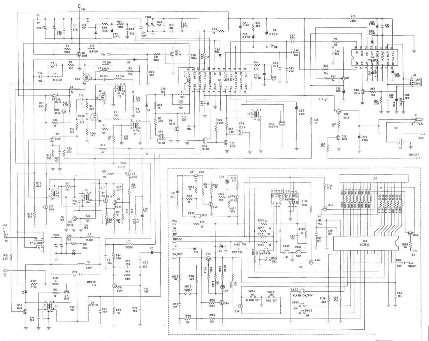
日升宝RS-9706全波段收音机电路原理
日升宝RS-9706全波段收音机电路原理
日升宝RS-9706是数字显示电台频率的全波段、多功能、电于钟控收音机。该机外观更为精致,调谐显示准确,旋钮及轻触式的功能按键手感特好。该机采用索尼公司AM/FM收音机专用集成电路CXA1691。还采用V ...
2023-5-5 11:38

QQ|Archiver|手机版|家电维修论坛 ( 蜀ICP备19011473号-4 川公网安备51102502000164号 )

GMT+8, 2025-11-21 14:29 , Processed in 0.129719 second(s), 8 queries .

Powered by Discuz! X3.5

© 2001-2025 Discuz! Team.

返回顶部