找回密码
 请使用中文注册
订阅

功放维修

TDA1521+NE5532构成的双声道高保真功放
TDA1521+NE5532构成的双声道高保真功放
TDA1521双声道高保真功放集成电路,外围元件简单,制作容易,集成块内含过热保护、短路保护、静噪等保护功能。用它搭配素有运放之皇的NE5532,制作出的功放电路简洁,音质也很不错,适合大家业余制作。 ...
2023-5-5 11:42
曾经很流行的傻瓜175/275等厚膜功放块
曾经很流行的傻瓜175/275等厚膜功放块
上世纪90年代曾流行过傻瓜系列厚膜集成电路功放,相信很多的电子爱好者都用它制作过音响功放电路。如傻瓜155/175/275/1100/2100等等都耳熟能详。因为傻瓜功放免调试,一装即成,音质也还不错,所以当时 ...
2023-5-5 11:42
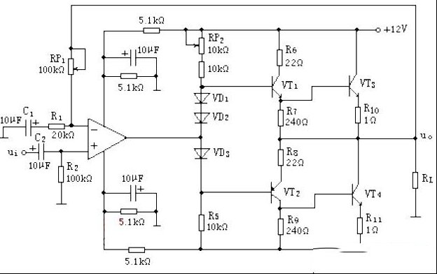
运放与晶体三极管组成的OCL功率放大器
运放与晶体三极管组成的OCL功率放大器
本音频功率放大电路采用一运算放大器组成驱动级,晶体三极管VT1~VT4组成复合式互补对称电路,担任功率放大。电路总增益 Au=(R1+R3)/R1,RL为扬声器。交流信号的工作过程与简单的互补对称功率放大器类 ...
2023-5-5 11:42
双声道电子管前置放大电路
双声道电子管前置放大电路
本电子管前置放大电路由两个独立的放大器组成,左右声道的放大电路完全相同。其放大器的输入级采用SRPP电路(分流调整式推挽放大器),其频率响应从10Hz~40kKHz增益变化仅为±1dB,信号噪声比可达80dB。本 ...
2023-5-5 11:42
NE5534+LM1875构成的20W高保真功放电路
NE5534+LM1875构成的20W高保真功放电路
LM1875是美国国家半导体公司出品的5脚单列V型直插塑封IC,为高保真音频功率放大集成电路,主要技术指标:频响范围:20Hz-20kHz;负载阻抗:8/4欧姆;失真率:40W输出时0.05%;电压范围:20-60V。 N ...
2023-5-5 11:41
JRC4558+TDA1521构成的2.1声道功放
JRC4558+TDA1521构成的2.1声道功放
下图1是2.1声道功放电路图。音源送来的左右声道音频信号首先由JRC4558运放(IC1)做前置放大,然后加载到音量电位器上,并由一片TDA1521功率放大后推动左右声道扬声器放音。另外,在音量电位器之后由两只 ...
2023-5-5 11:41
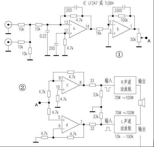
TL084+TDA2009通用性好的BTL功率放大电路
TL084+TDA2009通用性好的BTL功率放大电路
由于本电路特殊的前置放大设计,末级功率放大可以用任何双声道音频功率放大集成电路驳接,通用性很好,这也方便了电子爱好者在业余制作中“就地取材”。一、工作原理 音频信号由 Vi 端输入,经运算 ...
2023-5-5 11:41
TDA1521的单电源接法和双电源接法
TDA1521的单电源接法和双电源接法
TDA1521是飞利浦公司出品的双声道音频功率放大集成电路,9脚单列直插式封装,输出功率2×15W。性能稳定,音质也不错,在音响应用中较为常见。TDA1521可以在单电源或双电源模式下工作,工作电源电压范围1 ...
2023-5-5 11:41
两片LM1875构成BTL功率放大电路
两片LM1875构成BTL功率放大电路
下图这个电路采用两片LM1875构成BTL功率放大器,输出功率达60W。该电路引入直流电流负反馈改善音质,电阻R16和R26是取样电阻,电流反馈信号经R15、 R16、R25、R26分别进入放大器A1、A2的反相输入端,R13 ...
2023-5-5 11:41
可用于任何功放IC的BTL桥接放大电路
可用于任何功放IC的BTL桥接放大电路
以前我们讨论过很多双声道功放IC如何接成BTL放大的电路,这都是通过外接反馈电路的形式来完成的。对于发烧级的音响爱好者来说,他们更愿意给功放IC增加倒相前级来构建BTL桥接放大电路。加倒相前置级的方 ...
2023-5-5 11:41
两款分立元件功放电路
两款分立元件功放电路
分立元件功放虽然制作较为复杂,对理解功率放大原理却有很大帮助,现为两款分立元件功放电原理图,正负双电源OCL电路模式,元件参数均已标出,供网友们制作参考。 1、12管双极型晶体管OCL功率放大电路 ...
2023-5-5 11:41
立体声话筒电路
立体声话筒电路
立体声传声器(立体声话筒)。立体声传声器是将两只传声器安装在同一壳体内的重合传声器。这两只传声器可以是相同指向特性的(如X/Y制式),也可以是不同指向特性的(如M/S制式)。两者主向的夹角可以 ...
2023-5-5 11:41
分立元件组成二路音频混合器
分立元件组成二路音频混合器
我们在音频电路的业余电子制作中,往往需要把两种音频电信号混合为一路音频电信号,这时我们可以自制一个音频二混合器来解决。下面给出的二混合器电路简单,全部由分立元件组成,元件易购,效果也较为理 ...
2023-5-5 11:41
TDA2030功放芯片的4种应用电路
TDA2030功放芯片的4种应用电路
1、单电源OTL功放电路应用 2、双电源OCL功放电路应用 3、双电源双TDA2030集成块BTL功放电路应用之一 (注意:电源滤波电容C6极性接反) 4、双电源双TDA2030集成电路BTL功放应用电路2 电路板(PCB) ...
2023-5-5 11:41
晶体管分立元件音频前级平衡放大电路
晶体管分立元件音频前级平衡放大电路
前级放大电路的工作位置处于信号源与功率放大器之间,它的主要作用是补偿放音系统的增益、使信号源与功率放大器信号匹配、平衡与非平衡信号的转换,同时有调相作用。前级平衡放大电路通常可以由运算放大 ...
2023-5-5 11:41

QQ|Archiver|手机版|家电维修论坛 ( 蜀ICP备19011473号-4 川公网安备51102502000164号 )

GMT+8, 2025-11-21 10:42 , Processed in 0.128120 second(s), 7 queries .

Powered by Discuz! X3.5

© 2001-2025 Discuz! Team.

返回顶部