找回密码
 请使用中文注册
订阅

功放维修

常用功放机激励对管主要参数表
型号 BVCEO(V) PCM(W) ICM(A) 2N5551/2N5401 180 0.3 0. ...
2023-5-5 11:44
特美声QX-0807音箱无声的检修思路
特美声QX-0807音箱无声的检修思路
收到同行送来的故障机壹台特美声QX-0807型音箱,客户称两个月前该机无规律出现无声现象,关断电源10分钟后开机又能正常-段时间。现在开机后就无声,但读卡一直正常。拆机观察,电路板是双面板,元件多采用贴片封装,一 ...
2023-5-5 11:44
JBL OnBeat Rumble蓝牙音箱的拆卸方法(图)
JBL OnBeat Rumble蓝牙音箱的拆卸方法(图)
JBL OnBeat Rumble的前面的网没有扣,左右两边只要用力往前扣就可以扣下来,拆掉网就可以发现下面圆圈处的螺丝。然后撕掉底部黄色防震带可以发现一圈螺丝,还有标签的左右两边也各有两颗螺丝。拆完螺丝后面 ...
2023-5-5 11:44
车载低音炮升压整流管及功放TTC5200/TTA1943功率管代换
车载低音炮升压整流管及功放TTC5200/TTA1943功率管代换
收到同行送来的故障机壹台车载低音炮,客户说通电就烧保险,在别处没修好转修我处。拆机发现,扬声器是一体化生产并且是双音圈结构,电路是经典的12v进,经TL494为核心的电路二次升压成正负30V双电源,供给功放电路,再 ...
2023-5-5 11:44
漫步者C2X功放不通电的检修思路
漫步者C2X功放不通电的检修思路
最近一朋友拿来收到其他维修同行的一台漫步者C2X功放来修,说功放不通电拿到外面去修修不好,接手后轻易拆开后一看,控制板别人拆修过,板子上有很多残留松香,不通电先从电源查起,测量开关17V正常,再测量到控制板上VCC ...
2023-5-5 11:44
君力音响无声的检修思路过程
君力音响无声的检修思路过程
收到故障机一个君力音响,故障表现为无声,这个音响是由两个音箱,一只主机组成的,另一个只有喇叭,只送来主音箱,功率较大,220V交流供电,环形变压器,拆下功放板,发现输出已经接在一起,以前以经坏了一个 ...
2023-5-5 11:44
漫步者C3多媒体音箱无声音的故障检修
漫步者C3多媒体音箱无声音的故障检修
最近一用户拿来一个漫步者C3音箱,客户说是换一个电容,之前来问过说是有电容没有,我说当然有。结果拿来我看了一下,根本就不是电容坏了,因为那个电解电容是厂家打的胶,日久后变了颜色,用户误以为 ...
2023-5-5 11:44
哈曼卡顿AVR 10功放一个声道无声音的故障检修
哈曼卡顿AVR 10功放一个声道无声音的故障检修
收到同行送来的故障机壹台哈曼卡顿AVR 10功放,故障表现为一声道无声,证明电源等基本正常,拆机检查,没见明显烧毁的,接上喇叭音源试机,所有旋钮拧一遍,拧到平衡旋钮,有一声出来,说明电路基本工作正常,故障出在信号 ...
2023-5-5 11:43
红灯2L1410型收录机放声音走调的检修思路
红灯2L1410型收录机放声音走调的检修思路
收到其他维修同行的一台红灯2L1410型收录机,说放磁带声音走调,在别处换磁头后没有一点改进,客户说此机1200大洋淘来。拆机检查皮带良好,电机转动稳定有力。不放磁带按下放音键,触摸压带轮与主导轴间磨擦力很弱,这样会 ...
2023-5-5 11:43
安桥功放显示NG:LCRSLSRBLBR字样的去除方法
安桥功放显示NG:LCRSLSRBLBR字样的去除方法
收到其他维修同行的一台安桥功放开机后显示NGCRSLSRBLBR,如下图所示,电源键能作用其他按键都失效。怎么修理是要恢复出厂设置,开机后同时按住enter和电源键,,然后同时按下电源键和cbl键之后就可以恢复。 ...
2023-5-5 11:43
AB 9620专业功放左声道出现爆音的检修思路
AB 9620专业功放左声道出现爆音的检修思路
收到其他维修同行的一台AB 9620专业功放,原来右声道正常,左声道音量过12点或快速转动电位器出现爆音,放一段时间后两声道都不作声了。拆开后查看机内无烟花迹象,测量大管和推动管无异常,供电无短路,上电测电源和中点 ...
2023-5-5 11:43
接修一台USB-120定压功放经常不输出的检修思路
接修一台USB-120定压功放经常不输出的检修思路
收到同行送来的故障机壹台定压功放,故障表现是时响时不响。客户说刚开始找朋友修,面板电位器换完,集成块4558网购新的换完,前置板功放板所有焊点补焊,故障依旧,就差换输出变压器,因买不到同型号变压器转修我处。 ...
2023-5-5 11:43
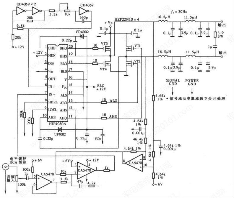
采用HIP4080A芯片的D类功放电路
采用HIP4080A芯片的D类功放电路
2023-5-5 11:43
JBL MPA400专业功放右声道保护的维修
JBL MPA400专业功放右声道保护的维修
收到同行送来的故障机壹台JBL MPA400专业功放,故障表现为右声道不响,开机右声道保护,继电器不吸合,CLIP指示灯亮,仔细对比两声道发现故障的声道有一块小板上面LED灯亮,小板旁边470uF电容微鼓,开始更换电容,故障 ...
2023-5-5 11:43
唱戏机主控C100电量检测引脚示意图
唱戏机主控C100电量检测引脚示意图
下图是一款唱戏机主控C100的电路图,其电量检测脚为59脚,调整两个电阻大小就可以改变关机电压。大致的范围是接3.7的电阻止上并100K可调电阻外接3V电源,调整电阻到唱戏机刚好显示电量不足就可以。 ...
2023-5-5 11:43

QQ|Archiver|手机版|家电维修论坛 ( 蜀ICP备19011473号-4 川公网安备51102502000164号 )

GMT+8, 2025-11-21 09:18 , Processed in 0.126815 second(s), 7 queries .

Powered by Discuz! X3.5

© 2001-2025 Discuz! Team.

返回顶部