找回密码
 请使用中文注册
订阅

功放维修

飞歌牌9寸安卓导航无开机的检修思路
飞歌牌9寸安卓导航无开机的检修思路
收到同行送来的故障机壹台飞歌牌9寸安卓导航,故障表现为不开机。通电电流从2A直接掉至0A,说明电路有短路过流导致电源保护。拆机测得待机电压对地电阻零欧,拆下待机供电芯片54335A后阻值恢复正常,那么就是供电稳压芯 ...
2023-5-5 11:44
车载导航一体机无法开机的检修思路
车载导航一体机无法开机的检修思路
收到同行送来的故障机壹台车载通用导航一体机,故障表现为无法开机,在通电状态下电流0.2A偏小。说明有部分电路没正常供电。检测待机供电正常/CP∪供电正常。核芯模块供电只有1.7V(正常5V)断电测对地电阻正常,芯片也无 ...
2023-5-5 11:44
因电容的容量下降导致DMX功放不开机的维修
因电容的容量下降导致DMX功放不开机的维修
收到同行送来的故障机壹台DMX(DIGMEX AUDIO)功放,上电后不开机。该功放用于舞台演出,输出功率有几百瓦。拆机检查电源开关及连线,均正常。该机电源开关与-块小电路板相连,小电路板上有三极管、继电器等元件,实绘电路 ...
2023-5-5 11:44
JBL SUB140有源音响(低音炮)无声音的检修思路
JBL SUB140有源音响(低音炮)无声音的检修思路
收到其他维修同行的一台JBLSUB140有源音响(低音炮),开机后指示灯亮约2s后有继电器吸合声,但无声。本机功放部分采用分立元件组成OCL输出电路(输出端没有隔直流电解电容),其特点是在信号传输通道中没有耦合电容,低频效 ...
2023-5-5 11:44
NATIAN纳天NY-16有源多媒体音箱检修思路
NATIAN纳天NY-16有源多媒体音箱检修思路
收到其他维修同行的一台NATIANNY-16型有源多媒体音箱,一个声道声音失真,另一个声道只有交流声,并且低音炮的VFD显示屏上的电平指示一直处于最大,不随音频信号变化。根据电平指示最大这个现象,检测主板送给显示板电平 ...
2023-5-5 11:44
便携式音响充电管理芯片CPH8HOV.1检修思路
便携式音响充电管理芯片CPH8HOV.1检修思路
收到其他维修同行的一台便携音响,在用外接USB电源充电时,充电指示灯不亮,充不进电。拆机查看线路,充电管理芯片(IC1)型号上排标注"CPH8HOV.1",下排标注“1708" ,实绘电路如图1所示(位号为自编号)。 这是一个 ...
2023-5-5 11:44
推挽FU7胆机的制作过程(图)
推挽FU7胆机的制作过程(图)
发一个最近自己制作的推挽FU7,音质很好,整个过程如下图所示,仅供大家参考。 绕制输出变压器的过程中 下图是绕好的输出变压器样子就差浸漆了,先测试电感的数据 这个是绕好的电源变压器的外形以及数 ...
2023-5-5 11:44
C5200功率管测试电路图
C5200功率管测试电路图
C5200功率管直流放大倍数测量,反向击穿电压测量,如下图所示,有输入输出变压器扩音机,功率管3DD15D上机前,要进行BVCE0耐压测试,和hFE直流放大倍数测量。 ...
2023-5-5 11:44
飞利浦HTB5571DG-93家庭影院播放器音箱无声音
飞利浦HTB5571DG-93家庭影院播放器音箱无声音
收到同行送来的故障机壹台飞利浦HTB5571DG-93家庭影院播放器,客户反映说读碟和其他功能都正常,就是音箱没有声音,在收到故障机前怀疑是功放故障,于是拆机,测量功放供电0.5V,显然不正常,最少也有24V吧,于是拆开电源板, ...
2023-5-5 11:44
天龙功放AVR-3600功放整机保护的检修思路
天龙功放AVR-3600功放整机保护的检修思路
收到故障机一部天龙AVR3600功放,故障表现为指示灯连续闪烁,显示屏英文显示:整机保护。开盖查看发现推动板有电容鼓包,有电阻烧焦。检查发现5块推动板有大量零件损坏,功放管击穿。因无图纸(网上也找不到 ...
2023-5-5 11:44
惠威AV-638功放通电开机显示E01代码的维修
惠威AV-638功放通电开机显示E01代码的维修
收到同行送来的故障机壹台惠威AV-638功放,此机开机能听到继电器吸合声,自检十几秒后就自动跳E01代码,在没接信号输入输出时都是一样的,继电器吸合时主供电正常,(此机只在副电源板上有一个继电器,主功放板上没有) ...
2023-5-5 11:44
12路和16路调音台噪音和无声音检修思路2例
12路和16路调音台噪音和无声音检修思路2例
收到故障机两个调音台,12路16路各收到其他维修同行的一台,其中12路的使用内置混响效果器有很大噪音,其余功能正常,打开机壳发现了独立的混响处理小板,取下就没噪音了,当然混响也没了,就这小板有故障,分析:听过除了噪音 ...
2023-5-5 11:44
马兰士SR670功放无声音的检修思路
马兰士SR670功放无声音的检修思路
收到同行送来的故障机壹台马兰士SR670功放,忽然无声音了,电源、显示屏、指示灯等都正常,各个输入口都一样。检查音箱喇叭正常、输出AB切换开关正常。偶然过一段时间又有声音了,但是听几分钟时间又没声音了。绝大部分 ...
2023-5-5 11:44
漫步者R201T06多媒体音箱低音的音量很小的维修
漫步者R201T06多媒体音箱低音的音量很小的维修
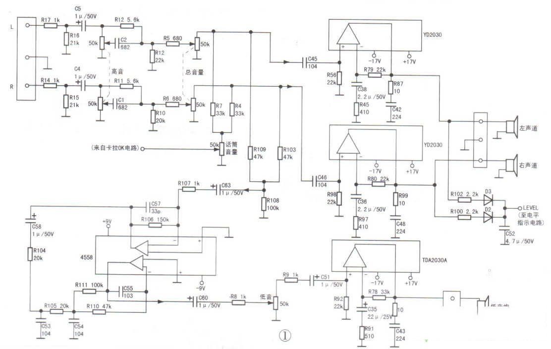
客户送修收到其他维修同行的一台漫步者R201T06多媒体音箱,诉说低音音量极小。拆机观察电路板大量使用贴片元件,为方便检修实绘电路图见图片。查出低音驱动TDA2030的②脚外接电解电容C106正极焊盘断裂,用铜丝直接连接C106 ...
2023-5-5 11:44
一款8寸插卡低音炮功放电路
一款8寸插卡低音炮功放电路
一位音响器材经销商朋友售出的一批8寸低音炮,出现屡损图片中IC1 TDA2003的故障,每次更换IC1当时正常工作,就是用不长IC1会再坏,无奈请求支援。后查出是C1引脚与焊盘焊锡存在严重氧化接触不良,重新处 ...
2023-5-5 11:44

QQ|Archiver|手机版|家电维修论坛 ( 蜀ICP备19011473号-4 川公网安备51102502000164号 )

GMT+8, 2025-11-21 09:18 , Processed in 0.119014 second(s), 8 queries .

Powered by Discuz! X3.5

© 2001-2025 Discuz! Team.

返回顶部