找回密码
 请使用中文注册
订阅

功放维修

ZONGDA牌ZDAV-1300功放左声道异常的检修思路
ZONGDA牌ZDAV-1300功放左声道异常的检修思路
收到同行送来的故障机壹台ZONGDA牌ZDAV-1300功放,通电后左声道音箱发出很大的啸叫声,然后无声。拆机观察,未发现异常。在路测量功率输出电路,没有明显击穿和开路现象。通电测试机子,测得右声道音箱接线柱之间的电压为0V ...
2023-5-5 11:45
索尼HT-CT290回音壁音响不开机的检修思路
索尼HT-CT290回音壁音响不开机的检修思路
收到同行送来的故障机壹台索尼HT-CT290回音壁音响,故障表现为不开机,拆机24V电源有18V(应该正常工作后会升高),主板只有18V无低压供电。查54334负载部分短路,查两电容正常。用热风枪吹下54334后检测3、4脚短路,网 ...
2023-5-5 11:45
音频功率放大器BT8110
音频功率放大器BT8110
概述:BT8110是一款音频功率放大芯片,主要用作于音箱电路中,BT8110可以用我们平时常见的CS8508E代换,具体的代换方法是:除3和4脚外向上弯,3和4脚对应BT8110的7和8脚,焊到板上接地散热,电源和地线用粗一 ...
2023-5-5 11:45
步步高AV210功放无声音的检修思路
步步高AV210功放无声音的检修思路
客户电话中说他家有收到其他维修同行的一台步步高AV210功放,因闲置了几年,现在想用时通电发现不出声音,找我维修。根据一般不用的功放,容易点位器出故障,就带了常用的点位器和工具到他家中检修。到了后一看,此功放没 ...
2023-5-5 11:45
用A940/C2073代换B647/D667的过程
用A940/C2073代换B647/D667的过程
收到故障机一块功放板,检测发现功率管及激励管均已损坏。该板实绘电路如图1所示。 功率管V9、V10的板标型号分别为D1047和B817,实用型号分别为C5198和A1941。激励管V7、V8的型号分别为D667和B647, ...
2023-5-5 11:45
爱华NSX-500组合音响的电台搜索与存储方法
爱华NSX-500组合音响的电台搜索与存储方法
本人通过模索整理,特整理出爱华NSX-500组合音响的收音机电台的搜索与存储方法,特供大家分享: 1、按遥控器< >(DIR)键,使机器面板的控制按键,暂停键显示绿色。 2、连按二次遥控器暂停键(SUT)(或面板 ...
2023-5-5 11:45
湖山AMP2 100-01功放电路的检修思路
湖山AMP2 100-01功放电路的检修思路
湖山AMP2 100-01功放机,通电开机,电源指示灯亮,听见机器继电器吸合,用手机输入音频信号两个声道都无声。拆开机器看到印制板面差分放大两个声道电路分别加了两个电阻,看到线路板正面左声道差分电路少 ...
2023-5-5 11:45
漫步者C2多媒体音箱有交流声的维修
漫步者C2多媒体音箱有交流声的维修
收到其他维修同行的一台漫步者C2多媒体音响,故障表现为开机通电,喇叭有交流声,输入信号,没有声音。拆机检查,发现二个4700微法25V电容已坏,更换后交流声消除,但还是没有声音,通电几分钟后手摸散热器很热,怀疑功放 ...
2023-5-5 11:45
雅马哈RX-V377功放保护不开机的检修思路
雅马哈RX-V377功放保护不开机的检修思路
收到其他维修同行的一台雅马哈RX-V377型AV功放,故障为不开机,用户反映同时按住面板的info+control键上电,可解除保护,机器能开机,但一分钟左右会再次保护关机,在我维修部接机后试了几次确实如此,说明机器出现了故障引 ...
2023-5-5 11:45
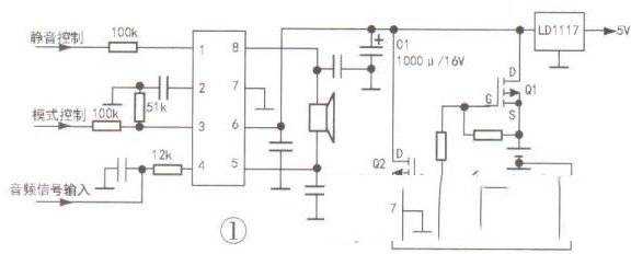
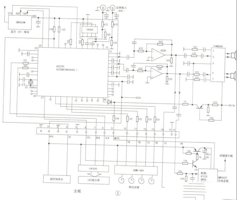
奇声MAV-2322回音壁音箱的电路原理与检修思路
奇声MAV-2322回音壁音箱的电路原理与检修思路
奇声MAV-2322回音壁音箱具有蓝牙和外接音频输入功能,采用触摸按键和遥控两种控制方式。低音炮与主机采用无线方式连接,其主机实绘电路如图1所示。该机主控芯片型号是AX2220,烧录固化程序后丝印为B6T ...
2023-5-5 11:45
麦博M-200BT有源音箱无声音的检修思路
麦博M-200BT有源音箱无声音的检修思路
收到同行送来的故障机壹台麦博M-200BT有源电脑音箱,上电后播放音乐无声,仅能听到微弱的交流声。故障原因分析:机主称因与重低音音箱插座相连的线控器5针插头已松动,所以经常拔插、晃动插头。检查发现,5针插头内插针有损 ...
2023-5-5 11:45
天谱TP-H0562广场舞音箱无法充电的检修思路
天谱TP-H0562广场舞音箱无法充电的检修思路
收到同行送来的故障机壹台老年人使用的一个天谱广场舞音响,型号为TP-H0562。原来电池充不进去电,便一直用充电器工作,后来又烧了,怎么都不通电。于是测试,发现充电器无输出,拆开检查,发现场效应管烧坏,原来的是K5 ...
2023-5-5 11:45
MP700纯后级功放不开机的检修思路
MP700纯后级功放不开机的检修思路
收到同行送来的故障机壹台MP700纯后级功放机,现象是开不了机,偶尔也能够开一下,仔细分析一下后,打开一看功率挺大的,8只1200uF/63v电容,每声道5对2sc5200,2sa1943,由于没图纸,接线复杂,拆机要仔细了,由于有一只 ...
2023-5-5 11:45
先科有源插卡高保真音箱不读卡的检修思路
先科有源插卡高保真音箱不读卡的检修思路
收到同行送来的故障机壹台先科高保真有源音箱(插卡),通电后可听到"嗡嗡”的交流声及“读卡”后的音乐声,几分钟后不读卡,喇叭中只有交流声。将该机电源插头插入串联有1A交流表的插座中,开机后电流表读数约为0.5A,明 ...
2023-5-5 11:45
数码播放器功放芯片XPT9978的代换过程
数码播放器功放芯片XPT9978的代换过程
收到同行送来的故障机壹台SD-S512播放器,开机后蓝灯有规律地正常闪烁,但喇叭无声。开盖测喇叭完好,看功放芯片中间有个洞,应该是烧坏了,但芯片的型号仅看得清后面的78字样。按实物画出线路如图1(Q2是后来加上的)。 ...
2023-5-5 11:45

QQ|Archiver|手机版|家电维修论坛 ( 蜀ICP备19011473号-4 川公网安备51102502000164号 )

GMT+8, 2025-11-21 09:18 , Processed in 0.128308 second(s), 8 queries .

Powered by Discuz! X3.5

© 2001-2025 Discuz! Team.

返回顶部