找回密码
 请使用中文注册
订阅

功放维修

广场舞音箱无声音的检修思路
广场舞音箱无声音的检修思路
收到同行送来的故障机壹台广场舞音箱,开机后读卡与数码显示均正常,但扬声器无声。该机采用12V电瓶供电,如图1所示。 12V电压经开关SW控制后,送给以XL6009E1为核心的升压电路,升压成20V电压供给功放块TPA3118 ...
2023-5-5 11:46
宇豹ABL低音炮烧保险丝的检修思路
宇豹ABL低音炮烧保险丝的检修思路
收到其他维修同行的一台车载用ABL宇豹低音炮,通电即烧供电保险。用500型万用表RX1挡测+12V接线柱与地之间电阻,阻值极小,这说明低音炮内部短路。拆机检查,发现直流升压电路中的两只功率管sW50N06击穿。检测升压电路其他 ...
2023-5-5 11:46
定压功放大音量出现无声的检修思路
定压功放大音量出现无声的检修思路
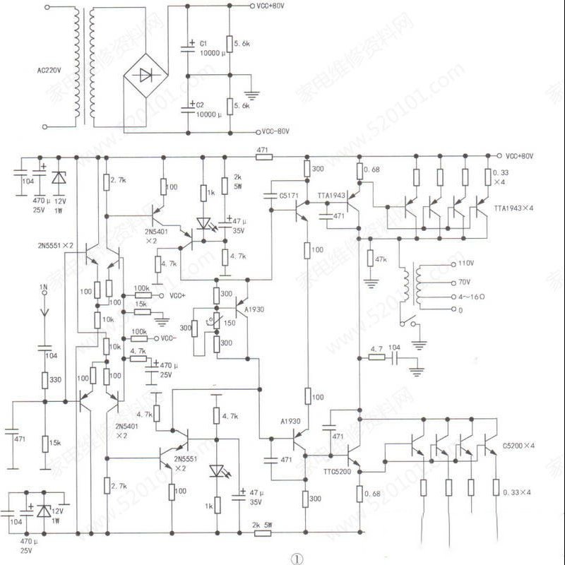
收到同行送来的故障机壹台定压功放,在大音量时无声, 调小音量后又很快恢复正常。故障原因分析:根据故障表现为分析,故障系大音量时电路保护所致。为方便检修,实绘相关电路如图1所示。 上电测量,在小音量时土80V供 ...
2023-5-5 11:46
A-T5500功放右声道音量小的检修思路
A-T5500功放右声道音量小的检修思路
收到同行送来的故障机壹台A-T5500功放,用户称此机前段时间出现无声故障,经另一位维修人员修理后,虽能使用,但感觉右声道音量明显不如以前大。拆机检查,发现左声道电路元件没有拆焊痕迹,但右声道的功率对管及发射 ...
2023-5-5 11:46
先锋VSX-920功放解除记忆保护的方法
先锋VSX-920功放解除记忆保护的方法
Pioneer先锋VSX-920功放MCACC灯闪故障保护的记忆解除方法是:同时按下"向下箭头键"和"MULTI-ZONE-ON/OFF"键即可。
2023-5-5 11:46
先锋VSX-1021功放清除故障记忆的方法
先锋VSX-1021功放清除故障记忆的方法
先锋VSX-1021功放清除故障记忆的操作方法是:同时按住下键和MULTI-ZONE-ON/OFF键不放3秒即可。本操作方法还适用先锋SC-LX85等功放。
2023-5-5 11:46
康佳KHF-3012有源音箱声音很微弱的检修思路
康佳KHF-3012有源音箱声音很微弱的检修思路
收到同行送来的故障机壹台KONKA康佳KHF-3012有源音箱,故障表现为是只有微弱声音输出,伴随着有节奏的啪啪声,拆机测试功放部分没有问题,于是又拆前面查小板吧,但是拆面板难度就大了,厂家用胶粘上去的,顺着5V供电,检 ...
2023-5-5 11:46
DENON天龙HMA-1000A功放无声音的检修思路
DENON天龙HMA-1000A功放无声音的检修思路
收到同行送来的故障机壹台DENON天龙HMA-1000A卡拉HIFI功放,故障为表现为能开机但无声,经检测电源次级交流电压独立三组,正负36.1V,正负15.7V,8.4V正常。断开厚膜STK4191x电压输入跳线,检测经桥式整流后直流电压正负5 ...
2023-5-5 11:45
新版MP3无损解码板的U盘接法
新版MP3无损解码板的U盘接法
前一段时间买的10个解码板用完,这次顺便买了几个,外型一模一样,今天用到改装U盘接口时按以前方法,飞线到11和12脚U盘不响,仔细检查原来这个板外型一样,板上元件位置一样,解码块型号不一样,布线 ...
2023-5-5 11:45
一款可自制的二分频器电路图及元件参数
一款可自制的二分频器电路图及元件参数
本人经常修功放,最近用自备的2个惠威S5,2个车用高音头,因要求不高,网购一对5寸空箱,密度板的,容积7.2升,稍小,S5等效容积接近10升,凑和也可听听音乐,分频器买了2个现成的,佳讯最普通的2801C, ...
2023-5-5 11:45
对管性能变差导致功放输出中点电压异常的分析
对管性能变差导致功放输出中点电压异常的分析
收到故障机一块功放板,故障表现为是功放输出中点电压不为0V。拆机检测,功率管与推动管均已更换过。该板的推动管采用3管并联方式,上管为3只并联的C2690A型三极管,下管为3只并联的A1220A型三极管,如图1所示 ...
2023-5-5 11:45
用TIP41C/TIP42C代换2N5551/2N5401修复车载低音炮无声故障
用TIP41C/TIP42C代换2N5551/2N5401修复车载低音炮无声故障
收到其他维修同行的一台车载低音炮,故障表现为无声,在路检测,发现升压管IRFZ44N,一只功放管C5198及两只推动管2N5551均已击穿,两只220Ω电阻烧黑。更换上述损坏元件后故障机修到这里,终于修好值得探讨。,但三天后故障重现。为排除故障,实绘相 ...
2023-5-5 11:45
湖山BK2X100J功放一通道处于保护亮绿灯的检修思路
湖山BK2X100J功放一通道处于保护亮绿灯的检修思路
收到同行送来的故障机壹台湖山BK2X100J功放机,故障出现有时候一边声道亮绿灯,攻防处于保护状态,测试输出中点电压很高且不稳定,但有时候又正常,而且很久不出现故障,由于我原来买过湖山音箱,感觉这种故障很多,那 ...
2023-5-5 11:45
漫步者C3多媒体音响无声音的检修思路
漫步者C3多媒体音响无声音的检修思路
收到同行送来的故障机壹台Edifier C3多媒体主机,用户说前一天用都是好的,第二天再开就没有声音了,显示正常。 当天因有其他事没有拆机,第二天晚上拆机检查,发现该机设计不同于一般的2.1小功放(在网上也没有找到同 ...
2023-5-5 11:45
定压广播功放不通电的检修思路
定压广播功放不通电的检修思路
一个做监控的朋友拿来的收到其他维修同行的一台定压功放,是学校广播用急用。好吧拆,其实也就是把坏件换了就完事,问题就是坏的电阻翻了大半天。4对5200全部完蛋,郁闷了炸那么多奇怪了,准备维修,C2240/970管没有,用5 ...
2023-5-5 11:45

QQ|Archiver|手机版|家电维修论坛 ( 蜀ICP备19011473号-4 川公网安备51102502000164号 )

GMT+8, 2025-11-21 07:05 , Processed in 0.115124 second(s), 8 queries .

Powered by Discuz! X3.5

© 2001-2025 Discuz! Team.

返回顶部