找回密码
 请使用中文注册
订阅

功放维修

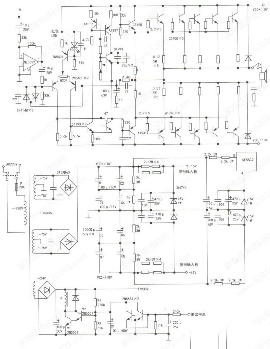
Kai Jia 550型MP3功放屡损左声道功率管的检修思路
Kai Jia 550型MP3功放屡损左声道功率管的检修思路
最近收到同行送来的故障机壹台Kai Jia-550型MP3功放机,机主称用手机连接音频线从功放机背后插孔输入信号,工作正常,但插,上u盘播放MP3歌曲,音量稍大就烧功放板。此故障已经修理多次,每次都是换几只管子就好了。拆 ...
2023-5-5 11:46
125对常用音响互补对管主要参数表
下表备注:“达”即达林顿管;快速查询方法是按键盘CTRL+F键快速搜索。 型 号 结型 外形 耐压(V) ...
2023-5-5 11:46
金正N991有源音响不开机的检修思路
金正N991有源音响不开机的检修思路
收到同行送来的故障机壹台金正N991型有源音响,故障表现为接通电源后指示灯闪烁、不开机。插上9V供电电源盒,测量供电电压在0V~4.5V间波动。单独测量电源盒的输出电压为稳定的9V电压,说明故障部位在功放板上。在路测量功 ...
2023-5-5 11:46
M-1202有源音箱不开机的检修思路
M-1202有源音箱不开机的检修思路
收到其他维修同行的一台M-1202有源音箱,按下开机键(POWER)后没有任何反应,插上外接15V充电器,充电指示灯亮。在充电状态下,测量电瓶两端电压只有10V,偏低。这说明充电器输出的15V电压虽然加到电路板上,但没有加到电 ...
2023-5-5 11:46
插卡手提功放机声音失真的检修思路
插卡手提功放机声音失真的检修思路
收到同行送来的故障机壹台插卡手提功放机(用于广场舞)在使用中忽然冒烟,且声音失真。拆机检查,该机共有4只2SD718型功率管,左声道的两只已短路,并且一只330Ω、一只680Ω的电阻已烧焦。将上述损坏元件全部换新后上电 ...
2023-5-5 11:46
先驱M-860功放通电不开机的检修思路
先驱M-860功放通电不开机的检修思路
收到其他维修同行的一台先驱M-860型功放,上电后按“开机”键,机器的VFD显示屏不亮,继电器也没有吸合的声音。先查CPU的供电、 时钟、复位电压,发现CPU无5V供电。查电源板上7805输出5V正常,但输出脚虚焊。 补焊好 ...
2023-5-5 11:46
Welton W-9600A功放通电后继电器不吸合的检修思路
收到同行送来的故障机壹台Welton W-9600A 70W+70W(RMS)功放,开机后继电器不吸合。断电检测,发现右声道120Ω电阻烧坏,大功率对管(B817、D1047)击穿,一对三极管(A940、C2073)阻值异常,一只电容(2A104J)损坏。 ...
2023-5-5 11:46
联想LXH-J3146M多媒体音箱通电无反应的检修思路
收到同行送来的故障机壹台联想LXH-J3146M多媒体音箱, 14W+6W x 2(RMS)低音炮音箱,故障表现是加电后不工作。经查,双12V变压器初级断路,用小刀割开绝缘带,发现热敏电阻断路。用铜线短接热敏电阻后输入音频信号,音箱 ...
2023-5-5 11:46
GB9242消防定压功放声音小的检修思路
GB9242消防定压功放声音小的检修思路
收到同行送来的故障机壹台GB9242消防定压功放,通电试机内监听喇叭有嘀声,随后听到到电源板上的继电器的吸合声,输出声音很微弱。检测功放管各级居然没有任何电压。这种定压功放的结构与一般的常见的定压功放有些别,我 ...
2023-5-5 11:46
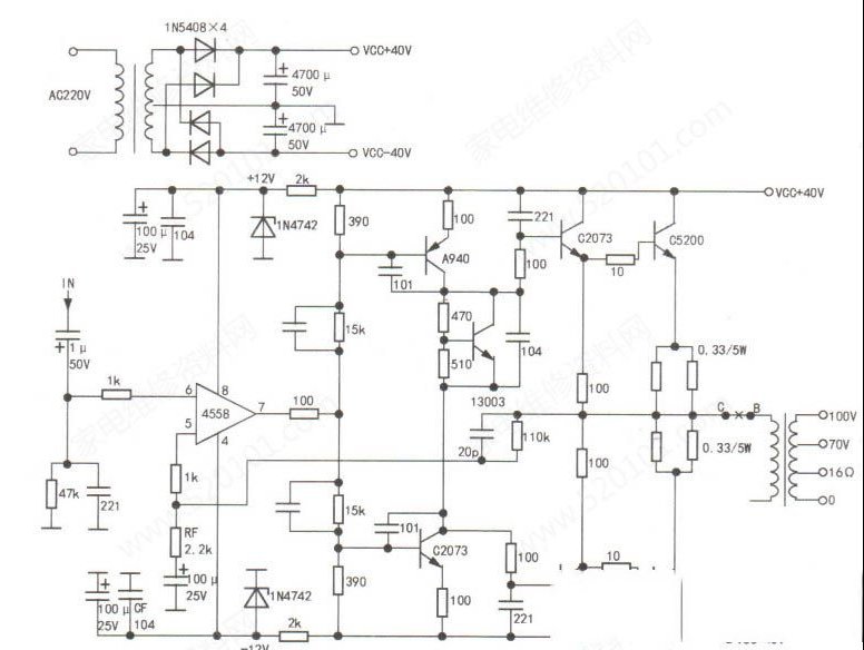
USB-120定压功放不定时出现无声音的检修思路2例
USB-120定压功放不定时出现无声音的检修思路2例
例1:收到其他维修同行的一台USB-120型定压功放,用户称该机在前段时间使用中突然无声,关机后再开又可恢复正常。现在频繁出现无声故障。为方便检修,实绘出该机输出级电路,如图1所示。 上电测得±40V 供电及±12 ...
2023-5-5 11:46
HS-C2187型CD音响不开机的检修思路
HS-C2187型CD音响不开机的检修思路
收到同行送来的故障机壹台车用HS-C2187型CD音响,通电后机器无任何反应。该机采用+12V供电,其供电输入电路如图1所示。HA13173AH(U201)是块多组输出电压的稳压IC,将输入的+12V电压稳压成5V、3.3V等多组电压,供电给控制 ...
2023-5-5 11:46
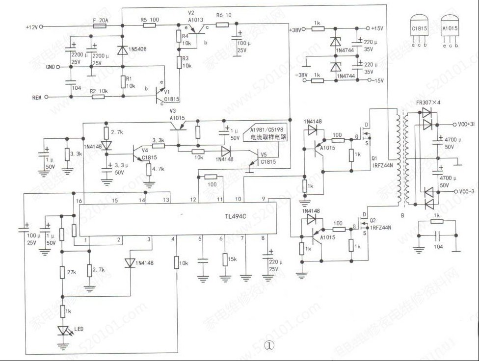
岚笛LD-90低音炮音箱不通电的检修思路
岚笛LD-90低音炮音箱不通电的检修思路
收到同行送来的故障机壹台LD-90岚笛低音炮音箱,故障表现为前段时间音量时大时小,现在不通电。拆机检查,该机内置以TL494C为核心的升压电路,将12V电压变换成±38V,供给音频功率放大器,实绘电路如图1所示。 ...
2023-5-5 11:46
SANDY POWER AMP LIFIE RP6500S功放无声音的检修思路
SANDY POWER AMP LIFIE RP6500S功放无声音的检修思路
收到同行送来的故障机壹台台SANDY POWER AMP LIFIE RP6500S功放,用户称该机在正常使用中,左、右声道突然无声。检查发现机壳后侧AC220V进线保险管熔断,换上同规格保险管后开机,保险管再次熔断。据客户所述,判断机 ...
2023-5-5 11:46
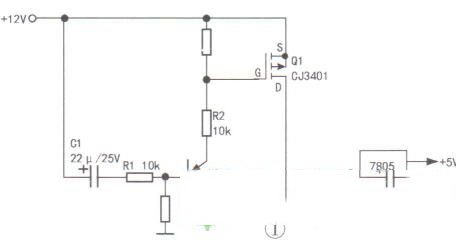
山水A12-66拉杆音箱不开机的检修思路
山水A12-66拉杆音箱不开机的检修思路
收到同行送来的故障机壹台山水A12-66拉杆音箱,接通电源开关后,电源指示红灯亮,但显示屏不亮,整机无反应。拆机检测,发现显示屏、CPU小板及USB接口中的5V供电均为0V。检查5V供电电路,其实绘电路如图1所示。 ...
2023-5-5 11:46
先锋VSX-421-K功放无声音的检修思路
先锋VSX-421-K功放无声音的检修思路
收到其他维修同行的一台先锋VSX-421-K功放,开机后继电器能吸合,按面板功能按键,屏显正常,但无声音。拆机检查,在功放板输入端输入干扰信号,有声音;从解码板输出端输入干扰信号,无声音。该机有模拟信号与数字信号两种 ...
2023-5-5 11:46

QQ|Archiver|手机版|家电维修论坛 ( 蜀ICP备19011473号-4 川公网安备51102502000164号 )

GMT+8, 2025-11-21 07:05 , Processed in 0.101695 second(s), 7 queries .

Powered by Discuz! X3.5

© 2001-2025 Discuz! Team.

返回顶部