找回密码
 请使用中文注册
订阅

功放维修

警报器功放块TDA7294的应急代换方法
警报器功放块TDA7294的应急代换方法
此警报器采用对汽车电瓶12V进行升压处理,产生±28V电压给功放块TDA7294供电,驱动阻抗16Ω功率100W的高音扬声器。由于客户急等使用,手里没有TDA7294,和客户沟通后决定采用分立元件组成功放电路代换, ...
2023-5-5 11:47
车载低音炮功率输出管偏置电路的改进
车载低音炮功率输出管偏置电路的改进
收到同行送来的故障机壹台10英寸车载低音炮,故障为使用中突然冒烟,然后无声,低音炮升压电路绿色指示灯仍亮。拆机,观察功放板上有电阻烧黑、中功率管引线焊盘发黑,为检修方便测绘原理图见图1。根据原理图从后向前逐 ...
2023-5-5 11:47
天谱AP-H083插卡有源音箱开关电源的代换
收到同行送来的故障机壹台天谱AP-H083插卡有源音箱,机主说使用音响内自带电瓶供电时放卡声音正常,使用交流电供电时不通电。仔细观察该机电源开关,共有3个位置状态,开关静止平放位置是电源关闭状态,开关左端按下是交 ...
2023-5-5 11:47
车载插卡低音炮连续烧TDA2004功放块的故障排除
一用户拿着一只炸开的TDA2004前来我处购买原型号集成块,为保险起见用户要求试验一下。我干脆从一个正在试验放音的低音炮机芯上拆下一只TDA2004给他a没想到几天后用户再次前来购买TDA2004,并且把低音炮 ...
2023-5-5 11:47
MODEL-ER-2537有源音箱右声道的检修思路
MODEL-ER-2537有源音箱右声道的检修思路
据用户讲述,一次开机时红色指示灯闪了一下,能播放音乐,但音箱R(右)声道没有声音。笔者看到该型音箱说明书上介绍道该型有源音箱是典型的2.1声道、配有U盘/SD卡播放功能,支持MP3音频格式,工作电源电 ...
2023-5-5 11:47
带遥控无线话筒接收机电源变压器应急代换维修
收到同行送来的故障机壹台无线话筒接收机,此收机体形很大,带2个液晶显示屏分别显示接收频率。其外接电源适配器塑料壳标注输出电压12V电流800mA,测量220V输入电源插头两端直流电阻无穷大,说明电源变压器初级开路。拆 ...
2023-5-5 11:47
JINYUN-160D户外拉杆音响电路原理与维修
JINYUN-160D户外拉杆音响电路原理与维修
最近几年来,户外拉杆音箱广泛运用于播放舞曲、街舞、吉他弹唱、MP3伴唱、乐队排练等,音箱上有U盘插口,可以播放DVD,箱体内有功放机、充电器和电瓶,充电后能用几小时,外部的音源可以输入音箱,带话 ...
2023-5-5 11:47
LG LHB535蓝光家庭影院主机不开机的检修思路
LG LHB535蓝光家庭影院主机不开机的检修思路
上门维修收到其他维修同行的一台LG LHB535蓝光家庭影院,该机插上电源,待机灯能点亮。按开机键后,机器VFD显示屏能显示,但只能显示“please wait" ,按任何键均无效,无法正常开机。打开机壳将所有排线重新插拔一遍后 ...
2023-5-5 11:47
猎狐LH-2008有源音箱无声的检修思路
猎狐LH-2008有源音箱无声的检修思路
此音箱外形像一辆玩具小汽车,车头有2只绿色发光二极管,内有一只4Ω/3W圆形防磁3英寸扬声器,其功放电路如图1所示。 这是一款经典OTL功率放大器,电路简洁,测供电为14V,测输出中点电压约为 ...
2023-5-5 11:47
飞利浦AS238组合音响声音异常的检修思路
飞利浦AS238组合音响声音异常的检修思路
收到同行送来的故障机壹台飞利浦AS238型组合音响,无论在收音放音还是在播放cD状态下,音量均很小,且失故障原因分析:测其电源电路输出的18V和5V电压正常稳定。根据故障表现为分析,故障部位应在功放电路中(此机功放电路和电 ...
2023-5-5 11:47
SONGWEI OK-360A功放机扬声器保护继电器不吸合的维修
SONGWEI OK-360A功放机扬声器保护继电器不吸合的维修
收到同行送来的故障机壹台SONGWEI OK-360A型功放机,机主说:刚开始,继电器偶尔不吸合,预热约2min后可正常吸合,现在完全不吸合了。拆机检查,电路板上元件无明显异常。为方便检修,实绘出相关电路如图1所示(元件位号为 ...
2023-5-5 11:47
夏新唱戏机8脚贴片功放块的代换方法
夏新唱戏机8脚贴片功放块的代换方法
收到故障机夏新唱戏机,该机后盖已经被拆开。通电试机,读卡指示灯闪烁,数码管显示播放曲目。查看电路,发现功放块已不知去向。测绘出功放电路如图1所示。 图中可知,功放块的①脚接地,②脚和③脚连E ...
2023-5-5 11:47
车载低音炮声音小的检修思路
车载低音炮声音小的检修思路
收到同行送来的故障机壹台车载低音炮,机主说:该低音炮的声音越来越小,现在已经没有声音了。员根据机主所述,判断故障原因是某元件性能变坏。测绘电路如图1所示。该机以TL494为中心组成升压电路,对输入的12V电压进行升 ...
2023-5-5 11:47
ALTEC LANSING FX2020有源音箱电路分析与维修
ALTEC LANSING FX2020有源音箱电路分析与维修
ALTEC LANSING(奥特蓝星) FX2020有源音箱是一款3英寸直径扬声器单元的有源音箱,其电路如图1所示。 一、电路原理分析1.音频电路 本音箱音频通道用了一块电子分频电路BT2353HM、两块双运放4558及一 ...
2023-5-5 11:47
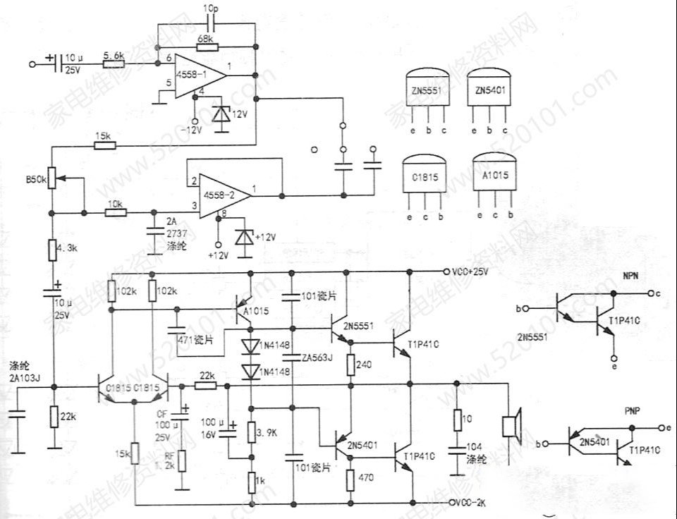
用两只D718代换功率对管A1941和C5198
用两只D718代换功率对管A1941和C5198
收到同行送来的故障机壹台功放机,左、右声道功率管A1941、C5198均烧毁。该机采用经典OCL音频功率放大电路,如图1所示。 前级两只2N5551型三极管为差动放大管,2N5401型三极管集电极串联两只1N4148型二极管,经4.7 ...
2023-5-5 11:47

QQ|Archiver|手机版|家电维修论坛 ( 蜀ICP备19011473号-4 川公网安备51102502000164号 )

GMT+8, 2025-11-21 07:05 , Processed in 0.061050 second(s), 7 queries .

Powered by Discuz! X3.5

© 2001-2025 Discuz! Team.

返回顶部