找回密码
 请使用中文注册
订阅

功放维修

音箱的制作
  要想坐在家里欣赏优美的音乐,就要具备最基本的音响器材。例如有收到其他维修同行的一台卡式录音座或是 CD 唱机作为信号源,有收到其他维修同行的一台音频功率放大器和一对音箱以及音频信号线、音箱线,就可以组成最基本的音响 ...
2023-5-26 16:39
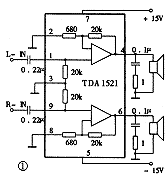
音源输入电路和喇叭保护电路
音源输入电路和喇叭保护电路
音源输入电路和喇叭保护电路
2023-5-26 16:39
自制音箱业余调整
自制音箱业余调整
(一)鄙人也是一个爱好者,虽说现今高烧已退,但还是心怀技痒,将音箱调整的一点心得提供大家参考.所有的调整建立在正确的箱体设计上!由于倒相箱和-12dB分音器较为常见,先谈谈倒相箱.调整的三要素 ...
2023-5-26 16:39
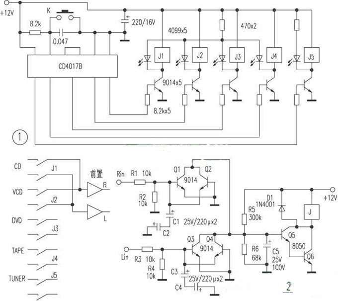
2.1声道音箱系统喇叭保护器电路
2.1声道音箱系统喇叭保护器电路
多媒体电脑的拥有者日渐增多,而且都配置有 2.1声道音箱系统,即两个小音箱加一只低音炮(低音炮带变压器及三声道的功放、音量音调控制等),而多数的中低档2.1声道的音箱系统是不带喇叭保 ...
2023-5-26 16:39
喇叭音圈修理法
1.喇叭纸盆与弹簧板(支片)和音圈的粘合剂脱落,放音时会产生啪啪的声音。这时用双手轻轻向下按压喇叭纸盆,如手感不擦圈,可用上海产的康达牌AB双管粘合剂1∶1调匀后,用不锈钢丝或铁 ...
2023-5-26 16:39
BOSE 802Ⅲ型专业音箱
美国BOSE(博士)公司的802型专业扩音音箱以其丰满、醇厚的音质,很高的可靠性和能够适应恶劣的环境条件,而在世界各地的专业音响市场有较高的声誉。现在介绍的BOSE 802Ⅲ型 ...
2023-5-26 16:39
一款小型多媒体有源音箱制作
一款小型多媒体有源音箱制作
在以前的文章中曾经介绍过一款多媒体音箱的制作方法,不过由于该音箱采用了6.5英寸的扬声器,音箱体积对于桌面空间狭小的读者来说有点偏大。应读者的要求,在本文就介绍一款小巧玲戏的多媒 ...
2023-5-26 16:39
专业音箱的类型
1、按用途分类 在音响工程中使用的音箱按用途不同可分成两大类,第一类是扩声音箱(亦称演出用音箱);第二类则是监听音箱。这两类音箱因为使用的目的各不相同,设计时的考虑重点也不尽相同 ...
2023-5-26 16:39
有源音箱的制作
有源音箱的制作
有源音箱是功放和无源音箱的有机结合体,在多媒体上得到广泛应用。有源音箱省去功放外壳,节省空间,减少外接线路,省去与VCD等音源所重复的功能和电路(如卡拉OK电路等),特别是功放和音箱 ...
2023-5-26 16:39
音箱直达声与绕射声
音箱由于受结构形式、箱体材料的选择、加工的精度等各方面的影响,音箱在使用的过程中,其本身就是一个直达声与绕射声的混合型声源。早期的迷宫式音箱,靠音箱箱体内的较长的低音管道来加 ...
2023-5-26 16:39
两分频KTV音箱与三分频KTV音箱的区别
两分频 KTV音箱结构简单,造价相对较低,为了解决缺少这段中音频率,在分频网络上把低音单元的频响特性向上移动,把高音单元拭目以待频率特性向下移动。另外一个问题是,分频交*点频率只能 ...
2023-5-26 16:39
演播厅声音箱功率的计算
演播厅声,同其他任何室内扩声一样,都存在着一个根据扩声场所的声压级确定所用音箱的功率容量即通常所说的电功率的问题。虽然对于一个给定的房间来说,设计者可以根据经验,确定自己所熟 ...
2023-5-26 16:39
有源音箱的技术参数
有源音箱的技术参数
有源音箱的技术参数项目众多,对读者选购和使用最有意义的有以下几项:1.功率:  功率可以说是最有意义也最没意义的一项参数,说它最有意义,是因为它直接决定了音箱的最大有效输出声压级( ...
2023-5-26 16:39
功率标称的秘密
谈到音箱的参数,功率是最多被我们提到的。虽然这几年来,大家都不夸张地谈论PMPO峰值功率,也见不到动辄成百上千瓦的功率数值在音箱中出现,但目前音箱多媒体音箱功率是否就真的可信了呢 ...
2023-5-26 16:39
用TDA2822M制作小功率有源音箱
用TDA2822M制作小功率有源音箱
TDA2822M是意法半导体(ST)早期专门为便携式录放音设备开发的双声道音频功放集成电路,具有低交越失真和低静态电流的特点,可工作于双声道立体声或单声道桥式放大(BTL)模式。TDA2822M工作电 ...
2023-5-26 16:39

QQ|Archiver|手机版|家电维修论坛 ( 蜀ICP备19011473号-4 川公网安备51102502000164号 )

GMT+8, 2025-11-21 05:28 , Processed in 0.127497 second(s), 8 queries .

Powered by Discuz! X3.5

© 2001-2025 Discuz! Team.

返回顶部