找回密码
 请使用中文注册
订阅

功放维修

哈曼卡顿AVR45/AVR65功放★_后级图纸
哈曼卡顿AVR45/AVR65功放★_后级图纸
哈曼卡顿AVR45/AVR65功放后级电路图
2023-5-26 16:40
哈曼卡顿AVR125/225/2250/3550功放★_后级图纸
哈曼卡顿AVR125/225/2250/3550功放★_后级图纸
哈曼卡顿AVR125/225/2250/3550功放后级电路图
2023-5-26 16:40
安桥TX-DS575功放★_后级图纸
安桥TX-DS575功放★_后级图纸
安桥TX-DS575功放后级电路图
2023-5-26 16:40
哈曼卡顿HK3480/3380功放★_后级图纸
哈曼卡顿HK3480/3380功放★_后级图纸
哈曼卡顿HK3480/3380功放后级电路图
2023-5-26 16:40
哈曼卡顿AVR505/507/130/230/330功放★_后级图纸
哈曼卡顿AVR505/507/130/230/330功放★_后级图纸
哈曼卡顿AVR505/507/130/230/330功放后级电路图
2023-5-26 16:40
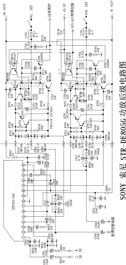
索尼STR-DE805G功放★_后级图纸
索尼STR-DE805G功放★_后级图纸
索尼STR-DE805G功放后级电路图
2023-5-26 16:40
索尼TA-FA30ES功放★_后级电路图纸
索尼TA-FA30ES功放★_后级电路图纸
索尼TA-FA30ES功放后级电路图200V音频功率放大器驱动器与Baker补偿性钳位电路概述LME49810芯片是一种高保真音频功率放大器驱动器专为要求苛刻的消费类和专业音频应用系统蒸发散。放大器的输出功率可以通过改变缩放电 ...
2023-5-26 16:39
索尼TA-EX7功放★_后级图纸
索尼TA-EX7功放★_后级图纸
索尼TA-EX7功放后级电路图
2023-5-26 16:39
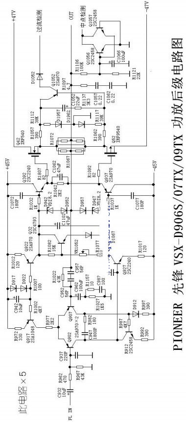
先锋VSX-D906X/D906S/07TX/09TX功放★_后级图纸
先锋VSX-D906X/D906S/07TX/09TX功放★_后级图纸
先锋VSX-D906X/D906S/07TX/09TX功放后级电路图
2023-5-26 16:39
索尼TA-AV570功放★_后级图纸
索尼TA-AV570功放★_后级图纸
索尼TA-AV570功放后级电路图
2023-5-26 16:39
音箱的指标
一、额定阻抗及胆抗特性扬声器系统的额定阻抗一般由所采用的扬声器单元的额定阻抗来决定。扬声器系统的阻抗特性比扬声器单元的阻抗特性要复杂的多。这是因为扬声器系统所用的扬声器单元多种多 ...
2023-5-26 16:39
三分频音箱制作
三分频音箱制作
笔者在这里介绍一款采用10英寸扬声器单元制作的三分频音箱。一、材料准备: 扬声器均采用国产南鲸牌。低音型号:YD270-8B(布边涂胶盆80W),中音型号:YDZ176-8X(50 ...
2023-5-26 16:39
有源音箱的组成
  有源音箱的构成可分为有源和无源部分。有源部分主要由功放组件和dianyuan电源变压器组成。功放组件用来对音乐信号进行放大并实现各种操控功能,而dianyuan电源变压器则为功放组件提供电能 ...
2023-5-26 16:39
音箱通用原理
1、 引言 目前音箱是按其构造分类的,例如闭箱、倒相箱、空纸盆箱(无源辐射箱)、迷宫箱、二级倒相箱、前号筒箱、后号筒箱、箱式低音炮、管式低音炮、加载式、传输线式、管道式等等约有10 ...
2023-5-26 16:39
无源多媒体音箱巧变有源音箱
无源多媒体音箱巧变有源音箱
本人用一根连线,将无源多媒体音箱升级变为有源音箱,其效果无论从音质和音量方面都有明显改进,特别是音量变大了几倍。 一般普通声卡都带有音频线路输入、输出接口,我们选用一根双声 ...
2023-5-26 16:39

QQ|Archiver|手机版|家电维修论坛 ( 蜀ICP备19011473号-4 川公网安备51102502000164号 )

GMT+8, 2025-11-21 05:28 , Processed in 0.127419 second(s), 7 queries .

Powered by Discuz! X3.5

© 2001-2025 Discuz! Team.

返回顶部