找回密码
 请使用中文注册
订阅

功放维修

LM4766电子两分频功放★_及音箱制作
LM4766电子两分频功放★_及音箱制作
动手能力较强的音响发烧友,可自己动手,制作出高性能的音响器材。下面介绍一例。  一、电子两分频功放。 前级分频优于功率分频,插入损耗小,分频点可根据扬声器单元性能灵活调节。不过 ...
2023-5-26 16:51
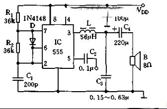
555集成制作D类功率放大器电路
555集成制作D类功率放大器电路
如图所示,555和R1,R2,C1等组成一个频率为100KHZ的可控多谐振器,占空比为50% 控制端5脚加入音频信号,则3脚输出一个脉宽与信号幅值成正比的调宽脉冲信号,经L和C3滤波后便可得到一个放大 ...
2023-5-26 16:51
功放★_阻抗匹配
它是指功放的额定输出阻抗,应与音箱的额定阻抗相一致。此时,功放处于最佳设计负载线状态,因此可以给出最大不失真功率,如果音箱的额定阻抗大于功放的额定输出阻抗,功放的实际输出功率 ...
2023-5-26 16:51
车载功放★_支持声道数
是指车载功放所能支持的声道数量,目前常见的车载功放都是2-5声道不等。所谓声道(Sound Channel)是指声音在录制或播放时在不同空间位置采集或回放的相互独立的音频信号,所以声道数也就是 ...
2023-5-26 16:51
超级500W甲乙类功率放大器
超级500W甲乙类功率放大器
在制作了各种功放之后,我终于突发决心,作一个功率足够强劲的功放,以推动我所接触的大部分音箱,功率到底多大呢,经过反复的计算,在4欧姆下500W几乎是个极限了,供电用AC56伏*2,总电压1 ...
2023-5-26 16:51
一款MPC放大器
一款MPC放大器
电脑用的功率放大器 许多玩音响的前辈一看到这个题目必然会抚袖而去,因为这个题目随便在那个杂志上,遍地都是,再写这个题目,难免会有老掉牙之嫌。但此文却有些不同,他是本人多次试验的 ...
2023-5-26 16:51
FU29并联单端30W功放★_图纸
FU29并联单端30W功放★_图纸
FU29并联单端30W功放电路图
2023-5-26 16:51
先锋M22K功放★_电路
先锋M22K功放★_电路
先锋M22K功放电路
2023-5-26 16:51
简单的场效应管甲类DC功放★_
简单的场效应管甲类DC功放★_
简单的场效应管甲类DC功放
2023-5-26 16:51
IC+射极交叉输出的前级
IC+射极交叉输出的前级
由于以后的耳机放大电路还要用到这个PCB板子,所以首先应该申明,耳机放大器与前级的要求是不一样的,根据我的理解是:在保证各种失真很小,信噪比很高的情况下,前级需要的频响是平直的, ...
2023-5-26 16:51
20W单端纯甲类功放★_
20W单端纯甲类功放★_
最近,好友赠送一幅20W单端纯甲类功放电路图,电路十分简单,所用元件很少。符合“简洁至上”的原则,用料普通,易于仿制,看到好多的发烧友对单端纯甲类功放感兴趣,不敢独享,特撰写此文 ...
2023-5-26 16:51
LM3886制作的标准放大器
LM3886制作的标准放大器
LM3886 是美国国家半导体公司的50W功放集成电路,具有完善的保护电路,极低的失真,是物美价廉的选择,用它制作的功放可谓上上之选。它现在市面价格只有二十多元。实际的装配图 这 ...
2023-5-26 16:51
钟神旗舰功率放大器
钟神旗舰功率放大器
JA-2/JA-100是恒东音响科技有限公司推出系列放大器至今为止最顶级的旗舰巨制。她追求的目标是真实还原音乐的本来面目。音乐重现时高、中、低频平衡,音色醇厚丰润,音场宽广,定位准确。 ...
2023-5-26 16:51
有关放大器交越失真的探讨
有关放大器交越失真的探讨
许多人对于乙类功放始终耿耿于怀,似乎乙类一定不能有细腻的表现,我一向反对这种观点,因为现在的器件的发展日新月异,只要把它仔细分析,在关键的地方使用高速器件和足够的功率推动,完 ...
2023-5-26 16:51
集成电路LM3886制作的超低音放大器
集成电路LM3886制作的超低音放大器
集成电路LM3886制作的超低音放大器
2023-5-26 16:51

QQ|Archiver|手机版|家电维修论坛 ( 蜀ICP备19011473号-4 川公网安备51102502000164号 )

GMT+8, 2025-11-20 05:56 , Processed in 0.118640 second(s), 8 queries .

Powered by Discuz! X3.5

© 2001-2025 Discuz! Team.

返回顶部