找回密码
 请使用中文注册
订阅

功放维修

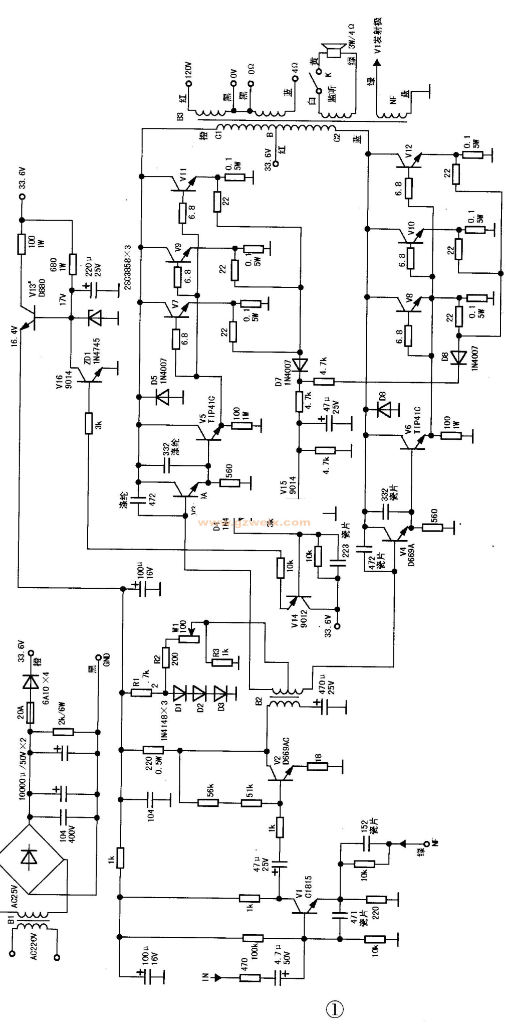
安桥TX-DS575功放维修音箱不响无输出,操作和显示都正常【附电路图纸】
安桥TX-DS575功放维修音箱不响无输出故障表现为:开机按键操作和显示都正常,任何声道任何解码状态下都没有声音输出。观察到输出继电器已经吸合。 维修方法过程:测量功放后级工作正常,将输入插头断开,输入其他音频 ...
2023-5-26 16:55
ONKYO安桥TX-DS555功放左声道有时无声,有时沙哑维修两例
ONKYO安桥TX-DS555功放维修两例一.故障表现为:开机操作正常,左声道有时无声,有时沙哑,右声道和中置环绕正常。维修过程:开机接入音频信号,让功放正常工作,用示波器检查音频信号左走道的走向,当左声道不响时, ...
2023-5-26 16:55
几款Onkyo安桥AV功放常见检修思路经验
Onkyo安桥AV功放常见检修思路介绍 Onkyo 安桥 AV功放有非常好的市场份额,AV功放功能多,输入和输出接口也多,相对HIFI功放来讲故障也要多一些,在功放 ...
2023-5-26 16:55
一般的安桥功放常见英文菜单对照表,英文学习差的可以看看
一般的安桥功放常见英文菜单对照表,英文学习差的可以看看,日本品牌的AV功放在中国受欢迎的重要原因是他的解码板做得好,但是日本功放也有一个最让中国消费者头疼的地方,那就是英文操作系统,英文菜单,英文按键, ...
2023-5-26 16:55
分享ONKYO安桥功放检查维修方法和维修心得
分享ONKYO安桥功放检查维修方法和维修心得
浅谈ONKYO安桥功放检查维修方法 首先,维修功放前,应先弄清功放是在什么情形之下损坏、有何现象出现等,以便初步判断功放损坏的部位及元件,缩小检修范围。比如,接线的时候将喇叭线短路,音箱接线头裸露部分太 ...
2023-5-26 16:55
安桥TX-NR609中置和右声道有明显于其他声道的静噪
安桥TX-NR609中置和右声道有明显于其他声道的静噪
可以说ONKYO TX-NR609是近几年来低端次世代功放市场中最为常见的一款机型,它以较低的价位集成了当下标准配置的全部功能,但是这批机器的质量大家有目共睹,的确是不些不尽人意,小问题较多,大问题也有,甚至有解码 ...
2023-5-26 16:55
安桥TX-SR502功放输出没有声音又一列
安桥TX-SR502功放输出没有声音又一列
安桥TX-SR502功放维修输出无声音故障表现为:开机有显示,接入信号后怎么操作也没有声音。但是操作中发现一个奇怪现象,不管A/B通道哪个接通,开机后如果不按其中一个,解码方式都选择不了。随便按一下A/B,解码模式就 ...
2023-5-26 16:55
安桥TX-DS595 AV功放没有声音输出维修案例
安桥TX-DS595 AV功放没有声音输出维修案例
安桥TX-DS595 AV功放无声维修一例故障表现为:开机后显示和操作功能正常,喇叭无信号输出。 595是安桥AV功放中的一个较老的型号了,该机有光纤和同轴信号各两组,输入数字信号后开机没有声音,输出继电器延时吸合正 ...
2023-5-26 16:55
傻瓜175 275功放管脚,参数及应用电路介绍
傻瓜175  275功放管脚,参数及应用电路介绍
傻瓜275功放管脚,参数及应用电路介绍 傻瓜175 275是中山达华厂(不知这厂现今可存在了)出的功放厚模块,傻瓜275表示双声道75W,被称为“傻瓜IC”的集成电路模块,爱好者也称之为“一脚踏”的功放电路。 傻瓜275 ...
2023-5-26 16:55
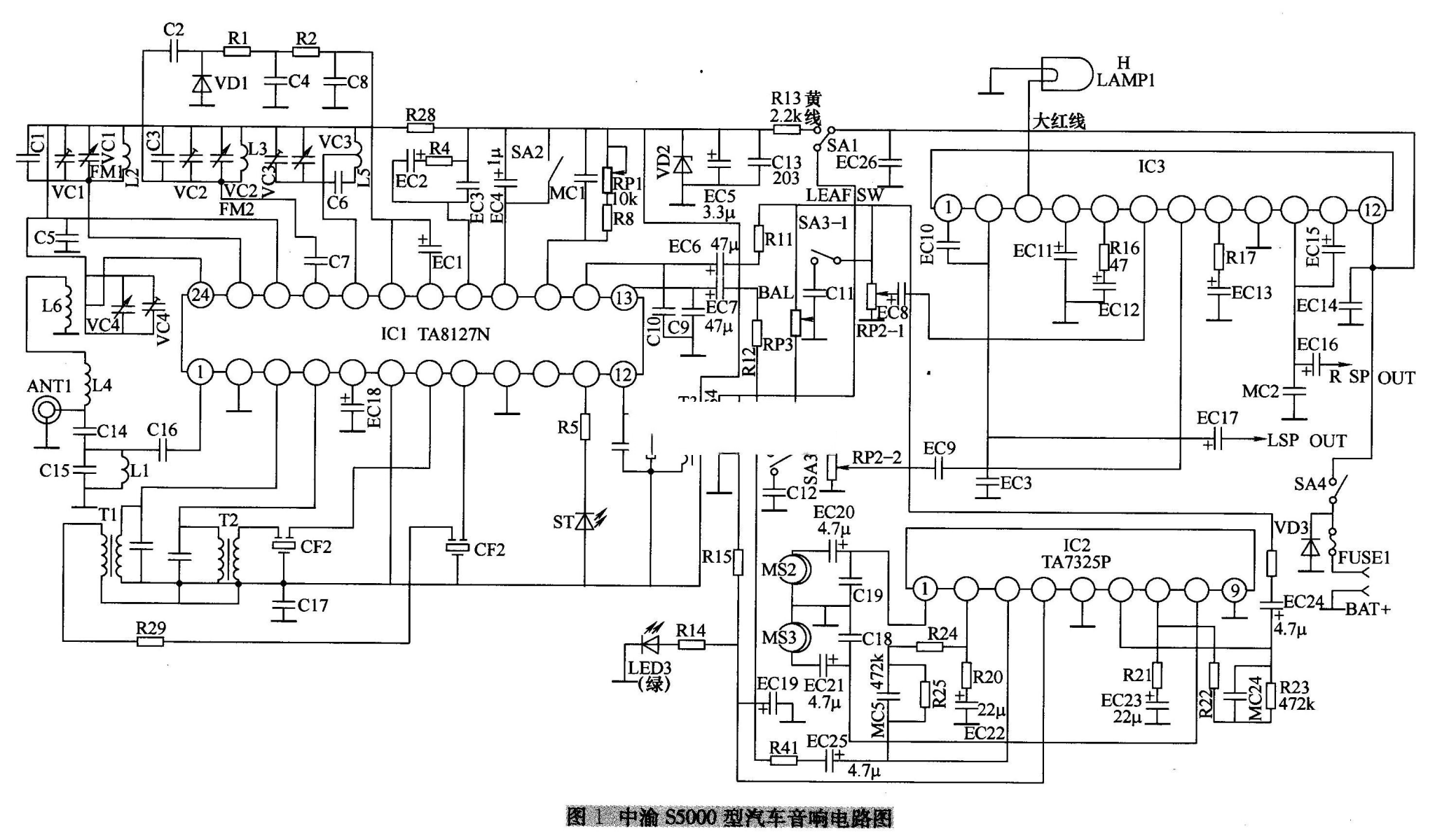
中渝S5000型汽车音响用磁带放音右声道无声
中渝S5000型汽车音响用磁带放音右声道无声
中渝S5000型调幅/调频立体声收音、放音汽车音响,收音功能正常。用磁带放音时,右声道无声,左声道声音正常。 分析思路: 中渝55000型汽车音响主要以三块集成电路为主构成。相关电路如图1所示。其中;IC1 (T ...
2023-5-26 16:55
检修3022A智能音乐播放系统功放电源输出插座无电压
检修3022A智能音乐播放系统功放电源输出插座无电压
该机面板控制、输出电源时间段设定均正常,就是到设定时间后功放电源输出插座没有电压,完成不了学校打铃、课间播放音乐。 拆机发现机内除显示屏外有两块电路板:一块是触MP3解码控制电路板,另一块是整流稳压继 ...
2023-5-26 16:55
飞跃NG-200B扩音机音轻故障检修
飞跃NG-200B扩音机音轻故障检修
收到其他维修同行的一台飞跃NG-200型扩音机,客户称:使用中突然声音变小,放磁带、话筒均声轻。 故障原因分析:接入100W/8Ω扬声器试验(接在低阻抗输出端子0Ω与4Ω的接线柱上),并置于放磁带状态,把音量瞬间调到最大,两接线柱 ...
2023-5-26 16:55
RIGAO-OK-K550功放不通电故障检修
检查发现AC220V输入保险管熔断发黑,判断电源变压器负载有严重短路现象,必须查明故障原因后才能更换保险管。 拆盖检查发现电源变压器次级通往整流全桥的两只15A保险管已熔断变黑,保险管座外加的铜丝也烧断。在 ...
2023-5-26 16:55
中度CR一1型卡座、故障现象是放音左右声道无音、左右声道无电平驱动显示、录音不能录 ...
一位卡座发烧友送来收到其他维修同行的一台中度CR一1型卡座、故障表现为是放音左右声道无音、左右声道无电平驱动显示、录音不能录、机械各操作功能正常。首先在磁头左右声道脚输入干扰信号、(先将功放机音量电位器调到较小位置、以免损 ...
2023-5-26 16:55
金嗓子xp350功放机故障现象为两声道无音
一位音响发烧友送来收到其他维修同行的一台金嗓子功放机型号为xp350、故障表现为为两声道无音、原因是机主在带电状下用毛扫清洁唱盘唱头时使音厢发出很大的”喀擦”声、致使功放机立即冒烟之后变为无声。拆开机壳、通电观察功放机左右声 ...
2023-5-26 16:55

QQ|Archiver|手机版|家电维修论坛 ( 蜀ICP备19011473号-4 川公网安备51102502000164号 )

GMT+8, 2025-11-20 00:11 , Processed in 0.102101 second(s), 8 queries .

Powered by Discuz! X3.5

© 2001-2025 Discuz! Team.

返回顶部