找回密码
 请使用中文注册
订阅

功放维修

5W D类放大器MP7501芯片(图)
5W D类放大器MP7501芯片(图)
由MPS公司生产的MP7501单片IC组成的5WD类音频功率放大器电路如附图所示。该放大器主要用于电池供电的游戏机、多媒体电脑、便携式音乐播放机(MP3)和个人数宁助理(PDA)等。 MP7501为8引脚DIP和SO1C封装,采 ...
2023-5-5 10:57
OCL功放的维修精要(图)
OCL功放的维修精要(图)
由于OCL功放电路优越的性能和较高的稳定性和可靠性,长期以来被各生产厂家广泛采用。但在使用中由于种种原因经常出现烧毁攻放管、复合管及电阻等元件的现象。因OCL电路是直接耦合,电路前后相互牵扯,在维 ...
2023-5-5 10:57
四声道功放TDA7384芯片(图)
四声道功放TDA7384芯片(图)
TDA7384是意-法ST公司生产的四声道单片集成功放,属AB类音频功率放大器。 由TDA7384组成的四声道功率放大电路如图所示,每声道35W输出功率。 ...
2023-5-5 10:57
2W功放芯片KA2206B(图)
2W功放芯片KA2206B(图)
KA2206B是韩国三星公司生产的2W立体声音频功率放大器,采用双列12脚封装。该集成电路内部含有两个增益可变的前置放大器和两个功率放大器。输入阻抗为25k,通过调整④、⑨脚外接电容的容最可以调整放大器的增 ...
2023-5-5 10:57
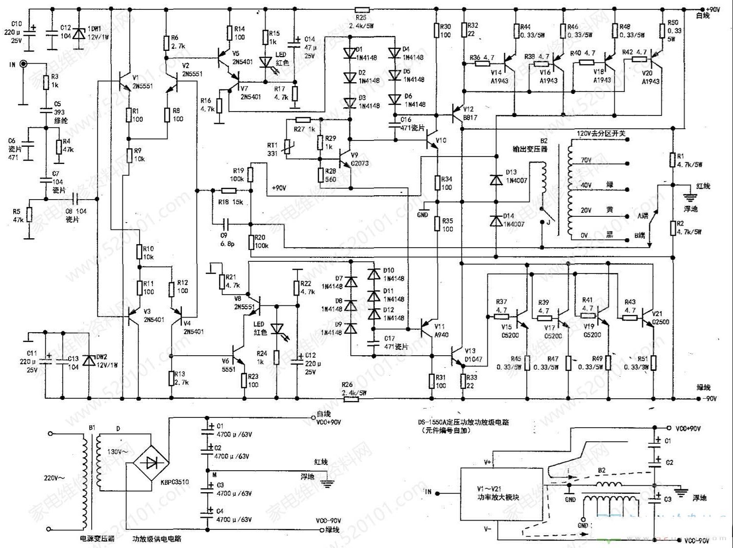
DS-1550A定压功放不通电和声音断断续续的维修
DS-1550A定压功放不通电和声音断断续续的维修
收到同行送来的故障机壹台DS-1550A型定压功放,刚安装几天就烧坏。查看发现交流220V进线保险管8A已炸开发黑。拆下交流进线保险管,在路测量大型铝材散热器上方的5只功率输出管A1943的c-e极间阻值为0Ω。因5只管子呈并联 ...
2023-5-5 08:30
电脑音箱音质差耗电大的原因分析
电脑音箱音质差耗电大的原因分析
收到同行送来的故障机壹台普通电脑音箱,故障是音量稍微开大一点音量质就变得很差,绿色电源指示灯随声音大小闪烁,类似供电不足耗电增大现象,低音扬声器音量也不如以前大。 拆机,发现这是一款低档有源音箱,功 ...
2023-5-5 08:30
漫步者R101T06多媒体音箱电路原理图
漫步者R101T06多媒体音箱电路原理图
2023-5-5 08:30
湖山PE2200功放保护的检修思路
湖山PE2200功放保护的检修思路
收到同行送来的故障机壹台湖山PE2200型功放,面板两个保护灯亮,整机不工作。询问用户得知,此机从购回之日起,就发现与同型号的机器有所不同:当电源电压低于180V后,此机就工作不正常,而且越来越严重,到现在整机不工 ...
2023-5-5 08:30
雅马哈L1598收放唱三用机功放集成电路的代换过程
雅马哈L1598收放唱三用机功放集成电路的代换过程
收到其他维修同行的一台雅马哈L1598型收放唱三用机,工作时整机无声。实测出该机的电源电路见图1。电源电路中+20V供功放集成电路用电,+19V供前置放大、收音、磁带放音电路用电。在维修时,测量电源电路供电正常。由于是 ...
2023-5-5 08:30
采用UPC1263C2功放放大器双声道功放维修
采用UPC1263C2功放放大器双声道功放维修
uPC1263C2内含两个彼此独立的功率放大器,采用14脚DIP双列直插式封装,典型应用电路如图1所示。笔者曾检修收到其他维修同行的一台用uPC1263C2组成的某双声道功率放大器,R声道放音正常,L声道放音无声。经检测发现其内部L ...
2023-5-5 08:30
康佳A-811插卡有源音箱放卡时响时不响的检修思路
康佳A-811插卡有源音箱放卡时响时不响的检修思路
此有源插卡音箱用来播放MP3歌曲跳广场舞,近来出现声音突然消失又能自动有声音现象。由于此故障很不稳定,决定先对功耗较大的功率输出级全部补焊,结果无效。测绘该机左声道功放级(主音箱扬声器由左声 ...
2023-5-5 08:30
KONE AV336E功放机扬声器保护继电器频繁动作的检修思路
KONE AV336E功放机扬声器保护继电器频繁动作的检修思路
收到同行送来的故障机壹台KONE-AV336E型功放机,机主诉说通电后左右声道无声,在此之前音量一个声道大、一个声道小,大音量的也只有正常时音量的三分之一, 再大就会出现频繁声音中断现象,只要把音量减小就可长期正常 ...
2023-5-5 08:30
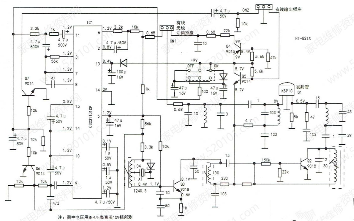
无线和有线两用麦克风检修思路2例
无线和有线两用麦克风检修思路2例
例1:一型号为HT-82TX无线有线两用台式麦克风,因搬运不当掉落地面,底座塑料罩被摔破,接上+9V电源无天线输出信号。拆出电路板,见到如图1的信号流程图(电路板上的元件无序号,部分序号由绘图者编排), ...
2023-5-5 08:30
带MP3播放机的舞台闪光灯不通电的检修思路
带MP3播放机的舞台闪光灯不通电的检修思路
此种舞台闪光灯与众不同,在半球形灯体内还带有一块MP3播放器电路板及两只4Ω/3W锅底形泡沫边扬声器,当播放U盘中的MP3歌曲时,闪光灯会随着歌曲音量大小变化而闪光,优美怡人。现此闪光灯不通电,观察 ...
2023-5-5 08:30
DM-8000功放机音量小且音质差的检修思路
DM-8000功放机音量小且音质差的检修思路
机主诉说此机刚开始故障是音量慢慢变小,调节音量电位器可以弥补音量小毛病,一次使用过程中音量开得并不大,突然音质变得沙哑干涩难听,忙断电拆盖,并没有发现有烧焦变色元件,又通电试几次,可以长时 ...
2023-5-5 08:30

QQ|Archiver|手机版|家电维修论坛 ( 蜀ICP备19011473号-4 川公网安备51102502000164号 )

GMT+8, 2025-11-18 11:47 , Processed in 0.135207 second(s), 7 queries .

Powered by Discuz! X3.5

© 2001-2025 Discuz! Team.

返回顶部