找回密码
 请使用中文注册
订阅

功放维修

高品质多媒体有源音箱制作方法(图)
高品质多媒体有源音箱制作方法(图)
一、制作方案 1.前置放大部分采用集成电路LM4160。该集成电路为新一代音调控制IC,其内部除了具有性能优异的直流电压控制高低音调、平衡、音量功能外,还具有高品质的小信号前置放大与3D环绕声场处理功 ...
2023-5-5 10:58
汽车音响BTL专用功放IC集锦(图)
汽车音响BTL专用功放IC集锦(图)
本文就车用收放机故障率最高的功放部分,结合本人实测和搜集资料对这 类IC作一专门介绍。 1.品牌机的专用lC 图1是日本先锋公司汽车音响专用功放IC PAL006A(实测机型DEH-P3300),该IC采用MOSFET输 ...
2023-5-5 10:58
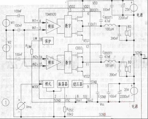
D类音频功放IC TDA8920芯片介绍(图)
D类音频功放IC TDA8920芯片介绍(图)
TDA8920是飞利浦公司生产的D类(开关型)功率放大器IC。该器件将模拟电路、数字电路和两个MOSFET半桥功率级集成到同一芯片上。采用17脚单列直插式SOT243-1封装。 TDA8920可以组成单端连接(SE)立体声放大器 ...
2023-5-5 10:58
Hi-Fi大功率DMOS集成IC—TDA7293(图)
Hi-Fi大功率DMOS集成IC—TDA7293(图)
欧洲著名的SGS-THOMSON意法微电子公司推出了一款音色比TDA7294更好、功率更大的Hi-Fi大功率DMOS集成功放——TDA7293。它和TDA7294的内部结构基本一样,分为三级:差分输人级由双极型晶体管组成,推动级和功率 ...
2023-5-5 10:58
排除自制功放噪音的几种有效方法
自制功放时,经常碰到不同程度的噪音问题。对于已经制作成形的电路板,以下几种方法可以根治或者降低噪音。 一、后级功放板的电流哼声 1.将音箱驳入功放,开启电源,挪动电源变压器位置直至哼声减弱,再用金 ...
2023-5-5 10:58
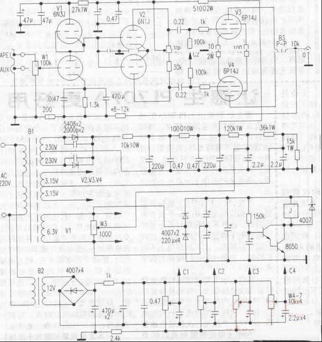
音色柔美小胆机(图)
音色柔美小胆机(图)
工作之余,我制作了收到其他维修同行的一台音色柔美的小胆机,输出功率10w左右。如图所示,前级V1由一只高频双三极管6N3组成SRPP电路,V2由6N1组成长尾式倒相级,输出级v3、V4采用一对6P14作功率放大,接成标准线路,采用固定负 ...
2023-5-5 10:58
清华同方多媒体电脑音箱维修(图)
清华同方多媒体电脑音箱维修(图)
近日,单位的收到其他维修同行的一台清华同方多媒体电脑开机时仅有一个声道出声,换一对音箱声音即正常,因此判断前一对音箱已损坏。 拆开有源音箱见下图(依据实物绘制),整个功放围绕着UTC2025小功率集成块构成。从输入端 ...
2023-5-5 10:58
给VCD增加内置功放(图)
给VCD增加内置功放(图)
期以来,我使用VCD机时总感到不如意,原因是VCD机自身不带功放。要播放碟片时,除音箱外,非得再配电视机或者功放机不可,因此使用起来极其麻烦。 本人有收到其他维修同行的一台万利达早期生产的VCP-N28K型VCD机,为其加装了 ...
2023-5-5 10:58
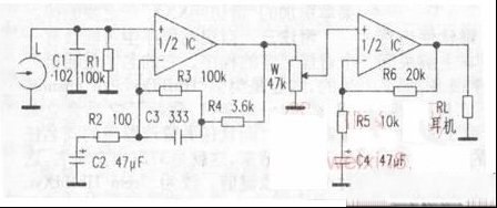
自制2.1声道多媒体音响方法(图)
自制2.1声道多媒体音响方法(图)
本人给自己的电脑配个2.1声道,用专门的“炮”来对付低音,两只卫星箱又可做得小巧玲珑。 1.电路设计 如图1,左右声道由一只双运放作线路放大。为了让两只卫星箱在自己的频带内更好地工作,在左右 ...
2023-5-5 10:58
BM-861后级功率放大器维修(图)
BM-861后级功率放大器维修(图)
收到其他维修同行的一台BM-861型纯后级功放,指示灯不亮,无声音输出。 经检测,查出R声道中的一只功放管T36(C4468)和推动管T31(B649A)击穿损环,交流电源保险管烧断(发黑)。更换管子和保险管后试机,有声音输出。但几分钟 ...
2023-5-5 10:58
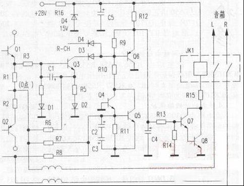
飞达F-9603功放音箱保护电路检修及改进(图)
飞达F-9603功放音箱保护电路检修及改进(图)
[例1]开机后L、R两声道音箱均无声,保护指示灯一直在闪亮,没有继电器的吸合声。 根据以上现象分析,故障原因有两个:一是OCL功放电路有问题,使音箱保护电路动作,实施保护功能;二是音箱保护电路本身 ...
2023-5-5 10:58
耳机功放IC TDA1308芯片介绍(图)
耳机功放IC TDA1308芯片介绍(图)
TDA1308是飞利普公司推出的甲乙类CD专用耳机功放集成电路,其优异的性能使得以往的TDA2822、TDA7050、LM386等“经典”功放望尘莫及。 常见资料介绍的基本上采用单电源(3~7V)供电,实际上TDA1308也是一只 ...
2023-5-5 10:58
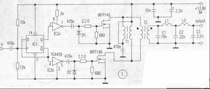
简单易制的D类100W功放(图)
简单易制的D类100W功放(图)
本文介绍一款采用普通元件制作的D类100W功放电路,供广大音响爰好者参考。电路如图1所示。 元件选择要点: Ic1选用双D触发器CD4013。IC2选用高速MOSFET驱动电路TC4426,该芯片在4.5V~18V供电范围内 ...
2023-5-5 10:58
用6P13P制作5W功放(图)
用6P13P制作5W功放(图)
电子管6P13P是用于电子管电视机作行输出的高频束射功率管,笔者经过电路没计,精心制作,用于音频功率放大,取得较好效果。 电路如附图所示,电路非常简洁,前级是最常见的共阴放大电路。为保证输入灵敏 ...
2023-5-5 10:57
10W×3功率放大器TDA7497芯片(图)
10W×3功率放大器TDA7497芯片(图)
TDA7497是意法-汤姆逊公司于2000年底推出的一款10W+10W+10W/15W三声道集成功率放大芯片,由单电源供电,有静音控制(MUTE)功能。其管脚排列见图1,各管脚定义见表。 图2为厂家提供的内部结构及典型应用电 ...
2023-5-5 10:57

QQ|Archiver|手机版|家电维修论坛 ( 蜀ICP备19011473号-4 川公网安备51102502000164号 )

GMT+8, 2025-11-18 05:48 , Processed in 0.144972 second(s), 8 queries .

Powered by Discuz! X3.5

© 2001-2025 Discuz! Team.

返回顶部