找回密码
 请使用中文注册
订阅

功放维修

利用四只元件实现智能散热(图)
利用四只元件实现智能散热(图)
本人介绍一种仅用四只元件实现的甲类功放智能散热电路,试用两年证明其电路简单,动作可靠,可确保电路热稳定良好。 电路如下图:KT为起控温度为87℃的温控开关,将它涂上导热硅脂,紧贴安装在功放管的 ...
2023-5-5 10:59
高保真电子两分频功放及音箱
高保真电子两分频功放及音箱
动手能力较强的音响发烧友,可自己动手,制作出高性能的音响器材。下面介绍一例。 一、电子两分频功放前级分频优于功率分频,插入损耗小,分频点可根据扬声器单元性能灵活调节。不过,前级分频电路的优劣 ...
2023-5-5 10:59
一款性价比较高的功放制作方法(图)
一款性价比较高的功放制作方法(图)
一、电路图选择原则 现成的功放电路图不外乎纯电子管放大、纯晶体管放大、混合放大三类形式。常规的纯电子管放大器,总要有一个输出变压器为伴,而其音质的好坏也大半取决于这个让人欢喜让人忧的变压 ...
2023-5-5 10:59
2×50W双差分准互补甲乙类功放(图)
2×50W双差分准互补甲乙类功放(图)
家庭欣赏音乐时,常用功率不过2~3W,就能满足需要。但为了具备爆棚气氛,可以设计成有50w的乙类输出功率。因此,设计收到其他维修同行的一台放大器应具有小信号柔和甜美的音色,还应具备在动态有爆棚威力。甲乙类放大器无疑是最 ...
2023-5-5 10:59
500W高性能桥式功放(图)
500W高性能桥式功放(图)
本功放是以驱动2~8Ω低阻抗喇叭为目标,特点是大功率、低失真而且简单易作。如图所示,由双声道厚膜IC STK3102III构成正反相电压激励,确保了电路的平衡性,附带的好处是免去了分立元件配对、调试的困难 ...
2023-5-5 10:59
由STA500组成的60W D类放大器(图)
由STA500组成的60W D类放大器(图)
采用意法半导体ST公司四重半桥功率芯片STA500设计的60W立体声D类放大器如下图所示。 STA500采用36脚Power SO-36封装,内部MOSFET能承受40V的DC电源电压,在ID=IA下的导通电阻Rds(ON)仅约0.2Ω,当结温 ...
2023-5-5 10:59
教你自制多媒体功放(图)
教你自制多媒体功放(图)
笔者自制的一款用于多媒体的功放电路,见下图,图中LM1036为直流音调控制IC,用于高低音、平衡、音量调节。功率放大为TDA1521,当供电电压±12V、8Ω负载时,即可获得2×15W的输出功率。电路采用万用板焊接。 ...
2023-5-5 10:59
国产功放故障检修三例
国产功放故障检修三例
例1 天逸AD-780B 故障表现为:开机没有继电器的吸合声,左右声道无输出,电源指示灯亮。 检修:从现象来看,说明电源部分没有问题,故障在后级输出中点电压偏零过大或大功率管烧毁,导致扬声器保护 ...
2023-5-5 10:59
实用微型功放制作(图)
实用微型功放制作(图)
本功放元件少、制作简单、音质好,非常适合装入有源音箱内。效果理想,成本也低,适合初学者制作。 功放IC选用TDA1521,当电源电压为±16V时,输出功率为12W×2,此时失真度仅为0.5%,并具有开/关机 ...
2023-5-5 10:59
易于调试的场效应管甲类DC功放
易于调试的场效应管甲类DC功放
附图为本功放电路图,用AP500A作推动级,末级精选一对日立名管K1058/J162担任,图中K1、K2为钮子开关,K1可将L、R声道输入信号互换;K2则用于关机时断开负载,避免冲击。电路正确安装后,只需调4.7k电位器 ...
2023-5-5 10:59
总结:功放维修经验点滴
总结:功放维修经验点滴
首先,检修功放前,应先弄清功放是在什么情形之下损坏、有何现象出现等,以便初步判断功放损坏的部位及元件,缩小检修范围。笔者曾修过两台高士功放。收到其他维修同行的一台为机主接功放输出时,音箱线裸露部分过长,放音中 ...
2023-5-5 10:59
采用DFT1805AW模块的功放(图)
采用DFT1805AW模块的功放(图)
DFT1805AW是由美国WINCODE公司研制出的一种音响控制推动模块。通过采样、主动补偿、实时校正等多项技术手段,由功放主动补偿扬声器的运动失真,从而达到消除失真的目的。模块将扬声器运动检测电路、运算和变换 ...
2023-5-5 10:59
用STK3152和SAP15组成的功放(图)
用STK3152和SAP15组成的功放(图)
STK3152系日本三洋电机公司生产的Hi—Fi音频前级电压厚膜集成放大器,它无需外接中点调整电路,可使中点输出达到零。其频率在20kHz和放大倍数为40dB时总谐波失真不超过0.005%。STK3152为双路封装形式( ...
2023-5-5 10:59
简单易制的功率放大器(图)
简单易制的功率放大器(图)
简单易制的功率放大器 uPC1185H是市场比较常见的单列直插12脚双功放集成电路。该集成电路在电源电压为13.2V、负载电阻为4Ω时,每个声道输出5.8W(OTL方式)不失真功率。若接成BTL方式,输出功率可达17w。uP ...
2023-5-5 10:58
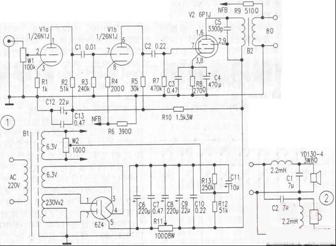
卧室音响小家碧玉(图)
卧室音响小家碧玉(图)
本人制作收到其他维修同行的一台单端甲类小胆机,一对超薄型壁挂式音箱,用普通CD机放音,构成卧室音响系统。试听结果表明,搭配基本合理,音色柔和细腻,高音纤细,中音清晰,低音也有一定力度。 电路如图1所示。V1a为前置 ...
2023-5-5 10:58

QQ|Archiver|手机版|家电维修论坛 ( 蜀ICP备19011473号-4 川公网安备51102502000164号 )

GMT+8, 2025-11-18 11:47 , Processed in 0.068651 second(s), 8 queries .

Powered by Discuz! X3.5

© 2001-2025 Discuz! Team.

返回顶部