找回密码
 请使用中文注册
订阅

功放维修

一款D类功放(图)
一款D类功放(图)
D类放大器有效率高的优点,可做成功率大、体积小、重量轻、省电的音频功率放大器,是家用数码音响设备的发展方向之一。本文介绍近年来音响中使用最多的IC芯片(HIP4080A)构成的功率放大器,以供参考。 下 ...
2023-5-5 11:00
浅谈功放滤波电容对称性
现在的高保真功放多采用OCL输出,要求采用正负电源供电,必须注意滤波电容容量的对称性。实践证明,正、负电源的滤波电容容量如果误差太大,功率放大器会产生低频自激,严重时会烧毁大功率管。 实际上 ...
2023-5-5 11:00
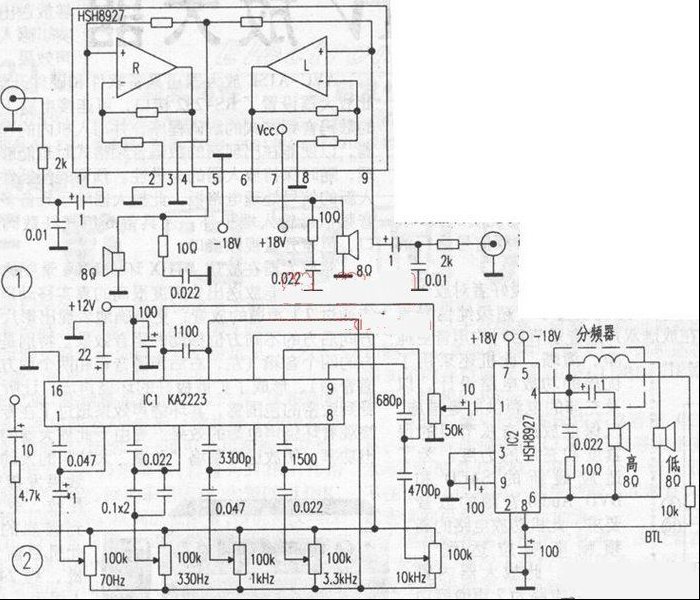
高保真双声道功放HSH8927(图)
高保真双声道功放HSH8927(图)
HSH8927是PHIUPS公司新出的双声道音响电路,其内部设有输入静噪功能,开/关机无电流冲击声,并具有过载短路保护,适于家庭影院Hi-Fi放大器的配套。 该IC是单列9脚封装,其主要电参数:工作电压典型为± ...
2023-5-5 11:00
用胆石复合管的放大器(图)
用胆石复合管的放大器(图)
用胆三极管与一只高反压大功率石三极管复合组成一个复合管(图1),可代替胆功放管做功率放大。特点如下:1.输出内阻低,做功率放大不易自激,大大降低了对输出变压器的要求。2.电子管中束射四极管或五极管接成 ...
2023-5-5 11:00
集成功放应要点
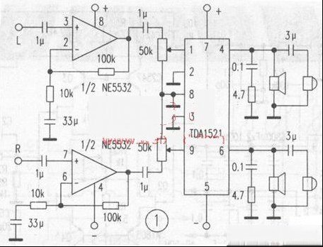
而今市面上常见的Hi—Fi集成功放,主要是以下三家公司的产品:1.美国国家半导体公司(NSC),代表产品有LM1875、LM1876、LM3876、LM3886、LM4766等。2.荷兰飞利浦公司(PHILIPS),代表产品是TDA15××系列,比 ...
2023-5-5 11:00
木质有源音箱大改造(图)
木质有源音箱大改造(图)
市售的有源多媒体音箱以木质有源箱音质较好,但价格也相对较贵。许多生产商为了降低成本而在内部功放电路及扬声器等主要器件的选择上大量使用廉价品,使声音质量大打折扣。声音一大就失真;声音小了又尽是噪声 ...
2023-5-5 11:00
胆管精确配对法(图)
胆管精确配对法(图)
胆机末级无论属何种组态,其功放管均需严格配对(就是单管单端甲类机,两声道胆管参数也应尽量一致)。本文介绍一种双管同屏同栅测试法,电路简洁,精确度高。 原理如下图所示,利用电桥平衡原理,无需输出变 ...
2023-5-5 11:00
音响的简易调校
声道校正功放的左、右声道输出应与音箱的左、右声道输入相一致。看看是否有接错的情况。方法是:将功放的平衡旋钮向左旋到底时,左音箱音量应增大,右音箱应没有声音;向右亦然,若效果与此相反,说明功放与音 ...
2023-5-5 11:00
先锋SX205功放开机无显示无声故障检修
故障表现:收到其他维修同行的一台先锋SX205型功放通电后多功能荧光屏无显示,按面板各按键无反应,听不到保护继电器吸合的声音,故音箱亦无声,观察荧屏灯丝有燃亮。 分析及检修:在正常情况下,该机通电后电源电路输出±50V电压 ...
2023-5-5 11:00
一款并联推挽胆机功放(图)
一款并联推挽胆机功放(图)
本文介绍的胆机功放具有以下特点:一、功放管采用并联推挽的形式,其输出阻抗降低,输出变压器的电感量减少,匝数、分布电容、漏感亦可随之而减少;其频响可向高端延伸。二、电源部分采用电源滤波器和高压自动 ...
2023-5-5 11:00
也谈自制胆机的体会(图)
也谈自制胆机的体会(图)
一、改100k音量电位器为2k 目前,大多数胆机都采用图1所示的100k音量电位器,而VCD、CD、DVD、卡座、收音头等的输出阻抗均设计为2k左右。虽然说这些低阻抗音源与电子管功放高输入阻抗在匹配上无多大问 ...
2023-5-5 11:00
10瓦胆石复合单端甲类功放(图)
10瓦胆石复合单端甲类功放(图)
本人用胆石复合管代替大功率胆三极管做单端甲类功放,取得了较好的效果,电路如下图。 该电路只有两级放大。前级为6N3共阴放大。6N3是中u(35)放大管,栅负压较小,阴极接300Ω栅偏压电阻,工作点适当 ...
2023-5-5 11:00
采用SAP15功放管的胆石混合机(图)
采用SAP15功放管的胆石混合机(图)
本文介绍的胆石混合机,由于采用高频双三极管6N3做音频放大,县有失真小、高频响应好、转换速率高、动态范围大的优点。基本参数见下左表。 功率输出级采用日本三肯公司音响名管SAP15N/P,这是两只互补 ...
2023-5-5 11:00
Hi-Fi电脑有源音箱(图)
Hi-Fi电脑有源音箱(图)
本人设计并制作了一款有源音箱,成本较低,制作简单,音质效果令人满意,现介绍如下: 一、功率放大器 为了降低成本,我用了TDA2030作功放,滤波电容用4700uF/25V,因本电路元件少,所以用料一定要 ...
2023-5-5 11:00
浅谈音响器材的正确使用与维护
一、影碟机的维护 1.灰尘问题影碟机机内的光头部分最怕灰尘,一旦灰尘侵袭了光头会造成读碟慢、图像有马赛克,或干脆不读碟等现象。所以笔者对自己的影碟机除散热孔外,其他接缝处、不用的接线端子, ...
2023-5-5 11:00

QQ|Archiver|手机版|家电维修论坛 ( 蜀ICP备19011473号-4 川公网安备51102502000164号 )

GMT+8, 2025-11-18 11:47 , Processed in 0.111574 second(s), 8 queries .

Powered by Discuz! X3.5

© 2001-2025 Discuz! Team.

返回顶部