找回密码
 请使用中文注册
订阅

功放维修

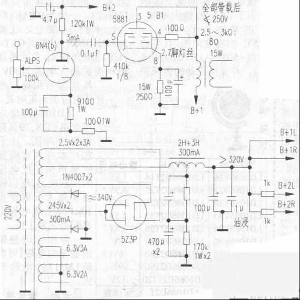
用束射四极管5881的甲类功放(图)
用束射四极管5881的甲类功放(图)
曙光电子管厂生产的加强型束射四极功率管5881与国产6P3P、6L6系列通插,即在Ua低于400V时可直接互换。 图示为一实用、简洁的单端甲类电路。无大环路负反馈,音色自然,华丽流畅,是2A3的挑战者。 ...
2023-5-5 11:15
TDA2616功放芯片介绍(图)
TDA2616功放芯片介绍(图)
TDA2616是12W×2高保真功放集成块,单电源供电。其电路见附图。 ①脚、⑨脚为输入端,②脚为静音,③脚、⑧脚为1/2电源电压,④脚、⑥脚为输出端,⑤脚为接地端,⑦脚为供电端。其电性能如下: 1 ...
2023-5-5 11:15
功放末级功率管损坏检修
在修理分泣元件功放时,功率管损坏的情况比较多见。损坏功率管的主要原因有输出端短路(无保护电路或其失效),电路有低频振荡或高频自激,220v电源陡升,话筒反馈啸叫以及操作不当等。在检修实例中发现,同时 ...
2023-5-5 11:15
CD机SRPP电子管缓冲级(图)
CD机SRPP电子管缓冲级(图)
为进一步提高CD机的音质,笔者做了一个实验。采用和田茂氏前级的SRPP输出部分,经改进(如图所示)接入CD机和放大器之间,音质确实不可同日而语。主观感觉高低音明显向两极延伸,中音变得丰满、甜润,而音色更 ...
2023-5-5 11:15
一款线性化胆缓冲器(图)
一款线性化胆缓冲器(图)
笔者试用6J1(5654)并管加线性电源供电的组合方法作阴极输出器,大大改善了音效。 用一只30w R型变压器将二次侧的B+供电接成半波倍压整流,两只33uF/450V飞利浦电解要求配对使用,换用无极电容更好,似 ...
2023-5-5 11:15
胆机电源电路及元件选用(图)
胆机电源电路及元件选用(图)
传统的电子管电源电路见图1,供给电子管的灯丝、屏极和栅极(功放管采用固定偏压时)的电压,又称甲电、乙电和丙电。电源变压器的次级高压经全波整流后变成脉动的直流电压,再经过滤波电路后得到平滑的直流电压( ...
2023-5-5 11:15
17W超线性胆机(图)
17W超线性胆机(图)
所谓超线性状态是指帘栅极接在输出变压器初级线圈某一最佳抽头位置时,非线性失真系数可降至五极管接法和三极管接法均无法达到的最低值,而此时的输出功率与负载阻抗仍保持着跟五极管接法时一样,可看做是帘 ...
2023-5-5 11:15
性能优良的6C16胆前级(图)
性能优良的6C16胆前级(图)
目前的高保真胆机几乎全部选用三极管放大。曙光6C16是一只体积小巧的靓胆,为小九脚旁热式阴极宽频带电压放大单三极管,高跨导、低内阻、低噪声、伏安特性好。6C16内部采用短距屏栅框架支撑结构,片状栅极(有 ...
2023-5-5 11:15
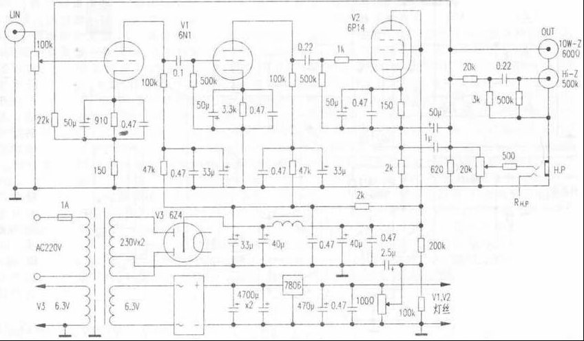
多功能电子管前级、耳机放大器电路介绍(图)
多功能电子管前级、耳机放大器电路介绍(图)
最近制作收到其他维修同行的一台多功能电子管前级、耳机放大器,它具有一路低阻输出、一路高阻输出、一路耳机输出,可方便与各种纯后级功放配接。 电路如图所示,由两级电压放大加阴极输出器和电源电路组成。为了拓宽整机的频 ...
2023-5-5 11:15
一款音色鲜活动感十足的多用途前级(图)
一款音色鲜活动感十足的多用途前级(图)
这台前级可两用,改变一下工作点,可分别作纯前级和合并式的前级加推动。 电路图如下,每声道两只6N3,第一级用一只6N3作SRPP,突出音响化特色。 第二级用一只6N3并管作共阴甲类放大,大电流Ia时兼推 ...
2023-5-5 11:15
300B单端输出机制作方法(图)
300B单端输出机制作方法(图)
线路见图1,输入级V1采用高u双三极管6N9P作电压放大,推动级V2用6V6GT,均了降低内阻,接成三极管的形式工作。功放级V3是300B的自给偏压单端输出电路,在灯丝电路中设有平衡电位器w2,调整w2能使交流声减小。 ...
2023-5-5 11:15
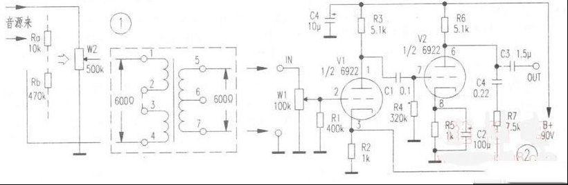
变压器胆前级放大器的制作方法(图)
变压器胆前级放大器的制作方法(图)
本前级所用输入变压器的初、次级阻抗比是1:1,阻抗均是600Ω,初级的②、③脚连接后可成为中心抽头,作为平衡非平衡制式转换。 放大器用两级6922作电压放大,主放大线路见图2。由于6922的屏极工作电压 ...
2023-5-5 11:15
电子管功放的快速检修
电子管功率放大器工作在高电压状态,与晶体管相比,检修时有所不同,须首先弄清机器的使用情况、故障发生的前后过程和故障的表现特征等。笔者在实践中,通过对功放通电前后几个关键部位的测量,能迅速找出故 ...
2023-5-5 11:15
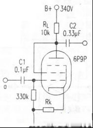
6P9P三极管接法实测(图)
6P9P三极管接法实测(图)
6P9P原设计为宽频带高频放大管,大八脚,五极管。基本参数屏压300V,允许最大值330V。屏流不大于30mA。栅压(控制栅)绝对值3V,灯丝613V。 把6P9P接成三极管,B+电压实测值为340V,Rk取500Ω-520Ω之间 ...
2023-5-5 11:15
THX的含义
THX是对美国卢卡斯影业公司制定的电影院用音响系统专业标准的通称,THX并不是一种独立的放声系统,它对杜比定向逻辑环绕系统进行了改进,使环绕声效果得到进一步的增强。   THX Surround EX于1999年9月推 ...
2023-5-5 11:15

QQ|Archiver|手机版|家电维修论坛 ( 蜀ICP备19011473号-4 川公网安备51102502000164号 )

GMT+8, 2025-11-22 12:23 , Processed in 0.124013 second(s), 7 queries .

Powered by Discuz! X3.5

© 2001-2025 Discuz! Team.

返回顶部