家电维修网

 找回密码
 注册
搜索附件  
家电维修网 附件中心 电动车论坛 39982新型液晶彩色电视机电源电路维修技能速成.zip

39982新型液晶彩色电视机电源电路维修技能速成.zip

 

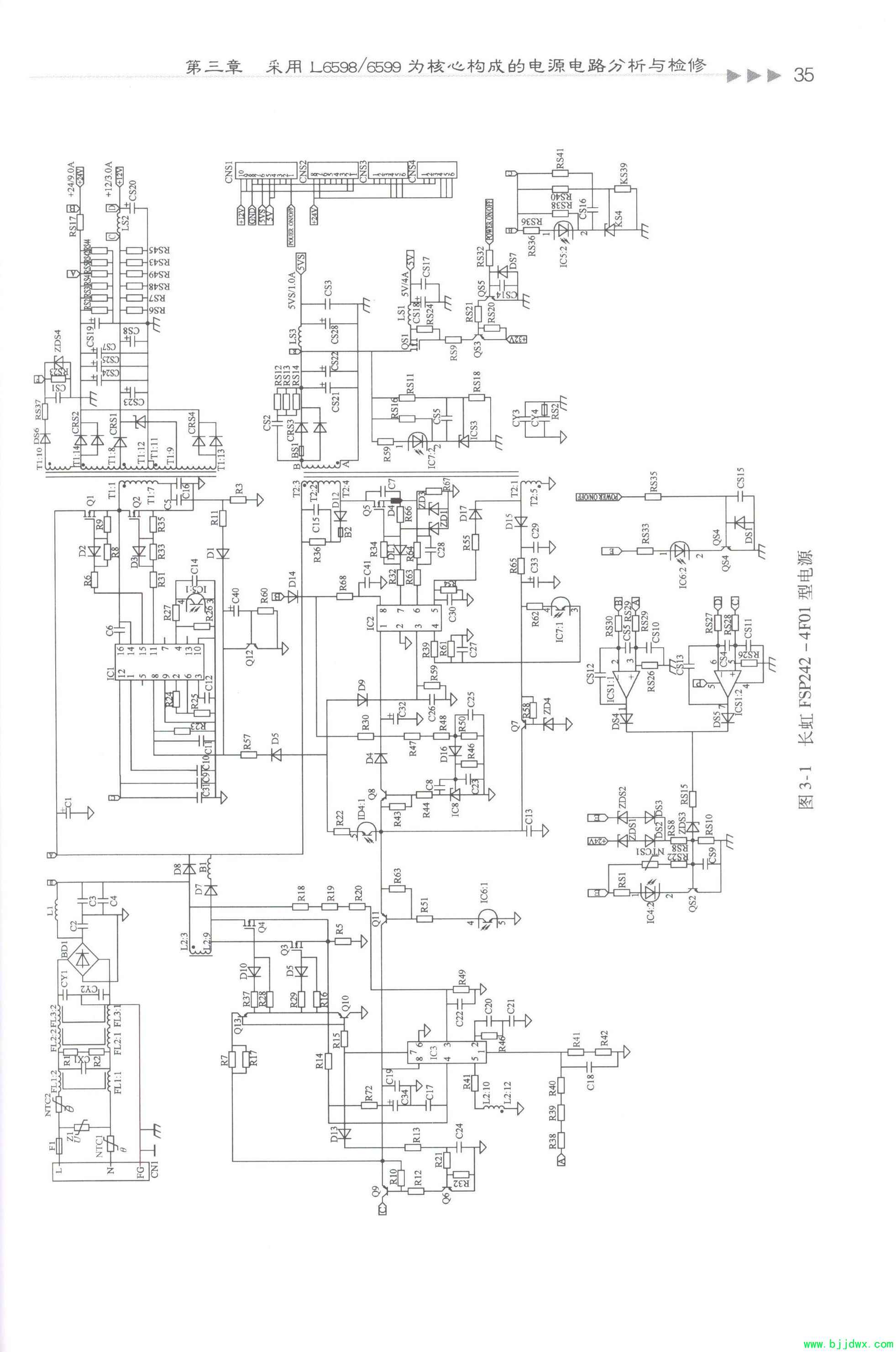
TEA1532+L6598D+UCC28051:

摘自《新型液晶彩电电源电路维修技能速成

介绍彩电电源电路维修的。

QQ|门户地图|网站地图|家电维修|手机版|家电维修技术论坛 ( 蜀ICP备14030498号-16 川公网安备51102502000162号 )

GMT+8, 2025-12-22 08:39

Powered by Discuz! X3.4

© 2001-2023 Discuz! Team.

返回顶部