找回密码
 请使用中文注册
查看: 36|回复: 0

一个音箱的两种用法 ——博士PS 18III低音炮之DIY笔记

[复制链接]
阅读字号:

132

主题

80

回帖

6649

积分

优秀会员

积分
6649

活跃会员热心会员优秀会员

发表于 19 小时前 | 显示全部楼层 |阅读模式

马上注册,结交更多好友,享用更多功能,让你轻松玩转社区。

您需要 登录 才可以下载或查看,没有账号?请使用中文注册

×
本帖最后由 方位 于 2026-1-9 00:15 编辑

上次撰文介绍过用博士AM25PII低音炮与CD5音乐中心(控制器)搭配试用的改装过程。经过这段时间的使用,感觉其低频下潜不错。AM25PII低音炮属于前面 图12所示的两次谐振箱体结构。为了感受图34所示的一次谐振结构箱体的低频音质,在网上又花了150元淘到一个博士LIFESTYLE  PS18III低音炮(卖家已经拆除功放及电源部分)。 7 IMG_20260108_183308.jpg 8 IMG_20260107_230337.jpg 9 IMG_20260103_164404.jpg

DIY过程:
1.查看该博士LIFESTYLE  PS18III低音炮箱体基本完好,为了防止箱体漏气,在箱体边缘接缝处涂上木工白乳胶,以加强密封性。 10 IMG_20260107_014455.jpg 11 IMG_20260107_230337.jpg
2.测量箱体内两个喇叭的阻抗:一个喇叭(红黑线之间阻值)为2.2欧姆。另一个喇叭(红白线之间阻值)为2.2欧姆。通过用锂电池搭接在每个喇叭的接线上,观察喇叭纸盆运动方向,确定接线极性。一个喇叭:红线为+,黑线为—。另一个喇叭:红线为+,白线为—。
3.由于箱体已拆除功放部分,所以缺背板。锯一块木板(30X17.5CM)作背板,用电钻打好背板上的安装螺丝孔及喇叭线夹安装孔。准备2对喇叭线夹,将每个喇叭的引线的+线焊接到喇叭线夹的+端,喇叭引线的—线焊接到喇叭线夹的—端。固定好喇叭线夹,并用AB胶粘在线夹边缘加强密封。 12 IMG_20260103_202955.jpg 13 IMG_20260103_205114.jpg
4.在背板与箱体结合处粘上喇叭密封胶带,以防箱体漏气,再将背板用螺丝固定在箱体上。 14 IMG_20260103_203734.jpg 15 IMG_20260107_230415.jpg

由于LIFESTYLE  PS18III低音炮音箱内置22.2欧姆低阻抗大功率扬声器,就可以改变其连接方式,灵活运用。
用法1
   LIFESTYLE  PS18III低音炮的2个喇叭串联后,总阻抗就是4.4欧姆,能适合大多数功放驱动。分析图3,图4:只有2个喇叭的纸盆都朝向A腔运动,A腔的声波气流才能从导管12输出至箱体外;只有2个喇叭的纸盆都朝向B腔运动,B腔的声波气流才能从导管3输出至箱体外。
所以两个喇叭纸盆应该反向运动,其串联的方法应该为:喇叭1和喇叭2的—线端用导线串联,功放的喇叭线加在.喇叭1和喇叭2+线端上。或者喇叭1和喇叭2+线端用导线串联,功放喇叭线加在喇叭1和喇叭2的—线端上。 16 IMG_20260107_230415.jpg 17 IMG_20260107_230454.jpg
LIFESTYLE  PS18III低音炮音箱接在建伍SW900低音炮的功放(80W输出功率)输出端,通过试听比较其音质,得出一点看法: 18 IMG_20260107_224316_Burst01.jpg 19 IMG_20260107_224531.jpg 20 IMG_20260107_230902.jpg
AM25PII低音炮导管3输出的声波气流由导管1的气流和导管2的气流复杂叠加。很大音量时,在箱体导管3出气口听,会略有风噪。但是,由于其二次谐振结构,所以输出的低频蓬松富有弹性。
LIFESTYLE  PS18III低音炮的出气口气流简单。很大音量时,在箱体导管123出气口听,风噪很小。输出的低频下限与AM25PII接近。由于其一次谐振结构,低频不是蓬松的感觉,而是更显结实。
另外,建伍SW900低音炮的功放有相位正反向切换功能,试着切换信号相位,感觉LIFESTYLE  PS18III低音炮输出的低音效果变化不明显。

用法2
不少车载功放(车机)的功放芯片用4声道功放TDA7388(具有41WX4最大输出功率),也有爱好者将车机功放芯片换为功率更大音质更佳的TDA7850(具有50WX4最大输出功率)。在12V供电,喇叭为4欧姆阻抗的情况下,TDA7850芯片不能输出最大功率。 21 IMG_20260107_005155.jpg 22 IMG_20260107_005306.jpg 23 IMG_20260107_010202.jpg 24 IMG_20260107_001957.jpg
由于LIFESTYLE 18II低音炮的每个喇叭阻抗只有2.2欧姆,就可以使得车载音响(车机)在低电压供电下(12V),也能充分发挥其功放芯片的最大输出功率。
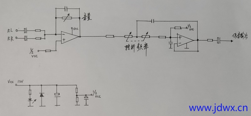
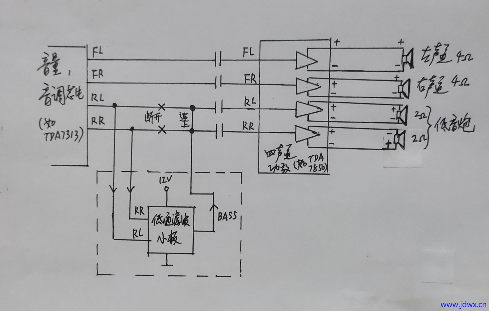
车机改装方法:车机内部主板上一般都有一个音量,音调控制芯片(如TDA7313或其他)输出前左FL,前右FR,后左RL,后右RR四声道信号给4声道功放芯片(TDA7388或其他)。因为前左FL和后左RL信号一样,,前右FR和后右RR信号信号一样。所以可以利用前左FL,前右FR信号推功放驱动主声道喇叭,利用后左RL,后右RR信号取出低频信号,推动2路低音功放驱动2个低音喇叭。如图所示,用刀片切断音调控制芯片后左RL,后右RR2声道信号输出到功放芯片的线路铜箔,加入一个音量及低通滤波电路小板(自制或淘宝购买)。音调控制芯片输出的后左RL,后右RR2声道信号用屏蔽线输入音量及低通滤波电路的输入端,该电路低音信号输出端输出到功放芯片的后左RL,后右RR输入端(耦合电容之前)。音量及低通滤波电路小板供电可以直接取自主板12V,接地线只需要接一根即可,地线接到主板音调控制芯片地线附近或其他,以噪音最低为宜。信号线建议用屏蔽线,屏蔽层单端接地。 25 IMG_20260108_192256.jpg 26 Screenshot_20260108_192419.jpg 27 IMG_20260107_234614.jpg
使用时,可调整小板的音量电位器和低频转折频率,以及车机的前左FL,前右FR与后左RL,后右RR的音量平衡,以达到较佳低音效果。
由于,LIFESTYLE  PS18III的两个喇叭要反向驱动,车机的功放输出端RL+,RL—接一个喇叭线夹的+端和—端,车机的功放输出端RR+,RR—接另一个喇叭线夹的—端和+端即可。 28 IMG_20260107_225139.jpg 29 IMG_20260105_170158.jpg 30 IMG_20260105_170226.jpg
笔者的车机功放芯片用TDA785012v电源用铭纬150W开关电源。接上LIFESTYLE  PS18III低音炮实际试听,感觉低音量感及下潜深度已经不错。若你的车机功放芯片是更好芯片,估计音质会更好。
注意:为了低音输出充足,12V电源的输出功率应大于100W。另外,功放芯片驱动22.2欧姆低音炮喇叭时,功耗及发热会较大,可以加大功放散热片或加一个微型风扇给散热片散热。 31 IMG_20260107_230140.jpg 32 IMG_20260107_225447_Burst03.jpg 33 IMG_20260107_225828.jpg

您需要登录后才可以回帖 登录 | 请使用中文注册

本版积分规则

QQ|Archiver|手机版|家电维修论坛 ( 蜀ICP备19011473号-4 川公网安备51102502000164号 )

GMT+8, 2026-1-9 20:10 , Processed in 0.877290 second(s), 25 queries .

Powered by Discuz! X3.5

© 2001-2025 Discuz! Team.

快速回复 返回顶部 返回列表