找回密码
 请使用中文注册
查看: 79|回复: 2

空调安装完,为什么一定要抽真空?要抽多久才算合格?

[复制链接]
阅读字号:

1621

主题

58

回帖

3万

积分

超级版主

积分
32808
发表于 前天 13:06 | 显示全部楼层 |阅读模式

马上注册,结交更多好友,享用更多功能,让你轻松玩转社区。

您需要 登录 才可以下载或查看,没有账号?请使用中文注册

×

很多客户在空调安装现场,都会看到师傅用一台“嗡嗡响”的真空泵,对着铜管一通抽。有的人会好奇:
  • 为什么要抽真空?
  • 不抽行不行?
  • 抽多久才算够?
  • 是不是时间越长越好?
也有一些维修同行,习惯凭经验:“抽个1小时差不多了”家用机抽15分钟可以吗?“多联机抽2小时肯定够了”。但在专业角度,真正决定抽真空是否合格的,不是时间,而是——真空度。下面我们分两部分来讲:
  • 对普通客户:用通俗的话解释“为什么要抽真空”“不抽会有什么后果”
  • 对维修/安装人员:讲清楚“怎么抽才专业”“抽多久、抽到多少算合格”
一、为什么中央空调一定要抽真空?空调系统里流动的是制冷剂(冷媒),比如R410A、R32、R22等。这些制冷剂需要在一个相对“干净”的密闭空间里循环,才能发挥最佳性能。而新安装的中央空调,室内机和铜管在安装完成后,内部并不是“空的”,而是充满了:空气(干燥洁净空气的成分比例:氮气约占78.08%、氧气约占20.95%、氩气约占0.93%,其余为二氧化碳(约0.04%)、氖气、氦气等稀有气体(总占比不足0.01%);实际环境中还可能夹杂少量灰尘、水蒸气等杂质。其中氮气、氧气、氩气等均不参与制冷循环,属于系统中的“无效气体”)如果不把这些东西抽出来,直接加注制冷剂,就等于在系统里混入了“杂质”。1.空气会带来哪些危害?1)导致系统压力异常•空气中的氮气、氧气不参与制冷循环,却会占据系统空间,增加系统压力;•高压过高,排气温度过高,压缩机负荷增大,耗电增加,严重时会导致压缩机保护甚至烧毁。2)降低制冷/制热效果•空气属于不可压缩气体,进入压缩机后无法被有效压缩,会导致压缩机排气温度异常升高,同时增大压缩机运行负荷,造成耗电量显著增加;•表现为:出风不冷/不热、温度达不到设定值、机器长时间运行不停机。3)加速系统氧化和腐蚀•空气中的氧气会与系统内的冷冻油、金属管路发生氧化反应;•产生氧化物、油泥,堵塞毛细管、电子膨胀阀等精细部件;•管路内壁被腐蚀,长期会导致泄漏风险增加。2.水分会带来哪些危害?水分是制冷系统的“大敌”,尤其是对使用R410A、R32等冷媒的系统。1)产生“冰堵”•在节流部件(毛细管、电子膨胀阀)处,温度会急剧下降;•水分在这些低温区域会结冰,形成“冰堵”,堵塞制冷剂通道;•表现为:机器一会儿冷一会儿不冷、高低压波动大、间歇性故障。2)腐蚀金属和破坏冷冻油•水与制冷剂、金属发生化学反应,产生酸性物质;•腐蚀压缩机、管路,导致压缩机“咬缸”“卡缸”;•冷冻油被乳化、变质,润滑性能下降,进一步加剧压缩机磨损。3)缩短设备寿命•水分 + 空气 + 金属 + 冷冻油,在高温高压下会加速系统老化;•原本设计寿命10–15年的设备,可能几年就出现各种故障。二、抽真空的真正目的是什么?抽真空的核心目的,就是:在加注制冷剂之前,将系统内的空气和水分尽可能抽干净,让系统内部形成一个高真空、低含水量的环境。具体来说:
  • 抽出空气,避免系统压力异常和氧化腐蚀;
  • 抽出水分,避免冰堵、油质恶化和压缩机损坏;
  • 为后续加注制冷剂提供一个稳定、干净的基础。
三、抽多久合适?时间真的是关键吗?很多人会问:
  • “挂机抽15分钟够不够?”
  • “多联机是不是要抽2小时?”
  • “有的师傅说抽一晚上,会不会更好?”
从专业角度讲:抽真空的时间只是参考,真正的标准是——真空度达到多少帕(Pa)。1.为什么不能只看时间?因为影响抽真空效率的因素很多:•真空泵的大小和抽气速率(比如2L/s、4L/s、8L/s)•系统管路的长度和容量(多联机管路可能几十米甚至上百米)•系统是否有泄漏,压力表是否漏气,连接软管是否漏气,密封垫是否泄漏(有漏点的话,永远抽不到合格真空)•环境温度、湿度等所以,同样抽1小时:•小泵 + 长管路,可能真空度还没达标;•大泵 + 短管路,可能早就达标了。因此,只用时间来判断“够不够”是不科学的。2.那到底要抽到多少才算合格?对于多联机中央空调,行业内普遍要求:真空度要达到200Pa以下(绝对压力),并保持30分钟压力不回升。有的厂家标准更严格,要求100Pa以下,具体以产品说明书为准。这里要注意:•200Pa是一个非常低的压力,接近“高真空”状态;•这个数值需要用**真空计(电子真空表)来测量,而不是凭感觉。
f7138210a53095029febf208f6cf196b.jpg
b6be3eb608a2bdc397ba01182ae541a7.png
4b17f6f86003880c8d9e700c8b4b1daa.png 这意味着:•小米的安装和维修人员,在现场必须:○连接真空计○抽真空至200Pa以下○并保留相应的检测记录这一举措,体现了几个关键点:1.厂家开始用“数据”来管理安装质量○不再只看“有没有抽”,而是看“抽到多少”“是否达标”;○真空计的普及,让安装质量可量化、可追溯。2.对消费者来说,是实实在在的保障○抽真空是否合格,不再依赖师傅的“经验”和“良心”;○有了统一的工具和标准,客户可以更放心地使用设备。3.对行业来说,是一个积极的信号○越来越多的品牌开始重视安装工艺;○这会倒逼整个行业提升标准,让“抽真空用真空计”成为标配。
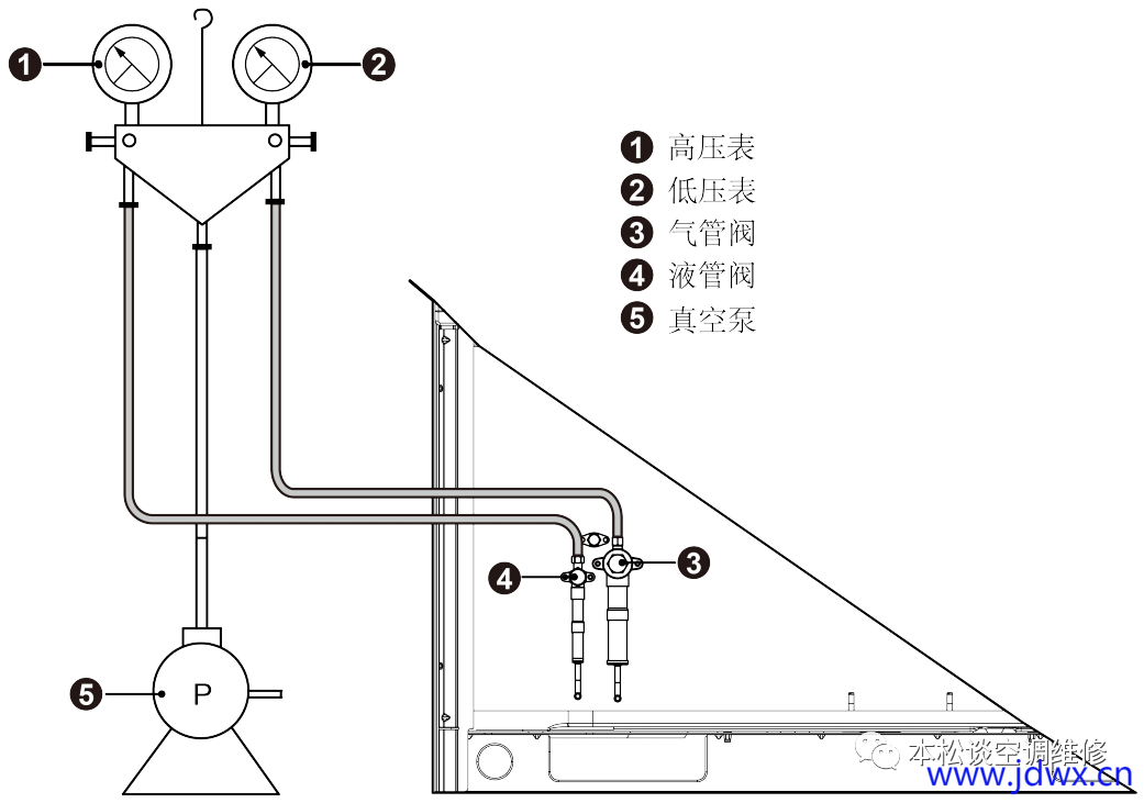
0e50236b2f880b6aaaaf364b83918ad6.jpg 保存图片到手机,打开抖音搜索页扫一扫,就可以购买同款真空计。五、正确的抽真空流程(面向维修/安装人员)下面这部分内容,更适合给维修人员、安装师傅参考,也方便客户看懂师傅是不是“按规范做事”。1.抽真空前的准备1)确认系统管路已安装完毕,所有接头拧紧;2)确认室外机截止阀处于关闭状态(避免真空泵抽进室外机内部冷媒);3)准备好:•真空泵(建议多联机用≥4L/s的双级真空泵)•真空计(电子真空表)•三通阀/复合压力表•真空泵油(确保油位正常、油质干净)2.抽真空的基本步骤
f29eff6d21b024bf4e72eb4e4a62e84d.jpg
887700667d317e982163ccfb00eac1f4.png 1)多联机在系统的低压口和高压口同时接表(双表阀),保证系统全部管路都能被抽到;2)将真空泵连接到复合表的公共接口(中间接口);3)打开真空泵,开始抽真空;4)同时打开复合表的高低压阀门,让系统整体进入抽真空状态;5)观察真空计读数,当真空度接近目标值(如200Pa)时,继续保持抽一段时间,数字越小真空度越高;6)达到目标真空度后,关闭高低压阀门,关闭真空泵,保压静置10–30分钟;7)观察真空计读数是否明显回升:•若真空度基本保持不变或者略有回升,说明系统无明显泄漏,可以准备加注制冷剂;•若真空度明显回升到500Pa以上,说明系统可能存在泄漏,需查漏、补漏后再抽。3.抽真空时间的经验参考(仅作参考)在真空泵和系统正常的前提下,一般可以参考:•家用分体挂机:15-30分钟左右•家用柜机:60–90分钟左右•小型多联机(3–6匹):1–2小时•中大型多联机(多台室外机+长配管):2–6小时甚至更久但再次强调:以上时间只是经验值,最终以真空计读数为准。六、客户如何判断师傅有没有“好好抽真空”?作为普通客户,你可能看不懂压力表,但可以从这几个方面来判断:1.有没有用真空计?○规范的做法是:接电子真空计,看数值是否达到厂家要求(比如≤200Pa)。○如果师傅只接了个普通压力表,没有真空计,只看时间,那就要提高警惕。2.抽真空的时间是否明显过短?○多联机系统,抽个十几二十分钟就说“好了”,通常是不够的。○一般至少要抽1小时以上,具体还要看系统大小和真空泵能力。3.有没有“保压静置”这一步?○抽完真空后,师傅是否关闭阀门,静置一会儿,再看真空度是否稳定;○这一步是检查系统是否有泄漏的重要环节。4.安装完成后,机器运行是否正常?○制冷/制热效果是否明显;○有没有频繁停机、保护、噪音异常等情况;○这些都可能与前期抽真空不彻底有关。七、抽真空这件事,真的不能省•对客户来说:○抽真空是中央空调安装中非常关键的一步,直接关系到使用效果和寿命;○不要为了省一点时间或费用,就让师傅“简化流程”。•对维修/安装人员来说:○抽真空不是“走流程”,而是对自己手艺和客户负责;○真正专业的做法是:用真空计,抽到标准真空度,并保压确认无泄漏。•对行业来说:○像小米这样的品牌,通过统一配备真空计、制定明确标准,正在推动安装工艺的规范化;○这是一个值得肯定的趋势。如果你是客户,看完这篇文章,下次安装中央空调时,可以多问一句:“师傅,你们抽真空是抽到多少帕?有没有用真空计?”如果你是维修人员,也欢迎在工作中坚持规范操作,让每一套中央空调都能在最佳状态下运行。.

327

主题

1783

回帖

5920

积分

超级版主

积分
5920

活跃会员热心会员突出贡献热心管理

发表于 9 小时前 | 显示全部楼层
这个帖子是不是应该放在空调版?

31

主题

929

回帖

2366

积分

初级维修师

积分
2366
发表于 3 小时前 | 显示全部楼层
已经开始使用了
您需要登录后才可以回帖 登录 | 请使用中文注册

本版积分规则

QQ|Archiver|手机版|家电维修论坛 ( 蜀ICP备19011473号-4 川公网安备51102502000164号 )

GMT+8, 2026-1-8 19:24 , Processed in 0.310166 second(s), 24 queries .

Powered by Discuz! X3.5

© 2001-2025 Discuz! Team.

快速回复 返回顶部 返回列表