找回密码
 请使用中文注册
查看: 14|回复: 0

格力GMV9 Flex大容量侧出风模块化多联机线路图(收藏)

[复制链接]
阅读字号:

1613

主题

58

回帖

3万

积分

超级版主

积分
32644
发表于 5 小时前 | 显示全部楼层 |阅读模式

马上注册,结交更多好友,享用更多功能,让你轻松玩转社区。

您需要 登录 才可以下载或查看,没有账号?请使用中文注册

×

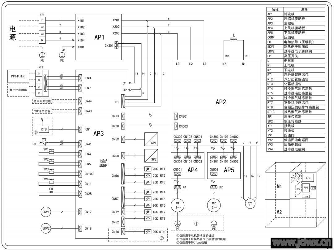
格力GMV9 Flex大容量侧出风模块化多联机线路图维修参考必备
GMV-400WML/A、GMV-450WML/A、GMV-504WML/A、GMV-560WML/A、GMV-615WML/A、GMV-685WML/A

9625c7f757592b2cb2c9e75f41b65bfe.png
注:实际线路图请以机身标识为准
.
您需要登录后才可以回帖 登录 | 请使用中文注册

本版积分规则

QQ|Archiver|手机版|家电维修论坛 ( 蜀ICP备19011473号-4 川公网安备51102502000164号 )

GMT+8, 2025-12-17 14:40 , Processed in 0.354338 second(s), 24 queries .

Powered by Discuz! X3.5

© 2001-2025 Discuz! Team.

快速回复 返回顶部 返回列表