找回密码
 请使用中文注册
查看: 15|回复: 0

多联机高压储液器的“消失”之谜:技术迭代还是厂家减配?

[复制链接]
阅读字号:

1613

主题

58

回帖

3万

积分

超级版主

积分
32644
发表于 5 小时前 | 显示全部楼层 |阅读模式

马上注册,结交更多好友,享用更多功能,让你轻松玩转社区。

您需要 登录 才可以下载或查看,没有账号?请使用中文注册

×

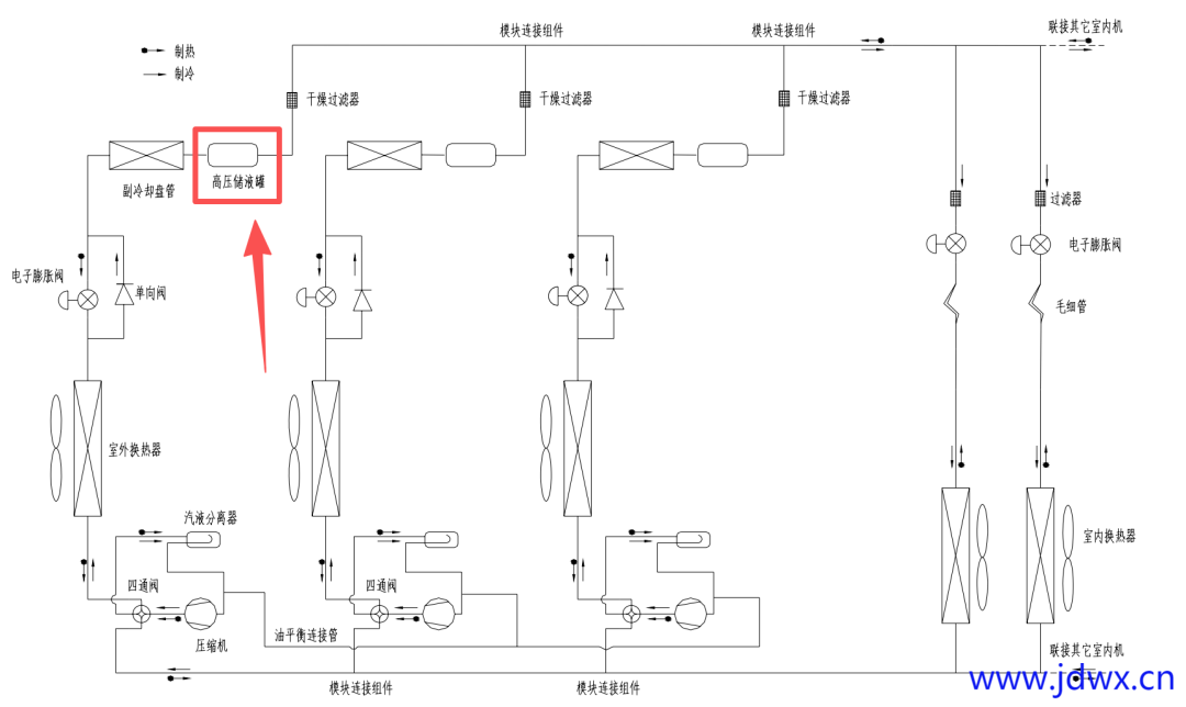
有粉丝咨询,格力4代和之前的多联机制冷系统都有一个高压储液器,可是到了5代机之后,就看不到高压储液器了。反而气液分离器的体积开始变大,想知道是技术进步,不再使用高压储液器了,还是格力厂家减配了。
在格力多联机的技术演进中,高压储液器从4代产品的标准配置,逐渐在5代、6代及后续机型中隐身,这一变化引发了暖通技术人员的广泛讨论:储液器的核心作用是什么?省略它究竟是技术的突破,还是成本的妥协?本文将从工作原理、技术迭代逻辑出发,全面解析这一行业变革的本质。
格力四代多联机制冷系统原理图
0d2f9568fc34ce6a1832b17ee8684de6.png
一、高压储液器:传统多联机的冷媒平衡中枢
高压储液器作为传统制冷系统中安装于冷凝器后的关键部件,本质是系统的能量水库,其核心作用围绕冷媒状态调控与系统稳定性展开,具体可归纳为五大核心功能:
1.冷媒容量调节:多联机制冷与制热模式对冷媒需求量差异显著,制热时节流部件前置使管路中冷媒以液态为主,制冷模式需求大幅降低。高压储液器通过制冷储液、制热释液动态调节,解决冷媒充注量不匹配问题,避免冷凝器积液或节流阀供液不足。
2.气液分离与液封保障:借重力沉降分离冷凝器出口冷媒中未完全冷凝的蒸汽,确保流向节流阀的是纯液态冷媒,同时隔离不凝性气体,避免影响低压侧换热效率。
3.过冷度提升:高压储液器内静压能让液态冷媒获得4 - 6℃过冷度,减少节流时的闪发蒸汽,提升蒸发换热效率与系统能效比。
4.应急保护与维护便利:维修时高压储液器可暂存80%以上冷媒,减少排放损耗;压缩机降频或高温工况下,能吸收多余冷媒,避免高压保护触发。
5.辅助干燥过滤:部分集成式高压储液器内置干燥剂与过滤网,吸附水分、过滤杂质,保护压缩机与节流部件。
从技术原理看,高压储液器是传统多联机解决工况波动 - 冷媒需求失衡的被动方案,其存在源于早期系统控制精度与部件性能的局限性。
二、无高压储液器设计:技术迭代的必然结果

a6c153167c083c8e2845b873f95cce9b.png
格力5代、6代多联机取消高压储液器,并非简单删减部件,而是基于节流技术革新、冷媒管理优化、系统集成升级的综合性技术突破,核心是用主动精准控制替代被动存储调节
格力五代多联机制冷系统原理图
2b2961afbf54e1f6dc996ab5db91fbe5.png
分布式电子膨胀阀的核心赋能
早期多联机节流部件多集中于室外机,新产品则为每台室内机独立配置电子膨胀阀,将节流功能转移至室内端。这一变革从根本上改变冷媒状态:制热模式下,室内机排出的高压气态冷媒经,经过室外机冷凝降温,变成低温高压液态制冷剂液态,再经过室内机电子膨胀阀节流后,变为低温低压气液混合态流向室外汽液分离器,连接管路中冷媒不再以纯液态为主,相同容积下冷媒需求量大幅降低,从源头消除冷媒充注量不匹配问题。且电子膨胀阀毫秒级调节精度,能实时匹配负荷变化与冷媒需求,调节灵活性远超高压储液器的被动存储。
系统集成与控制技术的协同升级
新一代多联机通过四大技术优化,弥补取消高压储液器后的功能空缺,其中气液分离器的扩容升级是核心协同技术之一:
换热器性能升级:采用高效微通道换热器与优化流道设计,提升冷凝效率,减少未冷凝蒸汽产生,无需高压储液器做气液分离;
•R410A冷媒的精细化适配优化:格力4代、5代多联机均采用R410A冷媒 ,新一代机型并未更换该冷媒,而是通过优化冷媒循环路径设计,配合压缩机变容技术,让R410A在宽工况下的相变过程更平稳。比如高温43℃制冷或低温 - 15℃制热时,冷媒液态占比波动幅度较4代机型降低30%,大幅减少对额外储液调节的依赖;
智能控制算法优化:通过负荷预测,联动调节压缩机频率与膨胀阀开度,实现冷媒流量与换热需求的精准匹配,极端工况下也能避免冷媒过剩或不足;
气液分离器结构与功能升级:5代及后续机型气液分离器的体积增大并非简单扩容,而是融合了格力专利技术的结构性优化(专利号:CN119042853A)。其内部增设可上下移动的容积调节机构,将腔体分为上、下两腔,通过调节阀改变下腔压力即可切换不同容积档位,实现冷媒循环量的动态调节,替代了高压储液器的冷媒容量调节功能。同时,内部新增挡液板与折流结构,迫使气液混合物碰撞折流,在相同安装空间下提升分离效率,强化对压缩机的液击防护;底部回油孔尺寸经过精准计算,确保分离出的冷冻油顺利回流,避免压缩机缺油损伤。

e6cd8ccb715f8321403fb72a248ea51e.png
系统性能的全面优化
取消高压储液器并同步升级气液分离器,带来多重技术红利:
其一,简化系统结构,减少高压侧流动阻力,冷媒直接在管路与部件间循环,提升机组运行效率;
其二,降低设备体积与重量,优化安装空间需求,同时气液分离器的结构化设计避免了单纯扩容带来的空间占用问题;
其三,减少高压储液器腐蚀、泄漏等故障点,同时气液分离器的升级提升了系统抗极端工况能力,比如适配110米高落差安装场景,通过提高冷媒流速(制冷模式气管流速达15m/s)携带润滑油克服重力,配合优化的回油结构,解决高落差下的回油难题;
其四,适配多zone扩展需求,分布式节流设计与可调容积气液分离器协同,更能满足差异化负荷调节需求。
值得注意的是,气液分离器与高压储液器的功能定位存在本质差异:前者安装于压缩机吸气口前(低压侧),核心作用是气液分离防液击、回收润滑油;后者安装于冷凝器后(高压侧),核心是储液调节与过冷度提升。5代机后气液分离器的升级,是通过功能拓展实现了对高压储液器部分核心功能的替代,形成低压侧主动调节的新逻辑,而非简单的部件替换。
三、结论:技术进步而非减配的核心判定
区分技术升级减配,关键在于是否通过替代技术实现功能等效或超越,且系统可靠性与能效是否提升。从格力多联机迭代实践来看:
1.功能替代层面:分布式电子膨胀阀 + 智能控制算法 + 可调容积气液分离器,形成了全工况下的主动精准调控体系。其中电子膨胀阀解决冷媒流量匹配问题,气液分离器解决气液分离与动态储液问题,两者协同覆盖了高压储液器的核心功能,且响应速度(毫秒级)与适配范围(宽温域、高落差)远超高压储液器的被动调节;
2.性能提升层面:无高压储液器设计减少冷媒流动阻力与换热损失,结合高效换热器,新一代产品SEER2值较4代显著提升;气液分离器的升级让室外机噪音进一步降低,部分机型低至45dB(A),同时拓展了极端工况适应能力;
3.可靠性保障层面:通过油分离器优化、回油毛细管精准设计及气液分离器的扩容升级,形成了更完善的压缩机保护体系,尤其是在高落差、低负荷等复杂工况下,系统稳定性较4代机型显著提升。
综上,格力多联机取消高压储液器、同步升级气液分离器,是节流技术革新、控制精度升级、系统集成优化共同作用的技术进步,而非厂家减配。
这一变革标志着多联机系统从高压侧被动储液调节低压侧主动精准控制的跨越。对于暖通技术人员而言,理解这一变革逻辑,不仅有助于精准选型调试(如高落差场景的安装参数设定),更能把握多联机精准控制、高效集成、宽工况适配的技术发展趋势。
.
您需要登录后才可以回帖 登录 | 请使用中文注册

本版积分规则

QQ|Archiver|手机版|家电维修论坛 ( 蜀ICP备19011473号-4 川公网安备51102502000164号 )

GMT+8, 2025-12-17 14:48 , Processed in 0.302418 second(s), 24 queries .

Powered by Discuz! X3.5

© 2001-2025 Discuz! Team.

快速回复 返回顶部 返回列表