找回密码
 请使用中文注册
查看: 420|回复: 0

下面的几副电路图,你能看懂几个?常见模块电路知识

[复制链接]
阅读字号:

1606

主题

58

回帖

3万

积分

超级版主

积分
32558
发表于 2025-11-1 15:16:57 | 显示全部楼层 |阅读模式

马上注册,结交更多好友,享用更多功能,让你轻松玩转社区。

您需要 登录 才可以下载或查看,没有账号?请使用中文注册

×
本帖最后由 电脑维修 于 2025-11-1 15:18 编辑

下面的几副电路图,你能看懂几个?

270e2f2e80583a8084a03c384f44b86e.png
949da58c820163a667d8f2ce0f23d617.png
4295a2b2489e3af15f8f5c7c028ab3c7.png
以上这些电路图,如果能够看懂,那就已经入门电子设计了。如果还没看懂,接下来,开始学习这些基础模块电路。


01.电源电路
直流稳压电源是电子设备的能源电路,关系到整个电路设计的稳定性和可靠性,是电路设计中非常关键的一个环节。本节重点介绍三端固定式(正、负压)集成稳压器、三端可调式(正、负压)集成稳压器以及 DC-DC 电路等组成的典型电路设计,相关视频推荐:老外教你DC-DC,做一个开关电源

386dc6904638c758246ed1e027b475d7.png
整流电路的作用是将交流电压 U1变换成脉动的直流 U2,它主要有半波整流、全波整流方式,可以由整流二极管构成整流桥堆来执行,常见的整流二极管有 IN4007、 IN5148 等,桥堆有 RS210 等。滤波电路作用是将脉动直流 U2滤除纹波,变成纹波小的 U3,常见的电路2有 RC 滤波、 KL 滤波、∏型滤波等,常用的选 RC 滤波电路。

40ce7335d1b98c47464ec8a056042fc4.png
实际应用电路中,芯片输入端和输出端与地之间除分别接大容量滤波电容外,通常还需在芯片引出脚根部接小容量( 0.1µF~10µF)电容 Ci、 Co 到地。Ci 用于抑制芯片自激振荡, Co 用于压窄芯片的高频带宽,减小高频噪声。Ci 和 Co 的具体取值应随芯片输出电压高低及应用电路的方式不同而异。

83896998071c1f72672018c2ab4d33bb.png               02.运算放大器电路运算放大器一般可分为通用型、精密型、低噪声型、高速型、低电压低功率型、单电源型等几种,相关视频推荐:看懂运算放大器原理。表示运算放大器性能的参数有:单/双电源工作电压、电源电流、输入失调电压、输入失调电流、输入电阻、转换速率、差模输入电阻、失调电流温漂、输入偏置电流、偏置电流温漂、差模电压增益、共模电压增益、单位增益带宽、电源电压抑制、差模输入电压范围、共模输入电压范围、输入噪声电压、输入噪声电流、失调电压温漂、建立时间、长时间漂移等。
56bccc80234d3ebb1b2207b2592af232.png
              3.信号产生电路
在各种电子设计制作过程中,需要产生各种波形,如矩形波,正弦波,三角波,单脉冲波等。产生的方法主要利用运算放大器或专用模拟集成电路,配以少量的外接元件可以构成各种类型的信号发生器。

775f22a96ef7ff25ad348b62e50bf691.png                4.信号处理电路信号处理电路主要利用集成运算放大器或专用模拟集成电路, 配以少量的外接元件可以构成各种功能的处理电路。主要功能有信号放大、信号滤波、阻抗匹配、电平变换、非线性补偿、电流/电压转换、电压/频率转换等。
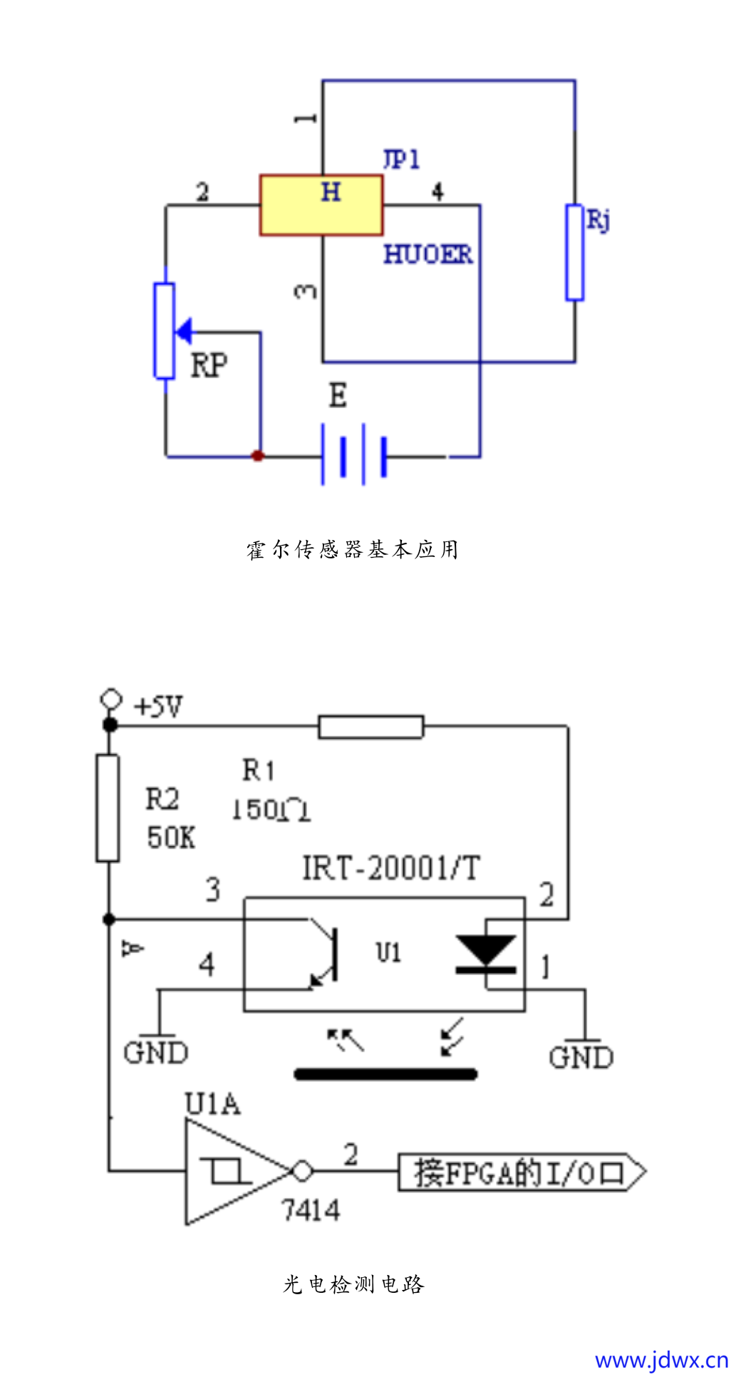
8d1749bc712532317eab9a8609368ccd.png             5.传感器及其应用电路传感器是能感受(或响应)规定的被测物理量,并按照一定规律转换成可用信号输出的器件或装置。传感器通常由直接响应于被测量的敏感元件和产生可用信号输出的转换元件以及相应的电子电路所组成。
fa88dc7da83e7524dcc8a2f099711b7a.png
                 6.显示电路LED( Light Emitting Diode 发光二极管)显示器是由发光二极管构成的最为常用的显示器件。数字 LED 显示器利用7个发光二极管显示数字,通常被称为七段 LED 显示器、或者数码管。另外, 数码管中还有一个圆点型发光二极管, 用于显示小数点。
ec5217ca0ac9b2fc0b353798567759dd.png
LCD现实原理,在外加电场的作用下, 液晶显示器件的具有偶极矩的液晶棒状分子在排列状态上发生变化,使得通过液晶显示器件的光被调制,从而呈现明与暗或透过与不透过的显示效果。下面介绍 FPGA 驱动点阵字符型液晶显示模块(MDLS)的方法与程序。
上传失败,网络异常。
重试

819073ead90f330fa2618cb0d3e13753.png
您需要登录后才可以回帖 登录 | 请使用中文注册

本版积分规则

QQ|Archiver|手机版|家电维修论坛 ( 蜀ICP备19011473号-4 川公网安备51102502000164号 )

GMT+8, 2025-12-17 04:19 , Processed in 0.293094 second(s), 24 queries .

Powered by Discuz! X3.5

© 2001-2025 Discuz! Team.

快速回复 返回顶部 返回列表