找回密码
 请使用中文注册
查看: 398|回复: 0

风机原理图

[复制链接]
阅读字号:

1606

主题

58

回帖

3万

积分

超级版主

积分
32558
发表于 2025-10-5 09:30:20 | 显示全部楼层 |阅读模式

马上注册,结交更多好友,享用更多功能,让你轻松玩转社区。

您需要 登录 才可以下载或查看,没有账号?请使用中文注册

×
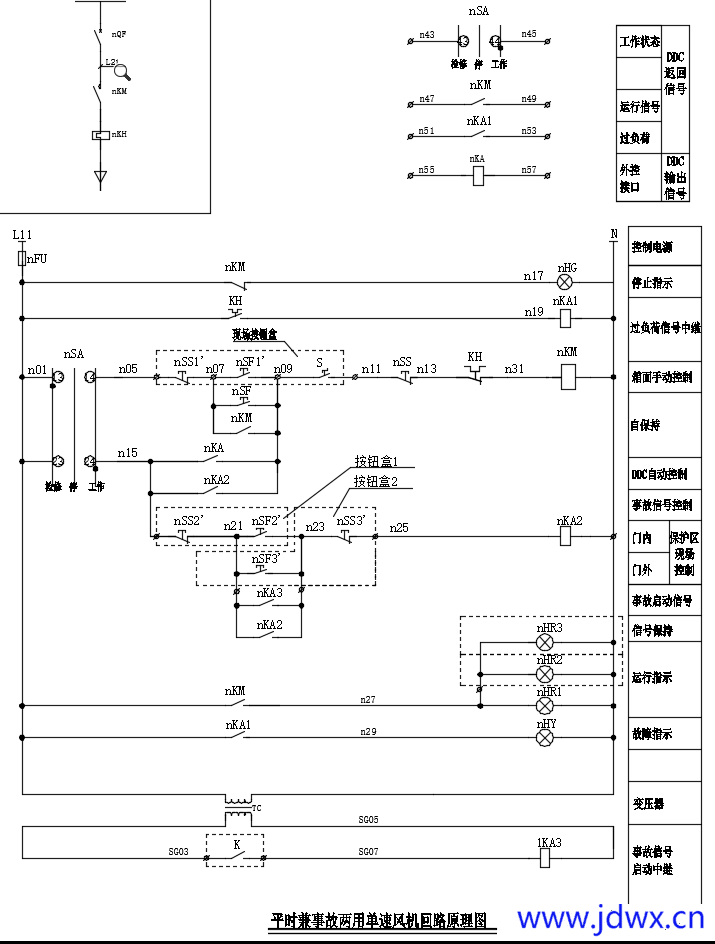
1、本图适用于三相平时和事故兼用单速风机,检修时由控制箱就手动控制,正常工作时由DDC自动控制;事故时,由事故信号自动控制启动,也可由设于保护区门内、门外的按钮盒手动控制启停。
2、事故信号包括燃气泄漏信号,有害气体泄漏信号等,由气体报警控制器输出无源触点提供。
3、外引接线端子图中,至DDC的电缆作用为通过DDC系统自动控制风机,及把风机的相关状态返回至DDC系统。至气体报警控制器电缆作用为由事故信号启动风机。
4.当控制箱操作可替代按钮盒1或2的操作时,对应的按钮盒取消。
5.“n”为回路编号1~8。
6.参考图集16D303-2-93~94。

bba17e9ab799fa32800371f993c779e0.png
您需要登录后才可以回帖 登录 | 请使用中文注册

本版积分规则

QQ|Archiver|手机版|家电维修论坛 ( 蜀ICP备19011473号-4 川公网安备51102502000164号 )

GMT+8, 2025-12-10 16:30 , Processed in 0.279508 second(s), 23 queries .

Powered by Discuz! X3.5

© 2001-2025 Discuz! Team.

快速回复 返回顶部 返回列表