找回密码
 请使用中文注册
查看: 409|回复: 1

电源自动切换电路设计与应用

[复制链接]
阅读字号:

1606

主题

58

回帖

3万

积分

超级版主

积分
32558
发表于 2025-10-4 09:28:48 | 显示全部楼层 |阅读模式

马上注册,结交更多好友,享用更多功能,让你轻松玩转社区。

您需要 登录 才可以下载或查看,没有账号?请使用中文注册

×


二极管切换

适用场景,供电电源都是 5V的场合,供电电源为外接适配器,USB,是性价比最高的方案。
带电池场景需要考虑额外的诸多问题,如果对自己的产品使用场景有底,可以针对的使用。

179107a550ee08ba6e8ad4b8bfbf42ea.jpg
两个电源,根据供电电压的高低自动选择,哪边电压高用哪边。
二极管可以选择普通二极管(最大 0.7V 压降)或者肖特基二极管(最大 0.3V 压降),在这种情况下,使用二极管并联有一个好处,不局限于2路,比如实际中可能出现3种,USB供电。
这个电路的变种

70dc5c7d6be649dabd6b40a4117d0d26.png

MOS管切换电路经典电路

5V电源和电池的场合,使用一个MOS管作为备用电源(电池电源)的开关,有一个经典电路,如下图:

81bbe96f12b9443a530092fe27b46a22.jpg
PMOS管需要反接,即VBAT接PMOS的漏极。
当VUSB有电,Vgs>0,PMOS管截止,而且VBUS>VBAT,PMOS体二极管反接,故VBAT和VCC断开,负载由 VUSB 供电;
当VUSB没电,VBAT先通过PMOS的体二极管或D2导通,S极电压为VBAT-二极管压降,Vgs<0,PMOS导通,负载由 VBAT供电;
此外D2为肖特基二极管,可以在VBUS断电的时候,VBAT迅速供电,做到无缝切换,一般在使用的时候都是根据自己的情况调整一些元器件使得能够实现无缝自动切换,这里说明一些可能影响能否无缝自动切换的因数:

1、MOS管参数
我们知道,MOS管有一个阈值电压,阈值电压越小,MOS管越容易导通。在MOS管选型的时候可以根据适当情况调整:
2、R1电阻
在上图中,MOS管的 G 极到 GND 有一个电阻R2, 这个R2的阻值越小,MOS管导通速度越快。
但需要注意的是,这个R2是一直在耗电的,如果太小,那么系统额外白白浪费的功耗就越多。
3、VDD 端滤波电容
实际上,VDD端如果有大一点的滤波电容,电容可以储存一定的能量,会使得无缝切换更加稳定,大一点的电容我实际使用的至少都是100uF以上的。
4、Vin 端电容
Vin端的电容实际上就是 VUSB 入口处的电容,在上图中是没有的,当然这里提出来也是说明不建议加,因为加了VUSB的掉电更缓慢,导致 PMOS 导通时间加长。原理同上面Vout的滤波电容一样。
5、负载功耗
负载功耗这个倒是我们无法改变的,但是他确实会影响自动切换,如果负载功耗太大,那么是有可能会导致系统复位的。 反正就是负载功耗越大,越容易在电源切换的时候出问题。 这时候一般来说,可以试着增加 VDD端的滤波电容大小。
所以在实际使用中,注意上面的几个因数,电路是可以做到无缝自动切换的。
上面的这个电路在VUSB 和电池 双电源供电的实际上已经可以正常使用,而且很经典实用。
延伸:带锂电池充电和开关的电源切换,如果遇到外部电压比内部电压高或者低很多的情况,可以先对外部电压升压或者降压处理之后在进行切换。然后在后面统一处理

4e03e789b199b516700f5d7993148e20.jpg

a02721bbd1a1b1c1b13c4b87283ad380.jpg

经典电路升级


93606c81c0e141df56b55b431b46cb79.jpg

5f4b3a8057ab9e204d0cd3e595a90fbb.jpg

相对于上面的电路来说 VUSB 与 VBat 的 压差就没有那么严格,具体的情况视具体情况而定。下面的逻辑是按照电路设计正常工作情况来说明,当然不是任何电压都适合。我们这里只是电路记录分享,如果有问题,可以评论区指出。
原理上来说还是MOS管,当VUSB有电的时候,Q2,Q1截止,VUSB供电,当VUSB没电的时候,Q2,Q1导通,VBat 供电。
当然或许会有可能Q2会导通,然后Q1截止,然后需要再根据情况详细分析的情况。
但是整体上,相对于经典电路来说 VUSB 与 VBat 的 压差就没有那么严格,在同样的电压下也可以做到切换。

经典电路再升级


76f66bc57d35168beb79d3c4f2d27601.png

b54093fbaee3e2413f7ae48ccb65d7e1.png

其中 Vin1 是主电源,Vin2 是备用电源。

当 Vin1 和 Vin2 都有电的时候会使用Vin1,只要有 Vin1 ,Q1导通使得 Q2 的 G 极接地,然后Q2也导通,Q3的 G极连接 VIn1,S极基本也是Vin1(比Vin1小一点点,几十mV),所以Q3截止,Vout 来自 Vin1。

电源切换芯片

对于某些特除的场合,也可以使用电源切换芯片,电源切换芯片相对来说基本无压降,但是相对来说,电源切换芯片的成本太高了。
比如 LTC441x 系列。

附:复杂改进型电路


72483397d61f318b52c9f516c625e52f.png

7b5e614110c6241e30fc144281c98fe1.jpg

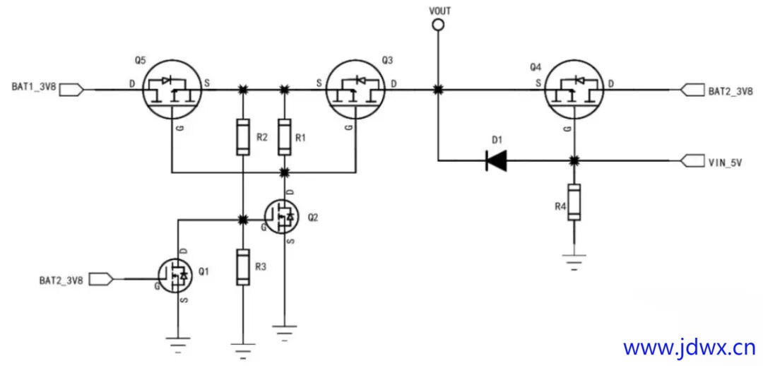
扩展:三电源切换电路


bebf2945834603a71d0cfa3127234c8d.jpg
电路描述
1、Q1、Q2为NMOS,Q3、Q4和Q5为PMOS管,D1为二极管。

2、BAT1和BAT2为电池,BAT2的容量比BAT1大,VIN_5V为外部电源,VOUT为输出,给系统供电。

3、VOUT会从优先级高的电源取电,优先用外部电源,其次容量大的电池,最后才是容量较小的电池,优先级排序:VIN_5V > BAT2 > BAT1。

工作原理
再看一下电路的工作原理。

1、当只有BAT1时,Q2、Q3和Q5导通,VOUT从BAT1取电。

2、当只有BAT2时,Q1导通,Q2、Q3和Q5截止,Q4导通,VOUT从BAT2取电。

3、当只有VIN_5V时,VIN_5V通过二极管D1到VOUT,VOUT从VIN_5V取电。

4、当BAT2和BAT1同时存在,Q1导通,Q2、Q3和Q5截止,Q4导通,VOUT从BAT2取电。

5、当VIN_5V和BAT2同时存在,Q1导通,Q2、Q3和Q5截止;VIN_5V通过D1到VOUT,BAT2通过Q4的体二极管到VOUT,因为VIN_5V较大,VOUT从VIN_5V取电。

6、当VIN_5V和BAT1同时存在,Q2、Q3和Q5导通,BAT1到VOUT,VIN_5V通过二极管D1到VOUT,因为VIN_5V较大,VOUT从VIN_5V取电。

7、当BAT1、BAT2和VIN_5V同时存在,参考4&5,VOUT从VIN_5V取电。

这个电路可以做到:三电源中任一电源存在,电路即可工作;两两电源存在,优先级高电源给系统供电,节省优先级低电源的电量;三电源同时存在,同时节省两路电池电量;两两电源或者三电源同时存在时,优先级高的电源断电,优先级低的电源会续上。.

1

主题

953

回帖

1750

积分

初级维修师

积分
1750
发表于 2025-10-6 00:16:58 | 显示全部楼层
谢谢分享!!
您需要登录后才可以回帖 登录 | 请使用中文注册

本版积分规则

QQ|Archiver|手机版|家电维修论坛 ( 蜀ICP备19011473号-4 川公网安备51102502000164号 )

GMT+8, 2025-12-3 08:10 , Processed in 0.285267 second(s), 24 queries .

Powered by Discuz! X3.5

© 2001-2025 Discuz! Team.

快速回复 返回顶部 返回列表