找回密码
 请使用中文注册
查看: 939|回复: 1

常用电机稳速控制芯片引脚功能和应用电路与互换型号一览

[复制链接]
阅读字号:

109

主题

0

回帖

3946

积分

版主

积分
3946
发表于 2023-9-12 19:57:46 | 显示全部楼层 |阅读模式

马上注册,结交更多好友,享用更多功能,让你轻松玩转社区。

您需要 登录 才可以下载或查看,没有账号?请使用中文注册

×
说明:(1)互换型号中的IC与前面署名IC属同一类型,引脚数相同,但引脚功能、脚号顺序有的不同,故代换时应改变该型号IC引脚顺序才能互换。(2)图1~图10中电阻未标注单位者,单位为“Ω”,电容未注明单位者,单位为"pF"。
        1. AN6610(互换型号:AN6610S)
               AN6610为微型电机控制集成电路,工作电压4.5~16V,应用电路见图1。①脚:驱动电机信号输出;②脚:地;③脚:速度调整。
        195621e6wgdxt5tx2tmuxk.jpg
        2. AN6612 (互换型号:AN6612S)
               AN6612也属微型电机控制集成电路,有两种封装形式。AN6612为双列直插塑封;AN6612S为扁平塑封。它们的工作电压1.8V~8V。①脚:电机反转信号输出;②脚:基准电压;③脚:电机转速比较信号输入;④脚:电源;⑤脚:地;⑥脚:偏置电压;⑦脚:输出电流调节;⑧脚:电机正转信号输出。应用电路见图2。
        195621xbepeewc5575ejje.jpg
3. AN6650/51/52 (互换型号:CD1470、D1470/H、DG1470、KA2407、LA6358、NJM2904D、TB1470/H、PC1470/H、pPC358C/J)
               AN6650/51/52系列为微型电机控制集成电路,内含电压接反保护电路,工作电压3.5V~14.4V(AN6652工作电压4.5V~18V)。①脚:电源;②脚:速度调整;③脚:地;④脚:驱动电机信号输出。应用电路见图3。
        195622ng4jiug4kg1t14yk.jpg
4. BA802(互换型号:BA802T)
       BA802是锁相环式电机控制IC,工作电压4.2V~16V。①脚:电源;②脚:速度反馈信号输入;③脚:地;④脚:基准电压;⑤脚:输出(接电机)。应用电路见图4。
        195622grcyfuf0qu0rqswu.jpg
5. CD5511/12 (互换型号:LASS11、LA5512/N、LD5512、SD5512、TB5511、TB5512、pPC55112)
       CD5511/12 系列均为4脚微型电机稳速集成电路。CD5511与CD5512的区别仅在于分流比不同,前者为50,后者为25。电源电压为4V~16V。①脚:电源;②脚:地;③脚:驱动电机信号输出;④脚:速度调应用电路见图5。
        195622oqpp4qhpoo7mppow.jpg
6. CD5521/22(互换型号:D5521/22、D5521D、KA2402、LA5521/22、LA5521M、LA5524、LD5521/22 SD5521/22、NJM2606D/M、XG5521/22)
       CD5521/22均为微型电机稳速IC,有两种控制速度,工作电压1.8V~10V。其中CD5521、NJM2606D/M为8脚,①、②、⑦脚:空脚;③脚:电源;④脚:驱动电机信号输出;⑤脚:地;⑥脚:基准电压;⑧脚:速度调整。而CD5522为5脚,①脚~⑤脚分别对应于CD5521的③、④、⑤、⑥、⑧脚。应用电路见图6 (图6中括号内脚号为CD522)。
        195622hfslhshk7ff3sfft.jpg
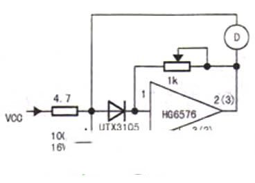
7. HG6576 (互换型号:HG6577)
       HG6576、HG6577 为三”力 二端电机稳速IC。输入电压6V~12V,具有良好的稳速特性和电源反接保护功能。HG6576①脚:电源;②脚:电机驱动信号输出;③脚:地。HG6577:①脚:电源;②脚:地:③脚:电机驱动信号输出。应用电路见图7 (图7中括号内脚号为HG6577)。
        195622yoc1c1s2cyn4ssvy.jpg
8. TDA1059C(互换型号:TDA1059B)
      TDA1059C、TDA1059B 是具有限流输出功能的微型电机稳速控制IC。两者差别微小,可以互换。工作电压2.5V~15V,①脚:地;②脚:电源;③脚:电机驱动信号输出。应用电路见图8。
        195622cw9s00grokm1th0n.jpg
9. PC1058C(互换型号:PC1043C)
       PC1058C 是频率检测方式直流伺服电机稳速IC。通过外接大功率晶体管护流能应用于小型或大型电机,工作电压9V~28V。①、②脚:前置放大输入;③脚:前置放大输出;④、⑤脚:施密特触发器输入;⑥脚:施密特触发器输出;⑦脚:电源;⑧脚:地;⑨脚:稳定电位;10脚:直流放大输出(接电机或扩流NPN晶体管基极);11脚:直流放大输入;12脚:同步;13脚:转速调整;14脚:直流输出控制;15脚:微分信号输入;16脚:复位、位置定时。应用电路见图9。
        195622f8b8jkhhlqjhzqqm.jpg
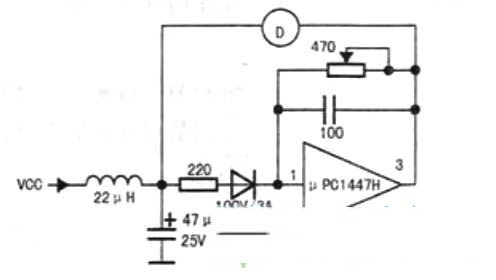
10. pPC1447H(互换型号:SD1447)
      uPC1447H为三端微电机稳速IC,工作电压范围为4V~18V,①脚:转速调整;②脚:地;③脚:电机驱动信号输出。应用电路见图10。
        195622fxa2yguaiguuifm5.jpg

133

主题

2035

回帖

3513

积分

优秀会员

积分
3513

活跃会员热心会员优秀会员

发表于 2023-10-16 20:05:21 | 显示全部楼层
谢谢分享卡带机资料
您需要登录后才可以回帖 登录 | 请使用中文注册

本版积分规则

QQ|Archiver|手机版|家电维修论坛 ( 蜀ICP备19011473号-4 川公网安备51102502000164号 )

GMT+8, 2025-10-4 17:17 , Processed in 0.311799 second(s), 25 queries .

Powered by Discuz! X3.5

© 2001-2025 Discuz! Team.

快速回复 返回顶部 返回列表