找回密码
 请使用中文注册
查看: 417|回复: 0

TCL LCD32B66-P液晶电视(JSK3220-007)电源板不开机的维修

[复制链接]
阅读字号:

109

主题

0

回帖

3946

积分

版主

积分
3946
发表于 2023-8-22 12:52:53 | 显示全部楼层 |阅读模式

马上注册,结交更多好友,享用更多功能,让你轻松玩转社区。

您需要 登录 才可以下载或查看,没有账号?请使用中文注册

×
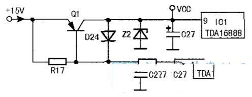
接修一台TCL LCD32B66-P液晶电视(JSK3220-007电源板)故障现象是不开机。先采取强行开机的方法,即将光耦的③、④脚挑开,接上一个15kΩ电阻,并将5V与开关机ON/OFF端口短接,上电试机,发现24V不稳定,说明故障不在取样与反馈电路.上,因为没有给电源板接负载,次级不会产生电流,故障应在TDA16888或外围电路上。在开机状态下,测IC的供电脚电压,发现在5V~12V之间波动,问题就应该在该供电电路,如图1所示,继续向前级测量,测得Q1的e极电压为15V正常,测量Q1的基极电压在1V~9V之间波动,怀疑Q1不良,由于手上没有此三极管,于是将c、e极直接短接,或将b极直接对地短路,TDA16888的供电15V和电源输出均正常。但代换Q1后故障依旧,于是对Q1的外围元件进行检查,结果发现R19已由4.7k变成30k,换新后正常。
        125051waoseuo1fu720e7e.jpg
                 提示:在TCLJSK3220、JSK4330、JSK4550等型液晶彩电开关电源中,R19易变质引起不开机故障。另外,在该型电源中,如果保险丝熔断,应检查PFC电路中的D1、Q2、Q7是否损坏,若有损坏,则需进一步检查PFC驱动管Q3、Q5及其相关的阻容元件是否损坏,若Q3、Q5均已击穿,则TDA16888也可能连带损坏了。
您需要登录后才可以回帖 登录 | 请使用中文注册

本版积分规则

QQ|Archiver|手机版|家电维修论坛 ( 蜀ICP备19011473号-4 川公网安备51102502000164号 )

GMT+8, 2026-1-31 23:47 , Processed in 0.227496 second(s), 24 queries .

Powered by Discuz! X3.5

© 2001-2026 Discuz! Team.

快速回复 返回顶部 返回列表